메인 콘텐츠로 건너뛰기 검색으로 건너뛰기 메인 메뉴로 건너뛰기
새롭게 개편된 웹사이트에 오신 것을 환영합니다!
ICS 토탈락 장치가 있는 회전식 캐스터는 직사각형 플레이트와 미국 볼트홀 간격의 피팅을 갖추고 있으며, 폴리아미드 소재의 하우징에 스템 회전 방식의 스위블 베어링이 적용되어 있습니다. 휠은 폴리프로필렌 바디와 열가소성 고무 트레드로 구성되어 있고, 정밀 볼 베어링이 장착되어 있으며, 직경은 125mm입니다. 전체 높이는 166mm로 설계되었습니다. 동적 하중 용량은 3km/h 속도에서 100kg이며, 정적 하중 용량은 200kg입니다. 이 캐스터는 간호용 침대 등의 의료 장비에 적합하게 설계되어 있어 안정적인 이동성과 필요시 완전한 고정이 가능한 토탈락 기능을 제공합니다.
롤 성능
움직임 노이즈
이탈률
내식성
품번
문서 번호
5327PJP125P52
EAN
4031582384604
Core attributes
하우징 유형
토탈락 장치가 있는 회전식 캐스터
3 km/h에서의 이동 중 하중용량
100 kg
적재 용량 정적
200 kg
총높이
166 mm
온도 범위(최대)
40 °C
온도 범위(최소)
-10 °C
제품명
ICS
표준
EN12530 - 장치 캐스터
전기 전도성
스테인리스
Fitting
피팅 유형
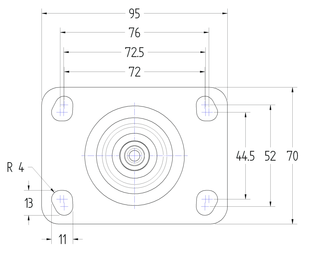
직사각형 플레이트, 미국 볼트홀 간격
플레이트 구멍 직경
11 mm
플레이트 홀 길이(최대)
52 mm
플레이트 홀 길이(최소)
44.45 mm
플레이트 구멍 너비(최대)
76 mm
플레이트 구멍 너비(최소)
72 mm
플레이트 길이
95 mm
플레이트 너비
70 mm
Housing
Fork 외형
슬림
재료
폴리아미드
스위블 베어링
스템 , 회전
회전 간섭
199 mm
오프셋
37 mm
Wheel
트레드의 경도(A)
87 Shore A
차체 재질
폴리프로필렌
트레드 재질
열가소성 고무
트레드 폭
32 mm
직경
125 mm
스레드 가드
통합 스레드가드
베어링
정밀 볼 베어링

IF 디자인 어워드

IF 디자인 어워드

special-features-image
특수 기능
무해한 재료
RoHS 및 REACH 규정 준수. 다환 방향족 탄화수소 및 6가 크롬 불포함
테스트된 품질
자체 실험실에서 유럽 표준 준수 테스트 완료
의도치 않은 움직임 방지
수동 작동용 휠 잠금 장치
고정된 스탠드
바퀴와 회전 하우징을 동시에 잠그는 전체 잠금
색상 매칭
제품 디자인에 맞게 색상 조정 가능
수상 경력의 디자인
국제 심사위원단으로부터 권위 있는 상 수상
저유지보수 바퀴
최소한의 청소로 원활한 작동을 보장하는 나사 보호 장치
자국 없는 이동
마모가 줄어들고 청소가 적게 필요한 바퀴
제품 갤러리 건너뛰기

관련 상품

변형
회전 캐스터 125 mm
회전 캐스터 125 mm
ICS
5320PJP125P52

ICS 회전 캐스터는 직사각형 플레이트, 미국 볼트홀 간격 피팅을 채용하여 안정적인 장착을 보장합니다. 하우징은 내구성이 뛰어난 폴리아미드 소재로 제작되었으며, 스템, 회전 방식의 스위블 베어링을 통해 원활한 360도 회전이 가능합니다. 휠은 폴리프로필렌 바디에 열가소성 고무 트레드를 결합하여 우수한 내마모성과 바닥 보호 기능을 제공하며, 정밀 볼 베어링이 적용되어 부드러운 주행성능을 구현합니다. 휠 직경은 125mm이고 전체 높이는 166mm입니다. 동적 하중 용량은 3km/h 속도에서 100kg, 정적 하중 용량은 200kg으로 설계되어 간호용 침대 등의 의료 장비에 최적화된 성능을 발휘합니다.

125 mm
166 mm
100 kg
125 mm
166 mm
100 kg
변형
고정 캐스터 125 mm
고정 캐스터 125 mm
ICS
5328PJP125P52

ICS 고정 캐스터는 직사각형 플레이트, 미국 볼트홀 간격 피팅을 채용한 산업용 캐스터입니다. 하우징은 내구성이 뛰어난 폴리아미드 소재로 제작되어 우수한 기계적 강도와 내마모성을 제공합니다. 휠은 폴리프로필렌 휠 바디에 열가소성 고무 트레드를 결합한 구조로, 정밀 볼 베어링을 내장하여 부드럽고 정확한 회전을 보장하며, 휠 직경은 125mm입니다. 전체 높이는 166mm로 설계되어 다양한 설치 환경에 적합합니다. 동적 하중 용량은 3km/h 속도에서 100kg이며, 정적 하중 용량은 200kg으로 중량물 운반에 최적화된 성능을 발휘합니다. 이 캐스터는 산업 장비, 운반 카트, 작업대 등 다양한 용도에 활용할 수 있습니다.

125 mm
166 mm
100 kg
125 mm
166 mm
100 kg
변형
방향 잠금 장치가 있는 회전식 캐스터  125 mm
방향 잠금 장치가 있는 회전식 캐스터 125 mm
ICS
5321PJP125P52

ICS 방향 잠금 장치가 있는 회전식 캐스터는 직사각형 플레이트, 미국 볼트홀 간격의 피팅을 사용하여 안정적인 장착을 제공합니다. 하우징은 내구성이 뛰어난 폴리아미드 소재로 제작되었으며, 스템, 회전 방식의 스위블 베어링을 통해 원활한 회전 동작을 보장합니다. 휠은 폴리프로필렌 바디와 열가소성 고무 트레드로 구성되어 우수한 내구성과 바닥 보호 기능을 제공하며, 정밀 볼 베어링이 적용되어 부드러운 구동이 가능합니다. 휠 직경은 125mm이고 전체 높이는 166mm입니다. 동적 하중 용량은 3km/h 속도에서 100kg, 정적 하중 용량은 200kg으로 설계되었습니다. 이 제품은 간호용 침대 등의 의료 장비에 최적화된 캐스터입니다.

125 mm
166 mm
100 kg
125 mm
166 mm
100 kg
제품 갤러리 건너뛰기

관련 상품

변형
회전 캐스터 125 mm
회전 캐스터 125 mm
ICS
5320PJP125P52

ICS 회전 캐스터는 직사각형 플레이트, 미국 볼트홀 간격 피팅을 채용하여 안정적인 장착을 보장합니다. 하우징은 내구성이 뛰어난 폴리아미드 소재로 제작되었으며, 스템, 회전 방식의 스위블 베어링을 통해 원활한 360도 회전이 가능합니다. 휠은 폴리프로필렌 바디에 열가소성 고무 트레드를 결합하여 우수한 내마모성과 바닥 보호 기능을 제공하며, 정밀 볼 베어링이 적용되어 부드러운 주행성능을 구현합니다. 휠 직경은 125mm이고 전체 높이는 166mm입니다. 동적 하중 용량은 3km/h 속도에서 100kg, 정적 하중 용량은 200kg으로 설계되어 간호용 침대 등의 의료 장비에 최적화된 성능을 발휘합니다.

125 mm
166 mm
100 kg
125 mm
166 mm
100 kg
변형
고정 캐스터 125 mm
고정 캐스터 125 mm
ICS
5328PJP125P52

ICS 고정 캐스터는 직사각형 플레이트, 미국 볼트홀 간격 피팅을 채용한 산업용 캐스터입니다. 하우징은 내구성이 뛰어난 폴리아미드 소재로 제작되어 우수한 기계적 강도와 내마모성을 제공합니다. 휠은 폴리프로필렌 휠 바디에 열가소성 고무 트레드를 결합한 구조로, 정밀 볼 베어링을 내장하여 부드럽고 정확한 회전을 보장하며, 휠 직경은 125mm입니다. 전체 높이는 166mm로 설계되어 다양한 설치 환경에 적합합니다. 동적 하중 용량은 3km/h 속도에서 100kg이며, 정적 하중 용량은 200kg으로 중량물 운반에 최적화된 성능을 발휘합니다. 이 캐스터는 산업 장비, 운반 카트, 작업대 등 다양한 용도에 활용할 수 있습니다.

125 mm
166 mm
100 kg
125 mm
166 mm
100 kg
변형
방향 잠금 장치가 있는 회전식 캐스터  125 mm
방향 잠금 장치가 있는 회전식 캐스터 125 mm
ICS
5321PJP125P52

ICS 방향 잠금 장치가 있는 회전식 캐스터는 직사각형 플레이트, 미국 볼트홀 간격의 피팅을 사용하여 안정적인 장착을 제공합니다. 하우징은 내구성이 뛰어난 폴리아미드 소재로 제작되었으며, 스템, 회전 방식의 스위블 베어링을 통해 원활한 회전 동작을 보장합니다. 휠은 폴리프로필렌 바디와 열가소성 고무 트레드로 구성되어 우수한 내구성과 바닥 보호 기능을 제공하며, 정밀 볼 베어링이 적용되어 부드러운 구동이 가능합니다. 휠 직경은 125mm이고 전체 높이는 166mm입니다. 동적 하중 용량은 3km/h 속도에서 100kg, 정적 하중 용량은 200kg으로 설계되었습니다. 이 제품은 간호용 침대 등의 의료 장비에 최적화된 캐스터입니다.

125 mm
166 mm
100 kg
125 mm
166 mm
100 kg