Ga naar hoofdinhoud Ga naar zoeken Ga naar hoofdnavigatie
Welkom op onze vernieuwde website!

CAD-bestanden

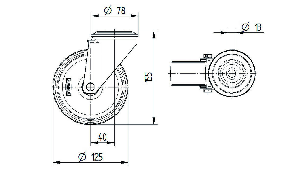
Het Alpha wiel is ontworpen met een boutgat bevestiging voor veelzijdige toepassingen. De behuizing is vervaardigd uit zwaar staalplaat en uitgerust met twee balraces als zwenklager voor soepele draaibeweging. Het wiel bestaat uit een polypropyleen wiellichaam met een massief rubber, niet-markerend loopvlak en is voorzien van een glijlager voor betrouwbare prestaties. Met een wieldiameter van 125 mm en een totale hoogte van 155 mm biedt dit wiel uitstekende manoeuvreerbaarheid. De dynamische draagkracht bedraagt 100 kg bij een snelheid van 4 km/h, terwijl de statische draagkracht 200 kg is. Dit wiel is geschikt voor diverse toepassingen zoals automotive OEM, cateringwagens, containerbouw, elektronische systemen, brandbestrijdingstechnologie, machinebouw, postlogistieke systemen, productie- en platformwagens, rolkooien, gereedschapskasten, transportapparatuur, afvalverwerkingsapparatuur en werkbanken.
Rolprestaties
Bewegingsruis
Attrition
Corrosiebestendigheid
Artikelnummers
Artikelnummer
3470PIO125P30-13
EAN
4031582303759
Core attributes
Type
Zwenkwiel
Totale breedte
75 mm
Draagvermogen bij 4 km/h
100 kg
Statisch draagvermogen
200 kg
Totale hoogte
155 mm
Temperatuurbereik (maximaal)
60 °C
Temperatuurbereik (minimaal)
-20 °C
Totaal gewicht
1,03 kg
Productnaam
Alpha
Standaard
EN12532 - Transportuitrusting
Elektrisch geleidend
Roestvrij
Fitting
Type bevestiging
Boutgat
Boutgat diameter
13 mm
Housing
Kleur
Blauw gepassiveerd
Vork Vorm
Breed
Materiaal
Staalplaat, zwaar
Zwenklager
Dubbele kogeldraaikrans
Draaicirkel
205 mm
Offset
40 mm
Zwenk radius
102,5 mm
Wheel
Hardheid van het Loopvlak (A)
80 Shore A
Materiaal wielkern
Polypropyleen
Materiaal loopvlak
Massief rubber, niet-markerend
Breedte Loopvlak
37 mm
Diameter
125 mm
Breedte wielkern
37 mm
Afdekkapjes
Zonder afdekkapjes
Loopvlak
Zilvergrijs (RAL7001)
As
Vastgeschroefd met moer
Lagering
Glijlager
Wielkleur
Grafietzwart (RAL9011)
special-features-image
Speciale functies
Niet-gevaarlijke materialen
Conform RoHS- en REACH-richtlijnen. Bevat geen polycyclische aromatische koolwaterstoffen of chroom (VI)
Geteste kwaliteit
Getest in ons eigen laboratorium volgens Europese normen
Solide behuizing
Gemaakt van geperst, verzinkt staal
Variabele bevestigingsopties
Verschillende montagematen voor een breed scala aan toepassingen
Grondstofbesparende vervanging onderdelen
Gewinde assen maken moeiteloze wielvervanging mogelijk
Ononderbroken gebruik
Zwenklager met stofring voor continue, ononderbroken beweging
Streeploze beweging
Wielen met verminderde slijtage en weinig reinigingsvereisten
Eenvoudige besturing
Zwenkkop met dubbele kogellagers
Productgalerij overslaan

Bijpassende producten

Varianten
Zwenkwiel met dubbele rem 125 mm
Zwenkwiel met dubbele rem 125 mm
Alpha
3477PIO125P30-13

De Alpha wielen met totale vergrendeling zijn uitgerust met een boutgat fitting voor eenvoudige montage. De behuizing is vervaardigd uit staalplaat, zwaar en voorzien van twee balraces als zwenklager voor optimale draaibeweging. Het wiel bestaat uit een polypropyleen wiellichaam met een massief rubber, niet-markerend loopvlak en is uitgerust met een glijlager. Met een wieldiameter van 125 mm en een totale hoogte van 155 mm biedt dit wiel een dynamische draagkracht van 100 kg bij 4 km/h en een statische draagkracht van 200 kg. Deze wielen zijn geschikt voor diverse toepassingen zoals automotive OEM, cateringwagens en maaltijdbezorgsystemen, containerbouw, elektronische systemen, cleanroomtechnologie, brandbestrijdingstechnologie, machinebouw, postlogistieke systemen, productie- en platformwagens, rolkooien, gereedschapskasten, transportapparatuur, afvalverwerkingsapparatuur en werkbanken.

125 mm
155 mm
100 kg
125 mm
155 mm
100 kg
Productgalerij overslaan

Bijpassende producten

Varianten
Zwenkwiel met dubbele rem 125 mm
Zwenkwiel met dubbele rem 125 mm
Alpha
3477PIO125P30-13

De Alpha wielen met totale vergrendeling zijn uitgerust met een boutgat fitting voor eenvoudige montage. De behuizing is vervaardigd uit staalplaat, zwaar en voorzien van twee balraces als zwenklager voor optimale draaibeweging. Het wiel bestaat uit een polypropyleen wiellichaam met een massief rubber, niet-markerend loopvlak en is uitgerust met een glijlager. Met een wieldiameter van 125 mm en een totale hoogte van 155 mm biedt dit wiel een dynamische draagkracht van 100 kg bij 4 km/h en een statische draagkracht van 200 kg. Deze wielen zijn geschikt voor diverse toepassingen zoals automotive OEM, cateringwagens en maaltijdbezorgsystemen, containerbouw, elektronische systemen, cleanroomtechnologie, brandbestrijdingstechnologie, machinebouw, postlogistieke systemen, productie- en platformwagens, rolkooien, gereedschapskasten, transportapparatuur, afvalverwerkingsapparatuur en werkbanken.

125 mm
155 mm
100 kg
125 mm
155 mm
100 kg