Ir para o conteúdo principal Saltar para a pesquisa Saltar para a navegação principal
Bem-vindo ao nosso website com design renovado!
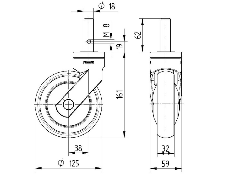
O rodízio giratório Levina apresenta uma espiga sólida, redonda como sistema de fixação, proporcionando uma montagem segura e estável. O alojamento é fabricado em poliamida resistente e incorpora um rolamento giratório de duas filas de esferas que garante movimentos suaves e duradouros. A roda possui corpo em poliamida eletro-condutivo com banda de rodagem em poliuretano injetado eletro-condutivo, equipada com rolamento de esferas de precisão para um funcionamento silencioso e eficiente. Com diâmetro de roda de 125 mm e altura total de 161 mm, este rodízio oferece capacidade de carga dinâmica de 100 kg a 3 km/h e capacidade de carga estática de 200 kg, sendo ideal para aplicações em equipamentos médicos, carrinhos hospitalares, mobiliário comercial e sistemas de transporte que requerem propriedades antiestáticas.
Desempenho de rolagem
Ruído de movimento
Attrição
Resistência à corrosão
Números de artigo
Número do artigo
5370XSP125R05-18x62
EAN
4031582360240
Core attributes
Tipo
Rodízio giratório
Capacidade de carga a 3 km/h
100 kg
Capacidade de carga estática
200 kg
Altura total
161 mm
Intervalo de temperatura (Máximo)
40 °C
Intervalo de temperatura (mínimo)
-10 °C
Peso geral
0,74 kg
Nome do produto
Levina
Padrão
EN12530 - Rodízios para Dispositivos
Elétrico condutivo
Aço inoxidável
Fitting
Tipo de fixação
Espiga sólida, redonda
Diâmetro do Furo
18 mm
Comprimento do Furo
62 mm
Housing
Em Forma de Garfo
Estreito
Material
Poliamida
Rolamento giratório
Duas filas de esferas
Interferência giratória
201 mm
Offset
38 mm
Raio giratório
100,5 mm
Wheel
Dureza do Piso (D)
40 Shore D
Material do centro da roda
Poliamida, eletro-condutivo
Material do piso da roda
Poliuretano, injetado, eletro-condutivo
Largura do Piso
32 mm
Diâmetro
125 mm
Anti-fios
Com anti-fios
Rolamento
Rolamento de esferas de precisão

Prémio de Design universal

Prémio de Design universal

Clube Design Deutscher

Clube Design Deutscher

special-features-image
Funcionalidades especiais
Materiais não perigosos
Conforme as normas RoHS e REACH. Não contém hidrocarbonetos aromáticos policíclicos nem crómio (VI)
Qualidade testada
Testado no nosso próprio laboratório para conformidade com normas europeias
Opções de montagem variáveis
Diferentes dimensões de montagem para uma ampla gama de aplicações
Correspondência de cores
As cores podem ser adaptadas ao design do produto
Design premiado
Premiado com distinções prestigiosas por júris internacionais
Construção inquebrável
Amortecimento de choques extremamente elevado
Rodas de baixa manutenção
Protetores de rosca para funcionamento sem obstruções e limpeza mínima
Movimento sem marcas
Rodas com desgaste reduzido e baixa necessidade de limpeza
Direção fácil
Cabeça giratória com rolamentos de esferas duplos
Uso ergonómico
Rodas com resistência ao rolamento otimizada para reduzir o esforço do utilizador
Condutividade certificada
Versão condutiva para proteger utilizadores e equipamentos elétricos contra descargas eletrostáticas
Componentes resistentes a produtos químicos
Insensível a muitos agentes de limpeza e substâncias químicas
Ignorar a galeria de produtos

Produtos relacionados

Variantes
Rodízio giratório com travão total 125 mm
Rodízio giratório com travão total 125 mm
Levina
5377XSP125R05-18x62

O rodízio giratório com travão total Levina apresenta uma espiga sólida, redonda como sistema de fixação. O alojamento é fabricado em poliamida e incorpora um rolamento giratório de duas filas de esferas para garantir movimento suave e durabilidade. A roda possui corpo em poliamida eletro-condutivo com banda de rodagem em poliuretano injetado eletro-condutivo, equipada com rolamento de esferas de precisão para funcionamento silencioso e eficiente. Com diâmetro de roda de 125 mm e altura total de 161 mm, este rodízio oferece capacidade de carga dinâmica de 100 kg a velocidade de 3 km/h e capacidade de carga estática de 200 kg. A sua conceção eletro-condutiva torna-o ideal para aplicações em ambientes hospitalares, equipamentos médicos, carrinhos de enfermagem, mobiliário de loja e diversas aplicações industriais onde é necessário controlo de eletricidade estática.

125 mm
161 mm
100 kg
125 mm
161 mm
100 kg
Variantes
Rodízio giratório com travão direcional 125 mm
Rodízio giratório com travão direcional 125 mm
Levina
5371XSP125R05-18x62

O rodízio giratório com travão direcional Levina apresenta uma espiga sólida, redonda como sistema de fixação. O alojamento é fabricado em poliamida e incorpora um rolamento giratório de duas filas de esferas para garantir movimentos suaves e duradouros. A roda possui um corpo em poliamida eletro-condutivo com banda de rodagem em poliuretano injetado eletro-condutivo, equipada com rolamento de esferas de precisão. Com um diâmetro de roda de 125 mm, o rodízio apresenta uma altura total de 161 mm. A capacidade de carga dinâmica é de 100 kg a uma velocidade de 3 km/h, enquanto a capacidade de carga estática atinge 200 kg, tornando-o ideal para aplicações em equipamentos médicos, carrinhos hospitalares, mobiliário comercial e sistemas de transporte profissional.

125 mm
161 mm
100 kg
125 mm
161 mm
100 kg
Ignorar a galeria de produtos

Produtos relacionados

Variantes
Rodízio giratório com travão total 125 mm
Rodízio giratório com travão total 125 mm
Levina
5377XSP125R05-18x62

O rodízio giratório com travão total Levina apresenta uma espiga sólida, redonda como sistema de fixação. O alojamento é fabricado em poliamida e incorpora um rolamento giratório de duas filas de esferas para garantir movimento suave e durabilidade. A roda possui corpo em poliamida eletro-condutivo com banda de rodagem em poliuretano injetado eletro-condutivo, equipada com rolamento de esferas de precisão para funcionamento silencioso e eficiente. Com diâmetro de roda de 125 mm e altura total de 161 mm, este rodízio oferece capacidade de carga dinâmica de 100 kg a velocidade de 3 km/h e capacidade de carga estática de 200 kg. A sua conceção eletro-condutiva torna-o ideal para aplicações em ambientes hospitalares, equipamentos médicos, carrinhos de enfermagem, mobiliário de loja e diversas aplicações industriais onde é necessário controlo de eletricidade estática.

125 mm
161 mm
100 kg
125 mm
161 mm
100 kg
Variantes
Rodízio giratório com travão direcional 125 mm
Rodízio giratório com travão direcional 125 mm
Levina
5371XSP125R05-18x62

O rodízio giratório com travão direcional Levina apresenta uma espiga sólida, redonda como sistema de fixação. O alojamento é fabricado em poliamida e incorpora um rolamento giratório de duas filas de esferas para garantir movimentos suaves e duradouros. A roda possui um corpo em poliamida eletro-condutivo com banda de rodagem em poliuretano injetado eletro-condutivo, equipada com rolamento de esferas de precisão. Com um diâmetro de roda de 125 mm, o rodízio apresenta uma altura total de 161 mm. A capacidade de carga dinâmica é de 100 kg a uma velocidade de 3 km/h, enquanto a capacidade de carga estática atinge 200 kg, tornando-o ideal para aplicações em equipamentos médicos, carrinhos hospitalares, mobiliário comercial e sistemas de transporte profissional.

125 mm
161 mm
100 kg
125 mm
161 mm
100 kg