Ir para o conteúdo principal Saltar para a pesquisa Saltar para a navegação principal
Bem-vindo ao nosso website com design renovado!
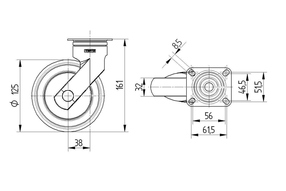
O rodízio giratório Levina é equipado com uma placa de fixação retangular e apresenta uma estrutura robusta para aplicações técnicas exigentes. A estrutura é fabricada em poliamida e incorpora um sistema de rolamento giratório de duas filas de esferas que garante movimentos suaves e duradouros. A roda possui um corpo em poliamida eletro-condutivo com um piso em poliuretano injetado eletro-condutivo, montada sobre rolamento de esferas de precisão, oferecendo excelente desempenho de rolamento. Com um diâmetro de roda de 125 mm e altura total de 161 mm, este rodízio suporta uma carga dinâmica de 100 kg a 3 km/h e uma carga estática máxima de 200 kg, sendo ideal para equipamentos médicos, carrinhos hospitalares, mobiliário técnico e aplicações industriais que requerem propriedades antiestáticas.
Desempenho de rolagem
Ruído de movimento
Attrição
Resistência à corrosão
Números de artigo
Número do artigo
5370XSP125P50 window-grey
EAN
4031582359220
Número de material S4
990063831
Core attributes
Tipo
Rodízio giratório
Largura geral
59 mm
Capacidade de carga a 3 km/h
100 kg
Capacidade de carga estática
200 kg
Altura total
161 mm
Intervalo de temperatura (Máximo)
40 °C
Intervalo de temperatura (mínimo)
-10 °C
Peso geral
0,63 kg
Nome do produto
Levina
Padrão
EN12530 - Rodízios para Dispositivos
Elétrico condutivo
Aço inoxidável
Fitting
Tipo de fixação
Placa de fixação retangular
Diâmetro do furo da placa
8,5 mm
Comprimento do furo da placa (Máximo)
51,5 mm
Comprimento do furo da placa (mínimo)
46,5 mm
Largura do furo da placa (Máximo)
61,5 mm
Largura do furo da placa (Mínimo)
56 mm
Comprimento da placa
77 mm
Largura da placa
67 mm
Housing
Cor
“Cinzento janela” (semelhante a RAL7040)
Em Forma de Garfo
Estreito
Material
Poliamida
Rolamento giratório
Duas filas de esferas
Diâmetro do dome
59 mm
Interferência giratória
201 mm
Offset
38 mm
Raio giratório
100,5 mm
Wheel
Dureza do Piso (A)
91 Shore A
Dureza do Piso (D)
40 Shore D
Material do centro da roda
Poliamida, eletro-condutivo
Material do piso da roda
Poliuretano, injetado, eletro-condutivo
Largura do Piso
32 mm
Diâmetro
125 mm
Largura do corpo
32 mm
Anti-fios
Com anti-fios
Rolamento
Rolamento de esferas de precisão
Cor da Roda
Cinzento prateado (RAL7001)

Prémio de Design universal

Prémio de Design universal

Clube Design Deutscher

Clube Design Deutscher

special-features-image
Funcionalidades especiais
Materiais não perigosos
Conforme as normas RoHS e REACH. Não contém hidrocarbonetos aromáticos policíclicos nem crómio (VI)
Qualidade testada
Testado no nosso próprio laboratório para conformidade com normas europeias
Opções de montagem variáveis
Diferentes dimensões de montagem para uma ampla gama de aplicações
Correspondência de cores
As cores podem ser adaptadas ao design do produto
Design premiado
Premiado com distinções prestigiosas por júris internacionais
Construção inquebrável
Amortecimento de choques extremamente elevado
Rodas de baixa manutenção
Protetores de rosca para funcionamento sem obstruções e limpeza mínima
Movimento sem marcas
Rodas com desgaste reduzido e baixa necessidade de limpeza
Direção fácil
Cabeça giratória com rolamentos de esferas duplos
Uso ergonómico
Rodas com resistência ao rolamento otimizada para reduzir o esforço do utilizador
Condutividade certificada
Versão condutiva para proteger utilizadores e equipamentos elétricos contra descargas eletrostáticas
Componentes resistentes a produtos químicos
Insensível a muitos agentes de limpeza e substâncias químicas
Ignorar a galeria de produtos

Produtos relacionados

Variantes
Rodízio giratório com travão direcional 125 mm
Rodízio giratório com travão direcional 125 mm
Levina
5371XSP125P50

O rodízio giratório com travão direcional Levina apresenta uma placa de fixação retangular e carcaça em poliamida com rolamento giratório de duas filas de esferas. A roda possui corpo em poliamida eletro-condutivo com banda de rodagem em poliuretano injetado eletro-condutivo, equipada com rolamento de esferas de precisão e diâmetro de 125 mm. Com altura total de 161 mm, oferece capacidade de carga dinâmica de 100 kg a 3 km/h e carga estática de 200 kg. É adequado para carrinhos de anestesia, braços em C, tomógrafos, ressonâncias magnéticas, raio-X, camas de cuidados, carrinhos de catering, computadores com rodas, carrinhos de diálise, hospitais, carrinhos de medicação, lares de idosos, carrinhos de enfermagem, limpeza profissional, compras, mobiliário de loja, aparelhos de ultrassons, ventiladores, bancadas de trabalho e armários de ferramentas.

125 mm
161 mm
100 kg
125 mm
161 mm
100 kg
Variantes
Rodízio giratório com travão total 125 mm
Rodízio giratório com travão total 125 mm
Levina
5377XSP125P50 window-grey/3000

O rodízio giratório com travão total Levina apresenta uma placa de fixação retangular e carcaça em poliamida com rolamento giratório de duas filas de esferas. A roda possui corpo em poliamida eletro-condutivo com banda de rodagem em poliuretano injetado eletro-condutivo, equipada com rolamento de esferas de precisão e diâmetro de 125 mm. Com altura total de 161 mm, oferece capacidade de carga dinâmica de 100 kg a 3 km/h e capacidade estática de 200 kg. Este rodízio é adequado para aplicações em carrinhos de anestesia, braços em C, tomógrafos, ressonâncias magnéticas, raio-X, camas de cuidados, carrinhos de catering, computadores com rodas, carrinhos de diálise, hospitais, carrinhos de medicação, lares de idosos, carrinhos de enfermagem, limpeza profissional, compras, mobiliário de loja, aparelhos de ultrassons, ventiladores, bancadas de trabalho e armários de ferramentas.

125 mm
161 mm
100 kg
125 mm
161 mm
100 kg
Ignorar a galeria de produtos

Produtos relacionados

Variantes
Rodízio giratório com travão direcional 125 mm
Rodízio giratório com travão direcional 125 mm
Levina
5371XSP125P50

O rodízio giratório com travão direcional Levina apresenta uma placa de fixação retangular e carcaça em poliamida com rolamento giratório de duas filas de esferas. A roda possui corpo em poliamida eletro-condutivo com banda de rodagem em poliuretano injetado eletro-condutivo, equipada com rolamento de esferas de precisão e diâmetro de 125 mm. Com altura total de 161 mm, oferece capacidade de carga dinâmica de 100 kg a 3 km/h e carga estática de 200 kg. É adequado para carrinhos de anestesia, braços em C, tomógrafos, ressonâncias magnéticas, raio-X, camas de cuidados, carrinhos de catering, computadores com rodas, carrinhos de diálise, hospitais, carrinhos de medicação, lares de idosos, carrinhos de enfermagem, limpeza profissional, compras, mobiliário de loja, aparelhos de ultrassons, ventiladores, bancadas de trabalho e armários de ferramentas.

125 mm
161 mm
100 kg
125 mm
161 mm
100 kg
Variantes
Rodízio giratório com travão total 125 mm
Rodízio giratório com travão total 125 mm
Levina
5377XSP125P50 window-grey/3000

O rodízio giratório com travão total Levina apresenta uma placa de fixação retangular e carcaça em poliamida com rolamento giratório de duas filas de esferas. A roda possui corpo em poliamida eletro-condutivo com banda de rodagem em poliuretano injetado eletro-condutivo, equipada com rolamento de esferas de precisão e diâmetro de 125 mm. Com altura total de 161 mm, oferece capacidade de carga dinâmica de 100 kg a 3 km/h e capacidade estática de 200 kg. Este rodízio é adequado para aplicações em carrinhos de anestesia, braços em C, tomógrafos, ressonâncias magnéticas, raio-X, camas de cuidados, carrinhos de catering, computadores com rodas, carrinhos de diálise, hospitais, carrinhos de medicação, lares de idosos, carrinhos de enfermagem, limpeza profissional, compras, mobiliário de loja, aparelhos de ultrassons, ventiladores, bancadas de trabalho e armários de ferramentas.

125 mm
161 mm
100 kg
125 mm
161 mm
100 kg