跳到主要内容 跳到搜索 跳到主导航
欢迎访问我们全新改版的网站!
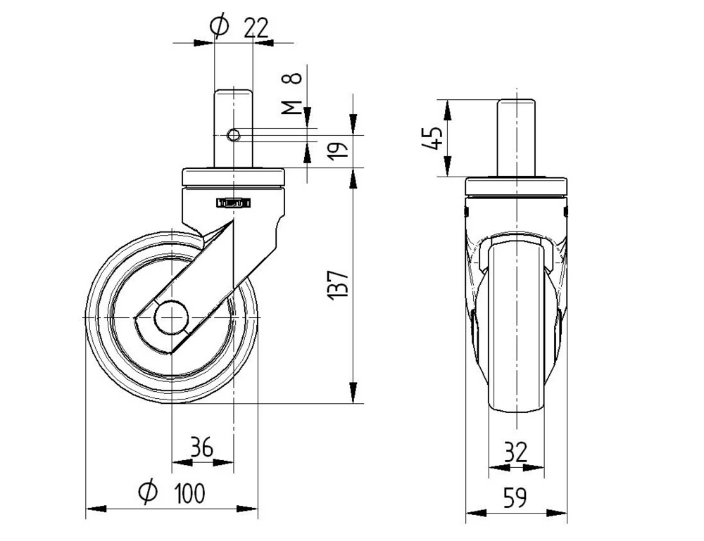
Levina万向脚轮采用实心闸杆圆形连接方式,确保稳固的安装连接。脚轮外壳采用高强度聚酯胺材料制造,配备两个钢珠滚道的旋转轴承系统,提供平滑可靠的360度旋转性能。车轮主体由耐用的聚丙烯材料构成,轮面覆盖热塑性橡胶材质,确保优异的减震性能和地面保护效果,内置精密滚珠轴承保证轮子转动的顺畅性。脚轮直径为100毫米,总体高度为137毫米,结构紧凑适用于各种设备安装。动态承载能力在3公里每小时速度下可达100公斤,静态承载能力高达200公斤,满足重载应用需求。该产品广泛应用于麻醉车、C型臂CT扫描仪核磁共振X光设备、护理床、餐饮手推车和送餐系统、带轮计算机、透析车、医院药品车、养老院和护理院护理车、专业清洁车、购物车、商店家具和展示架、超声设备、呼吸机、工作台以及工具柜等多种医疗和商业设备中。
滚动性能
移动噪声
流失率
耐腐蚀性
物料编号
物品编号
5370PJP100R05-22x45 M8/19 7001
EAN
4031582355284
S4物料编号
990037567
Core attributes
外壳类型
万向脚轮
总宽度
59 mm
3 km/h的载重
100 kg
静态载重
200 kg
总高
137 mm
温度范围(最大)
40 °C
温度范围(最低)
-10 °C
总重量
0.58 kg
产品名称
Levina
标准
EN12530 - 设备脚轮
导电
不锈
Fitting
螺栓安装孔数量
2
固定件类型
实心阀杆圆形
螺栓直径
22 mm
螺栓长度
45 mm
螺栓螺纹位置
19 mm
Housing
颜色
银灰色 (RAL7001)
支架形状
修身
材料
聚酰胺
旋转轴承
两个钢珠滚道
圆顶直径
59 mm
转向干涉
172 mm
偏移量
36 mm
旋转半径
86 mm
Wheel
胎面硬度 (A)
87 岸 A
轮体材料
聚丙烯
胎面材料
热塑性橡胶
胎面宽度
32 mm
直径
100 mm
轮体宽度
32 mm
侧盖
带螺纹防护装置
轴承
精密滚珠轴承
轮子颜色
银灰色 (RAL7001)

通用设计奖

通用设计奖

德国设计师俱乐部(DDC)

德国设计师俱乐部(DDC)

special-features-image
特殊功能
无害材料
符合 RoHS 和 REACH 指令。不含多环芳烃或六价铬
经过测试的质量
在自有实验室中测试,符合欧洲标准
多样化安装选项
不同的安装尺寸适用于广泛的应用
颜色匹配
颜色可根据产品设计进行调整
获奖设计
荣获国际评审团颁发的著名奖项
牢不可破的结构
极高的减震性能
低维护轮子
螺纹保护装置确保运行顺畅,维护需求低
不留痕迹的移动
磨损减轻、清洁需求低的轮子
易于操控
双滚珠轴承转向头
耐化学部件
对多种清洁剂和化学物质不敏感
跳过产品库

相关产品

变体
带方向锁的旋转脚轮  100 mm
带方向锁的旋转脚轮 100 mm
Levina
5371PJP100R05-22x45

Levina带方向锁的旋转脚轮采用实心螺杆圆形配件设计,确保稳固的安装连接。脚轮外壳由高强度聚酯胺材料制成,配备两个钢珠滚道的旋转轴承系统,提供平稳的360度旋转性能和可靠的方向锁定功能。车轮本体采用聚丙烯材料构造,表面覆盖热塑性橡胶胎面,内置精密滚珠轴承,车轮直径为100毫米,整体高度为137毫米。该脚轮具有优异的承载能力,动态载荷为100公斤(行驶速度3公里/小时),静态载荷可达200公斤。产品广泛应用于医疗设备如麻醉车、C型臂、CT扫描仪、核磁共振、X光设备、护理床、透析车、呼吸机,以及餐饮手推车、带轮计算机、专业清洁车、购物车、商店家具展示架、超声设备、工作台和工具柜等多种场合,满足医院、养老院、护理院等专业环境的使用需求。

100 mm
137 mm
100 kg
100 mm
137 mm
100 kg
变体
带全锁的旋转脚轮  100 mm
带全锁的旋转脚轮 100 mm
Levina
5377PJP100R05-22x45 M8/19 7001/3000

Levina带全锁的旋转脚轮采用实心铆杆圆形连接方式,确保稳固安装。脚轮外壳采用聚酯胺材料制造,配备两个钢珠滚道的旋转轴承系统,提供平稳的360度旋转性能。车轮主体由聚丙烯材料构成,表面覆盖热塑性橡胶胎面,具有优异的耐磨性和减震效果,内置精密滚珠轴承确保运行顺畅。车轮直径为100毫米,脚轮总高度为137毫米,结构紧凑适用于各种设备。动态承载能力为100公斤(运行速度3公里/小时),静态承载能力达200公斤,满足重载应用需求。该脚轮广泛应用于麻醉车、C型臂CT扫描仪核磁共振X光设备、护理床、餐饮手推车、透析车、医院药品车、养老院护理车、专业清洁车、购物车、商店家具展示架、超声设备、呼吸机、工作台及工具柜等多种医疗和商业设备。

100 mm
137 mm
100 kg
100 mm
137 mm
100 kg
跳过产品库

相关产品

变体
带方向锁的旋转脚轮  100 mm
带方向锁的旋转脚轮 100 mm
Levina
5371PJP100R05-22x45

Levina带方向锁的旋转脚轮采用实心螺杆圆形配件设计,确保稳固的安装连接。脚轮外壳由高强度聚酯胺材料制成,配备两个钢珠滚道的旋转轴承系统,提供平稳的360度旋转性能和可靠的方向锁定功能。车轮本体采用聚丙烯材料构造,表面覆盖热塑性橡胶胎面,内置精密滚珠轴承,车轮直径为100毫米,整体高度为137毫米。该脚轮具有优异的承载能力,动态载荷为100公斤(行驶速度3公里/小时),静态载荷可达200公斤。产品广泛应用于医疗设备如麻醉车、C型臂、CT扫描仪、核磁共振、X光设备、护理床、透析车、呼吸机,以及餐饮手推车、带轮计算机、专业清洁车、购物车、商店家具展示架、超声设备、工作台和工具柜等多种场合,满足医院、养老院、护理院等专业环境的使用需求。

100 mm
137 mm
100 kg
100 mm
137 mm
100 kg
变体
带全锁的旋转脚轮  100 mm
带全锁的旋转脚轮 100 mm
Levina
5377PJP100R05-22x45 M8/19 7001/3000

Levina带全锁的旋转脚轮采用实心铆杆圆形连接方式,确保稳固安装。脚轮外壳采用聚酯胺材料制造,配备两个钢珠滚道的旋转轴承系统,提供平稳的360度旋转性能。车轮主体由聚丙烯材料构成,表面覆盖热塑性橡胶胎面,具有优异的耐磨性和减震效果,内置精密滚珠轴承确保运行顺畅。车轮直径为100毫米,脚轮总高度为137毫米,结构紧凑适用于各种设备。动态承载能力为100公斤(运行速度3公里/小时),静态承载能力达200公斤,满足重载应用需求。该脚轮广泛应用于麻醉车、C型臂CT扫描仪核磁共振X光设备、护理床、餐饮手推车、透析车、医院药品车、养老院护理车、专业清洁车、购物车、商店家具展示架、超声设备、呼吸机、工作台及工具柜等多种医疗和商业设备。

100 mm
137 mm
100 kg
100 mm
137 mm
100 kg