Перейти к основному содержанию Перейти к поиску Перейти к основной навигации
Добро пожаловать на наш обновленный сайт!

Файлы САПР

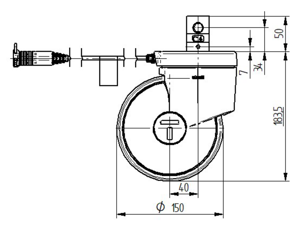
Integral assist представляет собой поворотное колесная опора с центральным, полным или тормоз направления, специально разработанная для применения в электромобильности. Колесо диаметром 150 мм изготовлено из стали и железа с протектором из литого полиуретана, обеспечивающего превосходное сцепление и долговечность. Крепление выполнено в виде стержня с кулачковое отверстие для профильных стержней, короткая вариант, что гарантирует надежную фиксацию и простоту монтажа в медицинском оборудовании включая больничные кровати, тележки для анестезии, КТ-сканеры, МРТ, рентген аппараты, компьютеры на колесах и ультразвуковые системы.
Производительность ролла
Шум движения
Отток
Коррозионная стойкость
Артикулы
Номер статьи
ED44ETW150R36-32S35 D 9002 4xM6 180°
EAN
4031582550412
Номер материала S4
900000051
Привод исполнительного механизма
Номинальная скорость
5 KILOMETER_PER_HOUR
Приводной узел Гусеничный двигатель
Указания по путешествию
Вперед и назад
Номинальная скорость
5 KILOMETER_PER_HOUR
Номинальный выход
92
Номинальное напряжение
25
Core attributes
Тип
Поворотное Колесная опора с центральным, полным или Тормоз направления
Общая ширина
110,5 mm
Грузоподъемность при 4 км/ч
150 kg
Грузоподъемность статическая
450 kg
Общая высота
183 mm
Диапазон температур (максимальный)
40 °C
Диапазон температур (минимальный)
-10 °C
Общий вес
5,01 kg
Допустимая температура окружающей среды
Рабочая температура от 5 °C до 40 °C, влажность воздуха 20% - 80%
Название продукта
Integral assist
Тип защиты
IPX6 (только для электронных компонентов при установке)
Стандартный
EN12531 - Больничные подставки для кроватей
Электропроводящий
Нержавеющая сталь
Fitting
Тип фитинга
Стержень с Кулачковое отверстие для профильных стержней, короткая Вариант
Housing
Цвет
Серый белый (RAL9002)
Форма Вилы
Привод
Материал
Электрический
Повортный узел
Прециссионый шариковый подшипник
Диаметр купола
110,5 mm
Поворотное соединение
230 mm
Офсет (Смещение)
40 mm
Радиус поворота
115 mm
Wheel
Твердость Протектор (A)
85 Береговая А
Материал корпуса
Сталь, железо
Материал протектора
Полиуретан, Литой
Ширина Протектор
50 mm
Диаметр
150 mm
Защита от проводов
Встроенный резьбовой кожух
Цвет Протектор
Сланцево-серый (RAL7015)
Подшипник
Двигатель Хаб

Награда Red Dot Дизайн Award

Награда Red Dot Дизайн Award

special-features-image
Особые функции
Небезопасные материалы отсутствуют
Соответствует директивам RoHS и REACH. Не содержит полициклических ароматических углеводородов или хрома (VI)
Проверенное качество
Протестировано в собственной лаборатории на соответствие европейским стандартам
Предотвращает непреднамеренное движение
Фиксатор колеса для ручного управления
Закрепленная опора
Полная блокировка для одновременной фиксации колеса и поворотного корпуса
Удобный центральный замок
Одновременная фиксация более чем одного колеса с помощью центрального рычага
Удостоенный наград дизайн
Награждено престижными премиями международных жюри
Низкообслуживаемые колеса
Защита резьбы для бесперебойной работы и минимальной очистки
Бесследное движение
Колеса с пониженным износом и минимальными требованиями к очистке
Сокращение отсутствий по болезни
Быстрая окупаемость за счет сокращения больничных отсутствий