Vai al contenuto principale Vai alla ricerca Vai alla navigazione principale
Benvenuti sul nostro sito web dal nuovo design!

File CAD

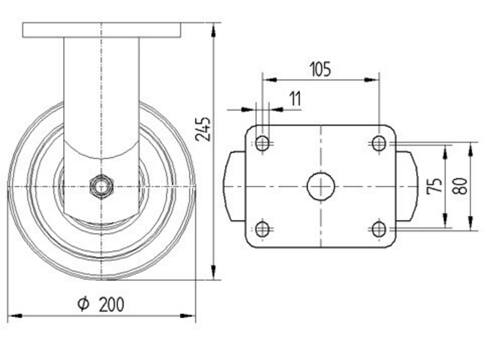
La ruota fissa Kappa è dotata di piastra rettangolare per il fissaggio e presenta un alloggiamento realizzato in ghisa o ferro forgiato pesante che garantisce elevata robustezza strutturale. La ruota è caratterizzata da un corpo in poliammide pesante con battistrada identico al nucleo, montata su cuscinetti a sfere di precisione per assicurare movimenti fluidi e duraturi. Il diametro della ruota è di 200 mm mentre l'altezza complessiva del prodotto raggiunge 245 mm. La capacità di carico dinamico è di 1200 kg a 4 km/h e 1000 kg a 6 km/h, con una capacità di carico statico di 2000 kg. Questa soluzione è ideale per applicazioni nell'industria aerospaziale e attrezzature aeroportuali, sistemi AMR e AGV pesanti, produttori automobilistici OEM, produttori di ceramica e vetro, oltre che per carrelli di produzione e da piattaforma.
Prestazioni del rullo
Rumore di movimento
Attrito
Resistenza alla corrosione
Codici articolo
Артикулен номер
9688TOP200P63 CL67
EAN
4031582316704
Номер на материал S4
990801574
Core attributes
Тип
Ruota fissa
Обща ширина
98 mm
Товароносимост при 4 км/ч
1200 kg
Товароносимост при 6 км/ч
1000 kg
Статичен Товароносимост
2000 kg
Обща височина
245 mm
Температурен диапазон (максимален)
80 °C
Температурен диапазон (минимален)
-30 °C
Общо тегло
4,24 kg
Име на продукта
Kappa
Стандартен
EN12533 - Ruote per applicazioni pesanti
Електропроводим
Неръждаемост
Fitting
Тип на фитинга
Piastra rettangolare
Диаметър на отвора на плаката
11 mm
Дължина на отвора на плаката (максимална)
80 mm
Дължина на отвора на плаката (минимална)
75 mm
Ширина на отвора на плаката (максимална)
105 mm
Ширина на отвора на плаката (минимална)
75 mm
Дължина на плаката
135 mm
Ширина на плаката
110 mm
Housing
Цвят
Passivato blu
Форма Вилица
Largo, Rinforzato
Материал
Ghisa, o ferro forgiato, pesante
Въртящ се лагер
Doppio giro di sfere, Rinforzato o Inossidabile
Диаметър на купол
96 mm
Wheel
Твърдост на Резба (D)
75 Shore D
Материал на тялото
Poliammide, pesante
Материал на реазбата
Identico al nucleo
Ширина на Резба
50 mm
Диаметър
200 mm
Ширина на тялото
50 mm
Предпазители за резби
Senza parafili
Oc
Vite con dado
Лагер
Cuscinetti a sfere di precisione
Цвят на Колело
Bianco naturale
special-features-image
Funzionalità speciali
Materiali non pericolosi
Conforme alle normative RoHS e REACH. Non contiene idrocarburi policiclici aromatici né cromo (VI)
Qualità testata
Testato nel nostro laboratorio per conformità alle norme europee
Alloggiamento solido
Realizzata in acciaio stampato, zincato
Sostituzione delle parti a risparmio di risorse
Assi filettati che consentono una sostituzione agevole della ruota
Uso ininterrotto
Cuscinetto girevole con anello antipolvere per movimento continuo e ininterrotto
Struttura robusta
Alloggiamento in acciaio pesante per elevata capacità di carico
Trazione affidabile
Battistrada ottimizzati per garantire aderenza sicura su pavimenti bagnati e scivolosi
Struttura solida
Piastra in acciaio massiccio per massima capacità di carico
Ruote a bassa usura
Ruote durevoli con usura estremamente ridotta
Blocco direzionale ottimizzato
Bloccaggio direzionale regolabile a 2x180° o 4x90°
Superfici durature
Zincatura di alta qualità per una lunga durata in condizioni difficili
Struttura per carichi extra pesanti
Struttura saldata in acciaio massiccio per la massima capacità di carico
Struttura per carichi pesanti
Alloggiamento in acciaio extra pesante per alta capacità di carico
Piste a sfere indurite doppie
Due piste a sfere doppie temprate garantiscono un’eccezionale stabilità
Funzione di blocco flessibile
Uso di due sistemi di azionamento indipendenti in una sola ruota
Salta la galleria prodotti

Accessori

Accessorio
Protezione per i piedi
Foot Protection Ø200

L'Accessorio rappresenta un componente tecnico specializzato progettato per l'integrazione con sistemi di ruote e rotelle industriali, offrendo funzionalità di supporto e ottimizzazione delle prestazioni operative. Questo elemento accessorio è caratterizzato da un peso complessivo di 0,75 kg, garantendo un equilibrio ottimale tra robustezza strutturale e maneggevolezza durante le operazioni di installazione e manutenzione.

Ruota 200 mm
Duratech
TOP 200x50-Ø25 HL60

La ruota Duratech per carrello è realizzata in poliammide pesante con battistrada dello stesso materiale del nucleo, dotata di cuscinetti a sfere di precisione. Presenta un diametro di 200 mm, larghezza battistrada di 50 mm, foro assale di 25 mm di diametro e lunghezza mozzo di 60 mm. La capacità di carico dinamico è di 1200 kg a 4 km/h e 1000 kg a 6 km/h, mentre la capacità di carico statico raggiunge 1600 kg, garantendo prestazioni affidabili per applicazioni industriali pesanti.

200 mm
1200 kg
200 mm
1200 kg
Salta la galleria prodotti

Prodotti correlati

Varianti
Ruota girevole 200 mm
Ruota girevole 200 mm
Kappa
9680TOP200P63 CL67

La ruota girevole Kappa è dotata di piastra rettangolare per il fissaggio e presenta un alloggiamento realizzato in ghisa o ferro forgiato pesante, equipaggiato con doppio giro di sfere rinforzato o inossidabile per garantire movimenti fluidi e durevoli. La ruota è caratterizzata da un corpo in poliammide pesante con battistrada identico al nucleo e cuscinetti a sfere di precisione per prestazioni ottimali. Il diametro della ruota è di 200 mm mentre l'altezza complessiva raggiunge 245 mm. La capacità di carico dinamico è di 1200 kg a 4 km/h e 1000 kg a 6 km/h, con un carico statico massimo di 2000 kg. Questa soluzione è ideale per applicazioni nell'industria aerospaziale e attrezzature aeroportuali, sistemi AMR e AGV pesanti, produttori automobilistici OEM, industria ceramica e vetraria, oltre che per carrelli di produzione e da piattaforma.

200 mm
245 mm
1200 kg
200 mm
245 mm
1200 kg
Varianti
Ruota girevole con freno totale  200 mm
Ruota girevole con freno totale 200 mm
Kappa
9682TOP200P63 CL67

La ruota girevole con freno totale Kappa è dotata di piastra rettangolare per il fissaggio e presenta un alloggiamento realizzato in ghisa o ferro forgiato pesante, equipaggiato con doppio giro di sfere rinforzato o inossidabile per garantire una rotazione fluida e duratura. La ruota è caratterizzata da un corpo in poliammide pesante con battistrada identico al nucleo e cuscinetti a sfere di precisione, con diametro di 200 mm. Le dimensioni complessive prevedono un'altezza totale di 245 mm. La capacità di carico dinamico raggiunge 1200 kg a 4 km/h e 1000 kg a 6 km/h, mentre il carico statico supportato è di 2000 kg. Questa soluzione è ideale per applicazioni nell'industria aerospaziale e attrezzature aeroportuali, sistemi AMR e AGV pesanti, produttori automobilistici OEM, industria ceramica e del vetro, oltre che per carrelli di produzione e da piattaforma.

200 mm
245 mm
1200 kg
200 mm
245 mm
1200 kg
Varianti
Ruota girevole con blocco direzionale 200 mm
Ruota girevole con blocco direzionale 200 mm
Kappa
9681TOP200P63 CL67

La ruota girevole con blocco direzionale Kappa è dotata di piastra rettangolare per il fissaggio e presenta un alloggiamento realizzato in ghisa o ferro forgiato pesante, equipaggiato con cuscinetto girevole a doppio giro di sfere rinforzato o inossidabile. La ruota è caratterizzata da un corpo in poliammide pesante con battistrada identico al nucleo e cuscinetti a sfere di precisione, con diametro di 200 mm. L'altezza complessiva del prodotto è di 245 mm. La capacità di carico dinamico raggiunge 1200 kg a 4 km/h e 1000 kg a 6 km/h, mentre il carico statico supportato è di 2000 kg. Questa ruota trova applicazione nell'industria aerospaziale e attrezzature aeroportuali, sistemi AMR e AGV pesanti, produttori automobilistici OEM, produttori di ceramica e vetro, oltre che in carrelli di produzione e da piattaforma.

200 mm
245 mm
1200 kg
200 mm
245 mm
1200 kg
Salta la galleria prodotti

Prodotti correlati

Varianti
Ruota girevole 200 mm
Ruota girevole 200 mm
Kappa
9680TOP200P63 CL67

La ruota girevole Kappa è dotata di piastra rettangolare per il fissaggio e presenta un alloggiamento realizzato in ghisa o ferro forgiato pesante, equipaggiato con doppio giro di sfere rinforzato o inossidabile per garantire movimenti fluidi e durevoli. La ruota è caratterizzata da un corpo in poliammide pesante con battistrada identico al nucleo e cuscinetti a sfere di precisione per prestazioni ottimali. Il diametro della ruota è di 200 mm mentre l'altezza complessiva raggiunge 245 mm. La capacità di carico dinamico è di 1200 kg a 4 km/h e 1000 kg a 6 km/h, con un carico statico massimo di 2000 kg. Questa soluzione è ideale per applicazioni nell'industria aerospaziale e attrezzature aeroportuali, sistemi AMR e AGV pesanti, produttori automobilistici OEM, industria ceramica e vetraria, oltre che per carrelli di produzione e da piattaforma.

200 mm
245 mm
1200 kg
200 mm
245 mm
1200 kg
Varianti
Ruota girevole con freno totale  200 mm
Ruota girevole con freno totale 200 mm
Kappa
9682TOP200P63 CL67

La ruota girevole con freno totale Kappa è dotata di piastra rettangolare per il fissaggio e presenta un alloggiamento realizzato in ghisa o ferro forgiato pesante, equipaggiato con doppio giro di sfere rinforzato o inossidabile per garantire una rotazione fluida e duratura. La ruota è caratterizzata da un corpo in poliammide pesante con battistrada identico al nucleo e cuscinetti a sfere di precisione, con diametro di 200 mm. Le dimensioni complessive prevedono un'altezza totale di 245 mm. La capacità di carico dinamico raggiunge 1200 kg a 4 km/h e 1000 kg a 6 km/h, mentre il carico statico supportato è di 2000 kg. Questa soluzione è ideale per applicazioni nell'industria aerospaziale e attrezzature aeroportuali, sistemi AMR e AGV pesanti, produttori automobilistici OEM, industria ceramica e del vetro, oltre che per carrelli di produzione e da piattaforma.

200 mm
245 mm
1200 kg
200 mm
245 mm
1200 kg
Varianti
Ruota girevole con blocco direzionale 200 mm
Ruota girevole con blocco direzionale 200 mm
Kappa
9681TOP200P63 CL67

La ruota girevole con blocco direzionale Kappa è dotata di piastra rettangolare per il fissaggio e presenta un alloggiamento realizzato in ghisa o ferro forgiato pesante, equipaggiato con cuscinetto girevole a doppio giro di sfere rinforzato o inossidabile. La ruota è caratterizzata da un corpo in poliammide pesante con battistrada identico al nucleo e cuscinetti a sfere di precisione, con diametro di 200 mm. L'altezza complessiva del prodotto è di 245 mm. La capacità di carico dinamico raggiunge 1200 kg a 4 km/h e 1000 kg a 6 km/h, mentre il carico statico supportato è di 2000 kg. Questa ruota trova applicazione nell'industria aerospaziale e attrezzature aeroportuali, sistemi AMR e AGV pesanti, produttori automobilistici OEM, produttori di ceramica e vetro, oltre che in carrelli di produzione e da piattaforma.

200 mm
245 mm
1200 kg
200 mm
245 mm
1200 kg