跳到主要内容 跳到搜索 跳到主导航
欢迎访问我们全新改版的网站!

CAD 文件

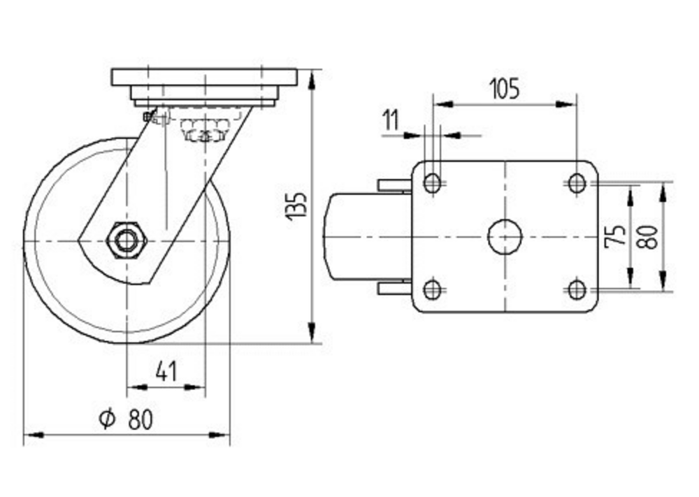
Kappa万向脚轮采用矩形板安装方式,为重载应用提供可靠的移动解决方案。脚轮外壳采用铸铁或锻铁重型材质制造,确保出色的耐用性和承载能力,配备两个球座圈转向轴承,提供加强型或不锈钢型选择,保证平稳的360度旋转性能。车轮轮体采用钢、铁材质构造,胎面为聚氨酯铸造材料,具有优异的耐磨性和减震效果,内置精密滚珠轴承确保运行顺畅。车轮直径为80毫米,脚轮总高度为135毫米,结构紧凑适用于各种设备安装。动载荷能力在4公里/小时速度下可达600公斤,在6公里/小时速度下为500公斤,静载荷承载能力高达1000公斤。该产品广泛应用于航空航天工业机场设备、AMR系统、汽车OEM、陶瓷和玻璃制造商、生产和平台手推车以及重型AGV系统等领域,满足工业级重载移动需求。
滚动性能
移动噪声
流失率
耐腐蚀性
物料编号
物品编号
9680ETP080P63 CL67
EAN
4031582314960
S4物料编号
990801047
Core attributes
外壳类型
万向脚轮
总宽度
110 mm
4 公里/小时的载重
600 kg
6 公里/小时的载重
500 kg
静态载重
1000 kg
总高
135 mm
温度范围(最大)
60 °C
温度范围(最低)
-10 °C
总重量
3.84 kg
产品名称
Kappa
标准
EN12533 - 重载脚轮
导电
不锈
Fitting
固定件类型
矩形板
上板孔直径
11 mm
上板孔长度(最大)
80 mm
上板孔长度(最小)
75 mm
上板孔宽度(最大)
105 mm
上板孔宽度(最小)
75 mm
上板长
135 mm
上板宽
110 mm
Housing
颜色
蓝色钝化
支架形状
宽 ,加强的
材料
铸铁或锻铁,重
旋转轴承
两个球座圈,加强的型或不锈钢型
圆顶直径
111 mm
转向干涉
178 mm
偏移量
41 mm
旋转半径
89 mm
Wheel
胎面硬度 (A)
92 岸 A
胎面硬度 (D)
42 岸 D
轮体材料
钢、铁
胎面材料
聚氨酯,铸造的
胎面宽度
60 mm
直径
80 mm
轮体宽度
60 mm
侧盖
带螺纹防护装置
用螺母拧紧
轴承
精密滚珠轴承
轮子颜色
蜂蜜黄 (RAL1005)
special-features-image
特殊功能
无害材料
符合 RoHS 和 REACH 指令。不含多环芳烃或六价铬
经过测试的质量
在自有实验室中测试,符合欧洲标准
坚固的外壳
由压制镀锌钢制成
节约资源的部件更换
螺纹轴便于轻松更换轮子
不间断使用
带防尘圈的转向轴承,保证持续不间断的运动
坚固的结构
重钢外壳,承载能力强
可靠的牵引力
优化胎面确保在潮湿和光滑地板上的可靠抓地力
固定安装板
安装板通过螺栓和螺母固定
坚固的结构
实心钢板,最大承载能力
低维护轮子
螺纹保护装置确保运行顺畅,维护需求低
不留痕迹的移动
磨损减轻、清洁需求低的轮子
易于操控
双滚珠轴承转向头
符合人体工学的使用
优化滚动阻力的轮子可减轻用户负担
优化的方向锁
方向锁可调节至 2x180° 或 4x90°
快速维护
转向轴承涂有长效润滑脂并配有润滑嘴,便于维护
持久表面
高质量镀锌,确保在恶劣环境下的长寿命
超重型结构
焊接钢结构,最大承载能力
重型结构
特重钢制外壳,承载能力强
硬化双滚道
两个经淬火的双滚道保证卓越的稳定性
灵活的锁定功能
在一个脚轮中使用两个独立的驱动系统
跳过产品库

相关产品

变体
带方向锁的旋转脚轮  80 mm
带方向锁的旋转脚轮 80 mm
Kappa
9681ETP080P63

Kappa带方向锁的旋转脚轮采用矩形板安装方式,为重载应用提供可靠的移动解决方案。脚轮外壳采用铸铁或锻铁重型材质制造,配备两个球座圈,提供加强型或不锈钢型旋转轴承系统,确保优异的耐久性和平稳运转。车轮轮体采用钢、铁材质构造,轮面为铸造聚氨酯材料,直径80毫米,内置精密滚珠轴承保证顺畅滚动。脚轮总高度为135毫米,结构紧凑适合各种安装环境。动载荷能力在4公里/小时速度下可承载600公斤,在6公里/小时速度下可承载500公斤,静载荷能力高达1200公斤。该产品广泛应用于航空航天工业机场设备、AMR系统、汽车OEM、陶瓷和玻璃制造商、生产和平台手推车以及重型AGV系统等领域。

135 mm
80 mm
600 kg
135 mm
80 mm
600 kg
变体
固定脚轮 80 mm
固定脚轮 80 mm
Kappa
9688ETP080P63 CL67

Kappa固定脚轮采用矩形板安装方式,配备铸铁或锻铁重型轮架结构,确保卓越的承载性能和耐久性。脚轮轮体采用钢、铁材质制造,胎面为聚氨酯铸造材料,提供优异的耐磨性和地面保护性能,轴承系统采用精密滚珠轴承设计,保证平稳运行和长使用寿命。脚轮轮径为80毫米,整体高度为135毫米,结构紧凑适用于多种工业环境。动态承载能力在4公里每小时速度下可达600公斤,在6公里每小时速度下可达500公斤,静态承载能力高达1000公斤,满足重载应用需求。该产品广泛应用于航空航天工业机场设备、AMR系统、汽车OEM、陶瓷和玻璃制造商、生产和平台手推车以及重型AGV系统等专业领域,为各类工业设备提供可靠的移动解决方案。

135 mm
80 mm
600 kg
135 mm
80 mm
600 kg
跳过产品库

相关产品

变体
带方向锁的旋转脚轮  80 mm
带方向锁的旋转脚轮 80 mm
Kappa
9681ETP080P63

Kappa带方向锁的旋转脚轮采用矩形板安装方式,为重载应用提供可靠的移动解决方案。脚轮外壳采用铸铁或锻铁重型材质制造,配备两个球座圈,提供加强型或不锈钢型旋转轴承系统,确保优异的耐久性和平稳运转。车轮轮体采用钢、铁材质构造,轮面为铸造聚氨酯材料,直径80毫米,内置精密滚珠轴承保证顺畅滚动。脚轮总高度为135毫米,结构紧凑适合各种安装环境。动载荷能力在4公里/小时速度下可承载600公斤,在6公里/小时速度下可承载500公斤,静载荷能力高达1200公斤。该产品广泛应用于航空航天工业机场设备、AMR系统、汽车OEM、陶瓷和玻璃制造商、生产和平台手推车以及重型AGV系统等领域。

135 mm
80 mm
600 kg
135 mm
80 mm
600 kg
变体
固定脚轮 80 mm
固定脚轮 80 mm
Kappa
9688ETP080P63 CL67

Kappa固定脚轮采用矩形板安装方式,配备铸铁或锻铁重型轮架结构,确保卓越的承载性能和耐久性。脚轮轮体采用钢、铁材质制造,胎面为聚氨酯铸造材料,提供优异的耐磨性和地面保护性能,轴承系统采用精密滚珠轴承设计,保证平稳运行和长使用寿命。脚轮轮径为80毫米,整体高度为135毫米,结构紧凑适用于多种工业环境。动态承载能力在4公里每小时速度下可达600公斤,在6公里每小时速度下可达500公斤,静态承载能力高达1000公斤,满足重载应用需求。该产品广泛应用于航空航天工业机场设备、AMR系统、汽车OEM、陶瓷和玻璃制造商、生产和平台手推车以及重型AGV系统等专业领域,为各类工业设备提供可靠的移动解决方案。

135 mm
80 mm
600 kg
135 mm
80 mm
600 kg