跳到主要内容 跳到搜索 跳到主导航
欢迎访问我们全新改版的网站!
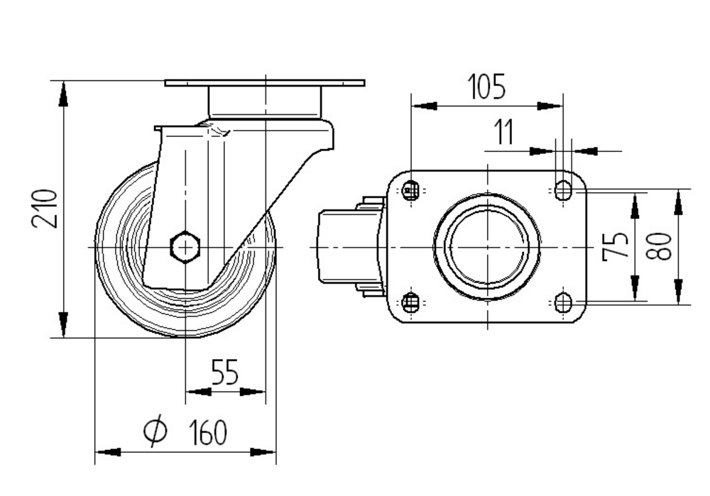
Delta万向脚轮采用矩形板安装方式,配备钢板重型外壳结构和精密滚珠轴承转向系统,确保卓越的操作性能和耐久性。脚轮轮体采用铝制材料制造,胎面为铸造聚氨酯材质,轮径为160毫米,轮轴配置精密滚珠轴承以保证平稳运转。产品总高度为210毫米,结构紧凑适用于各种工业环境。动态承载能力在4公里每小时速度下可达600公斤,在6公里每小时速度下可达480公斤,静态承载能力高达1200公斤,满足重载应用需求。该脚轮广泛应用于航空航天工业机场设备、汽车OEM制造、邮政物流系统、生产和平台手推车以及各类运输设备,为工业移动解决方案提供可靠支撑。
滚动性能
移动噪声
流失率
耐腐蚀性
物料编号
物品编号
3640ITP160P63
EAN
4031582337365
S4物料编号
990833551
Core attributes
外壳类型
万向脚轮
总宽度
94 mm
4 公里/小时的载重
600 kg
6 公里/小时的载重
480 kg
静态载重
1200 kg
总高
210 mm
温度范围(最大)
60 °C
温度范围(最低)
-10 °C
总重量
3.06 kg
产品名称
Delta
标准
EN12532 - 运输器械
导电
不锈
Fitting
固定件类型
矩形板
上板孔直径
11 mm
上板孔长度(最大)
80 mm
上板孔长度(最小)
75 mm
上板孔宽度(最大)
105 mm
上板孔宽度(最小)
105 mm
上板长
137 mm
上板宽
105 mm
Housing
颜色
蓝色钝化
支架形状
宽 ,加强的
材料
钢板,重型
旋转轴承
精密滚珠轴承
圆顶直径
94 mm
转向干涉
270 mm
偏移量
55 mm
旋转半径
135 mm
Wheel
胎面硬度 (A)
92 岸 A
胎面硬度 (D)
42 岸 D
轮体材料
胎面材料
聚氨酯,铸造的
胎面宽度
50 mm
直径
160 mm
轮体宽度
50 mm
侧盖
无螺纹护罩
用螺母拧紧
轴承
精密滚珠轴承
轮子颜色
蜂蜜黄 (RAL1005)
special-features-image
特殊功能
无害材料
符合 RoHS 和 REACH 指令。不含多环芳烃或六价铬
经过测试的质量
在自有实验室中测试,符合欧洲标准
坚固的外壳
由压制镀锌钢制成
节约资源的部件更换
螺纹轴便于轻松更换轮子
不间断使用
带防尘圈的转向轴承,保证持续不间断的运动
坚固的结构
重钢外壳,承载能力强
不留痕迹的移动
磨损减轻、清洁需求低的轮子
符合人体工学的使用
优化滚动阻力的轮子可减轻用户负担
优化的方向锁
方向锁可调节至 2x180° 或 4x90°
超重型结构
焊接钢结构,最大承载能力
重型结构
特重钢制外壳,承载能力强
灵活的锁定功能
在一个脚轮中使用两个独立的驱动系统
跳过产品库

相关产品

变体
带方向锁的旋转脚轮  160 mm
带方向锁的旋转脚轮 160 mm
Delta
3641ITP160P63

Delta带方向锁的旋转脚轮采用矩形板安装方式,为重载应用提供可靠的移动解决方案。脚轮外壳采用钢板重型结构,配备精密滚珠轴承旋转机构,确保平稳的360度转向性能和出色的耐久性。车轮本体采用铝材制造,胎面为铸造聚氨酯材料,轮径160毫米,轴承系统同样采用精密滚珠轴承设计,保证长期稳定运行。脚轮总高度为210毫米,结构紧凑适用于各种设备安装需求。动载荷能力在4公里/小时速度下可承载600公斤,在6公里/小时速度下可承载480公斤,静载荷能力高达1200公斤。该产品广泛应用于航空航天工业机场设备、汽车OEM、邮政物流系统、生产和平台手推车以及运输设备等领域,满足工业环境下的重载移动需求。

160 mm
210 mm
600 kg
160 mm
210 mm
600 kg
变体
带全锁的旋转脚轮,脚轮头端 160 mm
带全锁的旋转脚轮,脚轮头端 160 mm
Delta
3642ITP160P63 f.d-lock

Delta带全锁的旋转脚轮,脚轮头端采用矩形板连接方式,确保稳固安装。脚轮外壳采用钢板,重型结构设计,配备精密滚珠轴承的旋转机构,提供卓越的转向性能和耐久性。车轮本体材质为铝制,胎面采用聚氨酯,铸造的高品质材料,轮径为160毫米,轴承系统同样采用精密滚珠轴承技术。整体高度为210毫米,结构紧凑。动态载荷能力在4公里/小时速度下可承载600公斤,在6公里/小时速度下可承载480公斤,静态载荷能力高达1200公斤。该产品广泛应用于航空航天工业,机场设备、汽车OEM、邮政物流系统、生产和平台手推车以及运输设备等多个专业领域,为各种重载移动设备提供可靠的支撑解决方案。

160 mm
210 mm
600 kg
160 mm
210 mm
600 kg
跳过产品库

相关产品

变体
固定脚轮 160 mm
固定脚轮 160 mm
Delta
3648ITP160P63

Delta固定脚轮采用矩形板安装方式,配备重型钢板外壳结构,确保在高负荷工作环境下的稳定性和耐久性。脚轮轮体采用铝制材料制造,胎面使用铸造聚氨酯材料,提供优异的耐磨性能和地面保护特性,轴承系统采用精密滚珠轴承设计,保证运行的平稳性和使用寿命。轮子直径为160毫米,脚轮总高度为210毫米,结构紧凑适用于各种工业应用场景。动态载荷能力在4公里每小时速度下可承载600公斤,在6公里每小时速度下可承载480公斤,静态载荷能力高达1200公斤。该产品广泛应用于航空航天工业机场设备、汽车OEM、邮政物流系统、生产和平台手推车以及运输设备等领域,满足各种重载移动需求。

160 mm
210 mm
600 kg
160 mm
210 mm
600 kg
变体
带方向锁的旋转脚轮  160 mm
带方向锁的旋转脚轮 160 mm
Delta
3641ITP160P63

Delta带方向锁的旋转脚轮采用矩形板安装方式,为重载应用提供可靠的移动解决方案。脚轮外壳采用钢板重型结构,配备精密滚珠轴承旋转机构,确保平稳的360度转向性能和出色的耐久性。车轮本体采用铝材制造,胎面为铸造聚氨酯材料,轮径160毫米,轴承系统同样采用精密滚珠轴承设计,保证长期稳定运行。脚轮总高度为210毫米,结构紧凑适用于各种设备安装需求。动载荷能力在4公里/小时速度下可承载600公斤,在6公里/小时速度下可承载480公斤,静载荷能力高达1200公斤。该产品广泛应用于航空航天工业机场设备、汽车OEM、邮政物流系统、生产和平台手推车以及运输设备等领域,满足工业环境下的重载移动需求。

160 mm
210 mm
600 kg
160 mm
210 mm
600 kg
变体
带全锁的旋转脚轮,脚轮头端 160 mm
带全锁的旋转脚轮,脚轮头端 160 mm
Delta
3642ITP160P63 f.d-lock

Delta带全锁的旋转脚轮,脚轮头端采用矩形板连接方式,确保稳固安装。脚轮外壳采用钢板,重型结构设计,配备精密滚珠轴承的旋转机构,提供卓越的转向性能和耐久性。车轮本体材质为铝制,胎面采用聚氨酯,铸造的高品质材料,轮径为160毫米,轴承系统同样采用精密滚珠轴承技术。整体高度为210毫米,结构紧凑。动态载荷能力在4公里/小时速度下可承载600公斤,在6公里/小时速度下可承载480公斤,静态载荷能力高达1200公斤。该产品广泛应用于航空航天工业,机场设备、汽车OEM、邮政物流系统、生产和平台手推车以及运输设备等多个专业领域,为各种重载移动设备提供可靠的支撑解决方案。

160 mm
210 mm
600 kg
160 mm
210 mm
600 kg