跳到主要内容 跳到搜索 跳到主导航
欢迎访问我们全新改版的网站!
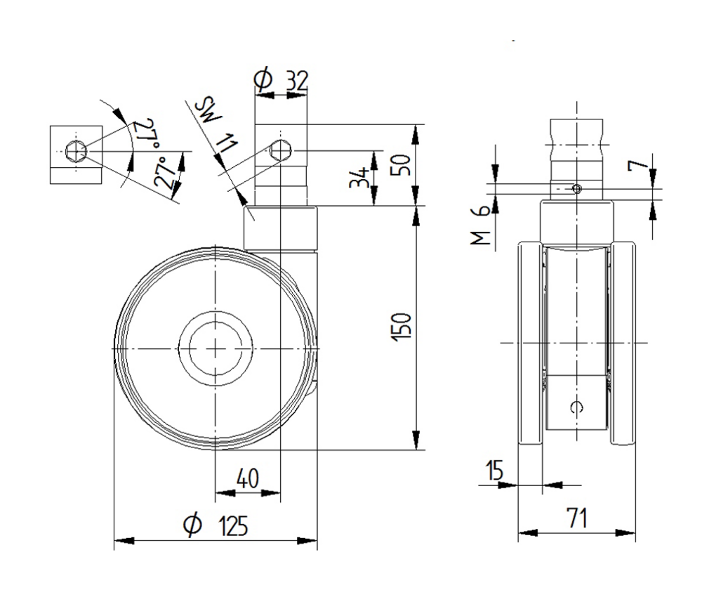
Linea clinic带中控全锁或方向锁的万向脚轮采用带凸轮孔的闸杆,用于异型杆,短版本设计,可清洗病床必须由医院病床制造商在试衣区密封的。脚轮外壳采用聚酯胺材料制造,配备精密滚珠轴承转向系统,确保平稳转动性能。车轮轮体同样采用聚酯胺材料,胎面为聚氨酯注塑导电材料,轴承采用不锈钢精密滚珠轴承,车轮直径为125毫米。脚轮总高度为150毫米,动态载荷能力在3公里/小时和4公里/小时速度下均为150公斤,静态载荷能力达300公斤。该产品广泛应用于麻醉车、C形臂CT扫描仪核磁共振X光设备、带轮计算机、透析车、医院病床、医院、药品车、养老院和护理院、护理车、担架、超声设备以及呼吸机等医疗设备领域。
滚动性能
移动噪声
流失率
耐腐蚀性
物料编号
物品编号
5944USC125R36-32S27 safety OH150
EAN
4031582412727
Core attributes
认证
经 TÜV Süd 测试和监测
外壳类型
带中控全锁或方向锁的万向脚轮
总宽度
71 mm
3 km/h的载重
150 kg
4 公里/小时的载重
150 kg
静态载重
300 kg
总高
150 mm
温度范围(最大)
80 °C
温度范围(最低)
-20 °C
总重量
0.99 kg
产品名称
Linea clinic
标准
类似 EN12531 - 医院病床脚轮
导电
不锈
Fitting
提示
可清洗病床必须由医院病床制造商在试衣区密封的。
固定件类型
带凸轮孔的阀杆,用于异型杆,短版本
螺栓直径
32 mm
螺栓长度
50 mm
Housing
支架形状
双轮子支架
材料
聚酰胺
旋转轴承
精密滚珠轴承
转向干涉
205 mm
偏移量
40 mm
旋转半径
102.5 mm
Wheel
轮体材料
聚酰胺
胎面材料
聚氨酯,注塑,导电
胎面宽度
15 mm
直径
125 mm
侧盖
带螺纹防护装置
轴承
精密滚珠轴承,不锈钢
手柄组
提示
可清洗病床必须由医院病床制造商在试衣区密封的。

德国设计师俱乐部(DDC)

德国设计师俱乐部(DDC)

Interzum 奖

Interzum 奖

iF 设计奖

iF 设计奖

special-features-image
特殊功能
无害材料
符合 RoHS 和 REACH 指令。不含多环芳烃或六价铬
经过测试的质量
在自有实验室中测试,符合欧洲标准
防止意外移动
用于手动操作的车轮锁
固定支撑
全锁定同时锁定轮子和转向外壳
用户友好的中央锁
通过中央操作杆可同时锁定多个脚轮
颜色匹配
颜色可根据产品设计进行调整
获奖设计
荣获国际评审团颁发的著名奖项
减少事故风险
极低的高度降低了医院病床下使用时的事故风险
低维护轮子
螺纹保护装置确保运行顺畅,维护需求低
不留痕迹的移动
磨损减轻、清洁需求低的轮子
符合人体工学的使用
优化滚动阻力的轮子可减轻用户负担
认证导电性
导电版本可保护用户和电气设备免受静电放电
认证安全性
通过 TÜV Süd 认证的性能标准
优化的操控性
双轮脚轮,因差速效应具备高机动性