跳到主要内容 跳到搜索 跳到主导航
欢迎访问我们全新改版的网站!

CAD 文件

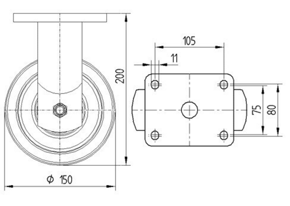
Kappa固定脚轮采用矩形板安装方式,为重载应用提供可靠的移动解决方案。脚轮外壳采用铸铁或锻铁材质,具有重型结构特点,确保在高负荷环境下的耐用性和稳定性。车轮本体采用聚酯胺材料制造,胎面材料与轮子体相同,保证了整体的一致性和性能表现,配备精密滚珠轴承系统以实现平稳运转。车轮直径为150毫米,脚轮总高度为200毫米,紧凑的设计便于集成到各种设备中。该脚轮具有出色的承载能力,静态负荷可达1600公斤,动态负荷在4公里/小时速度下为960公斤,在6公里/小时速度下为800公斤。产品广泛应用于航空航天工业机场设备、AMR系统、汽车OEM、陶瓷和玻璃制造商、生产和平台手推车以及重型AGV系统等多个专业领域。
滚动性能
移动噪声
流失率
耐腐蚀性
物料编号
物品编号
9688TOP150P63 CL67
EAN
4031582316667
S4物料编号
990801475
Core attributes
外壳类型
固定脚轮
总宽度
98 mm
4 公里/小时的载重
960 kg
6 公里/小时的载重
800 kg
静态载重
1600 kg
总高
200 mm
温度范围(最大)
80 °C
温度范围(最低)
-30 °C
总重量
3.22 kg
产品名称
Kappa
标准
EN12533 - 重载脚轮
导电
不锈
Fitting
固定件类型
矩形板
上板孔直径
11 mm
上板孔长度(最大)
80 mm
上板孔长度(最小)
75 mm
上板孔宽度(最大)
105 mm
上板孔宽度(最小)
75 mm
上板长
135 mm
上板宽
110 mm
Housing
颜色
蓝色钝化
支架形状
宽 ,加强的
材料
铸铁或锻铁,重
旋转轴承
两个球座圈,加强的型或不锈钢型
圆顶直径
96 mm
Wheel
胎面硬度 (D)
75 岸 D
轮体材料
聚酰胺,重
胎面材料
与轮子体相同
胎面宽度
50 mm
直径
150 mm
轮体宽度
50 mm
侧盖
无螺纹护罩
用螺母拧紧
轴承
精密滚珠轴承
轮子颜色
天然白色
special-features-image
特殊功能
无害材料
符合 RoHS 和 REACH 指令。不含多环芳烃或六价铬
经过测试的质量
在自有实验室中测试,符合欧洲标准
坚固的外壳
由压制镀锌钢制成
节约资源的部件更换
螺纹轴便于轻松更换轮子
不间断使用
带防尘圈的转向轴承,保证持续不间断的运动
坚固的结构
重钢外壳,承载能力强
可靠的牵引力
优化胎面确保在潮湿和光滑地板上的可靠抓地力
坚固的结构
实心钢板,最大承载能力
低磨损轮子
耐用的轮子,磨损极低
优化的方向锁
方向锁可调节至 2x180° 或 4x90°
持久表面
高质量镀锌,确保在恶劣环境下的长寿命
超重型结构
焊接钢结构,最大承载能力
重型结构
特重钢制外壳,承载能力强
硬化双滚道
两个经淬火的双滚道保证卓越的稳定性
灵活的锁定功能
在一个脚轮中使用两个独立的驱动系统
跳过产品库

配件

轮子 150 mm
Duratech
TOP 150x50-Ø20 HL60

Duratech脚轮轮子采用聚酯胺重型材料制造,轮子直径150毫米,胎面宽度50毫米,轮毂长度60毫米,轴孔直径20毫米,胎面材料与轮子体相同。该轮子配备精密滚珠轴承,静态载荷能力达1600公斤。动态载荷能力在4公里每小时速度下可承载960公斤,在6公里每小时速度下可承载800公斤。该产品设计用于重载应用场合,具有优异的承载性能和耐久性,适合工业环境中的各种移动设备使用。

150 mm
960 kg
150 mm
960 kg
跳过产品库

相关产品

变体
万向脚轮 150 mm
万向脚轮 150 mm
Kappa
9680TOP150P63 CL67

Kappa万向脚轮采用矩形板配件设计,外壳采用铸铁或锻铁重型材质制造,配备两个球座圈转向轴承,提供加强型或不锈钢型选择以确保卓越的转向性能和耐久性。轮子本体采用聚酯胺重型材料制成,胎面材料与轮子体相同,内置精密滚珠轴承系统,轮径为150毫米,整体高度为200毫米。该脚轮静态承载能力达1600公斤,动态承载能力在4公里/小时速度下为960公斤,在6公里/小时速度下为800公斤。产品广泛应用于航空航天工业机场设备、AMR系统、汽车OEM、陶瓷和玻璃制造商、生产和平台手推车以及重型AGV系统等多个工业领域,为各种重载移动设备提供可靠的移动解决方案。

150 mm
200 mm
960 kg
150 mm
200 mm
960 kg
变体
带全锁的旋转脚轮,脚轮头端 150 mm
带全锁的旋转脚轮,脚轮头端 150 mm
Kappa
9682TOP150P63 CL67

Kappa带全锁的旋转脚轮,脚轮头端采用矩形板配件设计,确保稳固的安装连接。脚轮外壳采用铸铁或锻铁重型材质制造,配备两个球座圈,加强的型或不锈钢型旋转轴承系统,提供卓越的承载能力和耐久性。车轮轮体采用聚酯胺重型材料,胎面材质与轮子体相同,确保一致的性能表现,内置精密滚珠轴承保证平稳运转,轮径为150毫米。脚轮总高度为200毫米,结构紧凑适用于各种工业环境。动态载荷能力在4公里/小时速度下可承载960公斤,在6公里/小时速度下可承载800公斤,静态载荷能力高达1600公斤。该产品广泛应用于航空航天工业机场设备、AMR系统、汽车OEM、陶瓷和玻璃制造商、生产和平台手推车以及重型AGV系统等领域。

150 mm
200 mm
960 kg
150 mm
200 mm
960 kg
变体
带方向锁的旋转脚轮  150 mm
带方向锁的旋转脚轮 150 mm
Kappa
9681TOP150P63 CL67

Kappa带方向锁的旋转脚轮采用矩形板安装方式,为重载应用提供可靠的移动解决方案。脚轮外壳采用铸铁或锻铁重型材质制造,配备两个球座圈,加强的型或不锈钢型旋转轴承系统,确保出色的耐用性和平稳运转。轮子本体采用聚酯胺重型材料制成,胎面材料与轮子体相同,内置精密滚珠轴承,轮径为150毫米。脚轮总高度为200毫米,结构紧凑适用于各种工业环境。动载荷能力在4公里/小时速度下可达960公斤,在6公里/小时速度下可达800公斤,静载荷能力高达1600公斤。该产品广泛应用于航空航天工业机场设备、AMR系统、汽车OEM、陶瓷和玻璃制造商、生产和平台手推车以及重型AGV系统等领域,满足高强度工业运输需求。

150 mm
200 mm
960 kg
150 mm
200 mm
960 kg
跳过产品库

相关产品

变体
万向脚轮 150 mm
万向脚轮 150 mm
Kappa
9680TOP150P63 CL67

Kappa万向脚轮采用矩形板配件设计,外壳采用铸铁或锻铁重型材质制造,配备两个球座圈转向轴承,提供加强型或不锈钢型选择以确保卓越的转向性能和耐久性。轮子本体采用聚酯胺重型材料制成,胎面材料与轮子体相同,内置精密滚珠轴承系统,轮径为150毫米,整体高度为200毫米。该脚轮静态承载能力达1600公斤,动态承载能力在4公里/小时速度下为960公斤,在6公里/小时速度下为800公斤。产品广泛应用于航空航天工业机场设备、AMR系统、汽车OEM、陶瓷和玻璃制造商、生产和平台手推车以及重型AGV系统等多个工业领域,为各种重载移动设备提供可靠的移动解决方案。

150 mm
200 mm
960 kg
150 mm
200 mm
960 kg
变体
带全锁的旋转脚轮,脚轮头端 150 mm
带全锁的旋转脚轮,脚轮头端 150 mm
Kappa
9682TOP150P63 CL67

Kappa带全锁的旋转脚轮,脚轮头端采用矩形板配件设计,确保稳固的安装连接。脚轮外壳采用铸铁或锻铁重型材质制造,配备两个球座圈,加强的型或不锈钢型旋转轴承系统,提供卓越的承载能力和耐久性。车轮轮体采用聚酯胺重型材料,胎面材质与轮子体相同,确保一致的性能表现,内置精密滚珠轴承保证平稳运转,轮径为150毫米。脚轮总高度为200毫米,结构紧凑适用于各种工业环境。动态载荷能力在4公里/小时速度下可承载960公斤,在6公里/小时速度下可承载800公斤,静态载荷能力高达1600公斤。该产品广泛应用于航空航天工业机场设备、AMR系统、汽车OEM、陶瓷和玻璃制造商、生产和平台手推车以及重型AGV系统等领域。

150 mm
200 mm
960 kg
150 mm
200 mm
960 kg
变体
带方向锁的旋转脚轮  150 mm
带方向锁的旋转脚轮 150 mm
Kappa
9681TOP150P63 CL67

Kappa带方向锁的旋转脚轮采用矩形板安装方式,为重载应用提供可靠的移动解决方案。脚轮外壳采用铸铁或锻铁重型材质制造,配备两个球座圈,加强的型或不锈钢型旋转轴承系统,确保出色的耐用性和平稳运转。轮子本体采用聚酯胺重型材料制成,胎面材料与轮子体相同,内置精密滚珠轴承,轮径为150毫米。脚轮总高度为200毫米,结构紧凑适用于各种工业环境。动载荷能力在4公里/小时速度下可达960公斤,在6公里/小时速度下可达800公斤,静载荷能力高达1600公斤。该产品广泛应用于航空航天工业机场设备、AMR系统、汽车OEM、陶瓷和玻璃制造商、生产和平台手推车以及重型AGV系统等领域,满足高强度工业运输需求。

150 mm
200 mm
960 kg
150 mm
200 mm
960 kg