跳到主要内容 跳到搜索 跳到主导航
欢迎访问我们全新改版的网站!
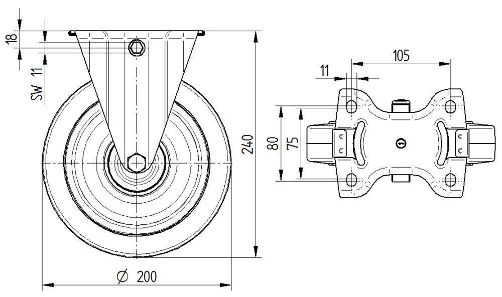
Alpha定制解决方案采用带中央锁定的接骨板配件,确保安装的稳定性和可靠性。外壳采用钢板重型材质制造,配备固定支架设计,提供卓越的结构强度和耐久性。车轮轮体由聚酯胺材料制成,表面覆盖弹性轮胎,具有无痕、硫化特性,有效保护地面并提供优异的滚动性能,内置精密滚珠轴承确保平滑运转。车轮直径为200毫米,产品总高度为240毫米。载重能力方面,静态承载能力达700公斤,动态承载能力在4公里/小时速度下为350公斤,在6公里/小时速度下为250公斤。该产品广泛应用于汽车OEM、餐饮手推车和送餐系统、集装箱建造、电子系统洁净室技术、消防技术防火保护、机械制造、邮政物流系统、生产和平台手推车、滚笼、工具柜、运输设备、废物处理设备以及工作台等多个工业领域。
滚动性能
移动噪声
流失率
耐腐蚀性
物料编号
物品编号
3499UFP200P67 Q2-11
EAN
4031582380668
S4物料编号
990038663
Core attributes
外壳类型
定制解决方案
总宽度
115 mm
4 公里/小时的载重
350 kg
6 公里/小时的载重
250 kg
静态载重
700 kg
总高
240 mm
温度范围(最大)
80 °C
温度范围(最低)
-20 °C
总重量
2.45 kg
产品名称
Alpha
标准
EN12532 - 运输器械
导电
不锈
Fitting
固定件类型
带中央锁定的接骨板
上板孔直径
11 mm
上板孔长度(最大)
80 mm
上板孔长度(最小)
75 mm
上板孔宽度(最大)
105 mm
上板孔宽度(最小)
75 mm
上板长
144 mm
上板宽
115 mm
Housing
颜色
蓝色钝化
支架形状
材料
钢板,重型
旋转轴承
固定支架
圆顶直径
115 mm
Wheel
胎面硬度 (A)
63 岸 A
轮体材料
聚酰胺
胎面材料
弹性轮胎,无痕,硫化
胎面宽度
46 mm
直径
200 mm
轮体宽度
46 mm
侧盖
带螺纹防护装置
用螺母拧紧
轴承
精密滚珠轴承
轮子颜色
银灰色 (RAL7001)
special-features-image
特殊功能
无害材料
符合 RoHS 和 REACH 指令。不含多环芳烃或六价铬
经过测试的质量
在自有实验室中测试,符合欧洲标准
坚固的外壳
由压制镀锌钢制成
多样化安装选项
不同的安装尺寸适用于广泛的应用
节约资源的部件更换
螺纹轴便于轻松更换轮子
不间断使用
带防尘圈的转向轴承,保证持续不间断的运动
低维护轮子
螺纹保护装置确保运行顺畅,维护需求低
不留痕迹的移动
磨损减轻、清洁需求低的轮子
安静滚动
软轮版本可营造安静的工作环境
低振动运输
超软轮子,具备良好的减震性能