跳到主要内容 跳到搜索 跳到主导航
欢迎访问我们全新改版的网站!
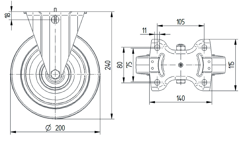
Alpha safety自动锁定系统采用带中央锁定的接骨板配件,确保设备在使用过程中的安全固定。该系统配备钢板重型外壳,采用固定支架设计,提供卓越的结构稳定性和耐用性。车轮部分由聚氨酯轮体制成,配备弹性轮胎,无痕且经过硫化处理,有效保护地面并提供优异的滚动性能,轮子直径为200毫米,内置精密滚珠轴承确保平稳运行。整体高度为240毫米,结构紧凑适用于各种工业环境。该系统具有出色的承载能力,动态载荷为350公斤(在4公里/小时速度下),静态载荷可达700公斤。广泛应用于汽车OEM、集装箱建造、消防技术防火保护、机械制造、邮政物流系统、生产和平台手推车、工具柜、废物处理设备、工作台以及运输设备等多个工业领域。
滚动性能
移动噪声
流失率
耐腐蚀性
物料编号
物品编号
349DUFP200P67-M5x15
EAN
4031582380729
S4物料编号
990060390
Core attributes
外壳类型
自动锁定系统
总宽度
115 mm
4 公里/小时的载重
350 kg
静态载重
700 kg
总高
240 mm
温度范围(最大)
80 °C
温度范围(最低)
-20 °C
总重量
2.44 kg
产品名称
Alpha safety
标准
EN12532 - 运输器械
导电
不锈
Fitting
固定件类型
带中央锁定的接骨板
上板孔直径
11 mm
上板孔长度(最大)
80 mm
上板孔长度(最小)
75 mm
上板孔宽度(最大)
105 mm
上板孔宽度(最小)
75 mm
上板长
137 mm
上板宽
115 mm
Housing
颜色
蓝色钝化
支架形状
材料
钢板,重型
旋转轴承
固定支架
圆顶直径
115 mm
Wheel
胎面硬度 (A)
63 岸 A
轮体材料
聚酰胺
胎面材料
弹性轮胎,无痕,硫化
胎面宽度
46 mm
直径
200 mm
轮体宽度
46 mm
侧盖
带螺纹防护装置
用螺母拧紧
轴承
精密滚珠轴承
轮子颜色
银灰色 (RAL7001)
special-features-image
特殊功能
无害材料
符合 RoHS 和 REACH 指令。不含多环芳烃或六价铬
经过测试的质量
在自有实验室中测试,符合欧洲标准
坚固的外壳
由压制镀锌钢制成
低维护轮子
螺纹保护装置确保运行顺畅,维护需求低
不留痕迹的移动
磨损减轻、清洁需求低的轮子
安静滚动
软轮版本可营造安静的工作环境
低振动运输
超软轮子,具备良好的减震性能