Preskoči na glavni sadržaj Preskoči na pretragu Preskoči na glavnu navigaciju
Dobrodošli na našu redizajniranu veb stranicu!

CAD datoteke

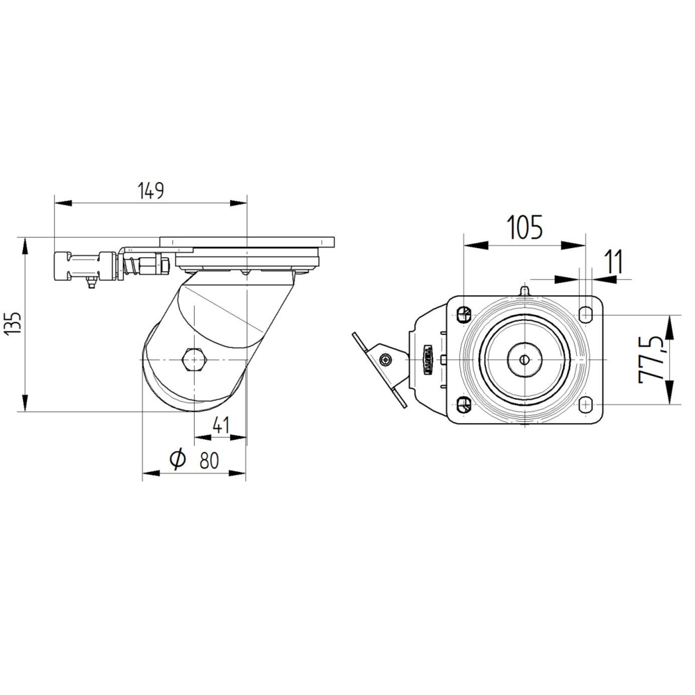
Kappa je okreni točak sa usmerena kočnica opremljen pravougaonom pločom za montažu. Kućište je izrađeno od gvožđa ili gvožđa kovanog, teško, sa dva trke za loptu, ojačano ili nerđajući kao ležište za okretanje. Točak se sastoji od tela od čelika, gvožđa sa gazećom površinom od poliuretana, liveno, i opremljen je precizini kuglični ležaj sistemom. Prečnik točka iznosi 80 mm, dok je ukupna visina konstrukcije 135 mm. Dinamička nosivost je 600 kg pri brzini od 4 km/h ili 500 kg pri brzini od 6 km/h, sa statičkom nosivošću od 1200 kg. Proizvod je naamenjen za vazduhoplovnu industriju, opremu za aerodrome, AMR sisteme, automobilski OEM, proizvođače keramike i stakla, proizvodna i platformska kolica, te teški AGV sistemi.
Performanse rolovanja
Šum pokreta
Atricija
Otpornost na koroziju
Šifre artikala
Broj artikla
9681ETP080P63
EAN
4031582315356
Core attributes
Tip
Okreni Tocak sa usmerena kocnica
Ukupna širina
110 mm
Nosivost na 4 km/h
600 kg
Nosivost na 6 km/h
500 kg
Statički Nosivost
1200 kg
Sveukupna visina
135 mm
Opseg temperature (maksimalni)
60 °C
Temperaturni opseg (Minimalno)
-10 °C
Ukupna težina
4.24 kg
Naziv proizvoda
Kappa
Standard
EN12533 - Tockovi za teske terete
Električni provod
nerdjajuci
Fitting
Tip uklapanja
Pravougaona ploča
Prečnik otvora ploče
11 mm
Dužina otvora ploče (maksimalna)
80 mm
Dužina otvora ploče (Minimalno)
75 mm
Širina otvora ploče (maksimalna)
105 mm
Širina otvora ploče (Minimalno)
75 mm
Dužina ploče
135 mm
Širina ploče
110 mm
Housing
Boja
plavo cinkovano
oblik viljuska
siroko, Ojacano
Materijal
Gvožđe ili gvožđe kovano, teško
okretni lezaj
Dve trke za loptu, Ojacano ili nerdjajuci
Prečnik kupole
111 mm
Otpor okretanju
178 mm
ofset
41 mm
okretni radijus
89 mm
Wheel
Teškoća gazećeg omotac (A)
92 Šor A
Teškoća gazećeg omotac (D)
42 Šor D
Materijal za telo
Čelik, gvožđe
materijal omotaca
Poliuretana, liveno
Širina omotac
60 mm
Prečnik
80 mm
Širina tela
60 mm
stitnici omotaca
Sa threadguard
osovina
Završena sa navrtkom
Nošenje
precizini kuglicni lezaj
Boja Tocak
Med žuta (RAL1005)
special-features-image
Specijalne funkcije
Nehazardni materijali
U skladu sa RoHS i REACH direktivama. Ne sadrži policiklične aromatične ugljovodonike niti hrom (VI)
Testirani kvalitet
Testirano u našem sopstvenom laboratoriju na usklađenost sa evropskim standardima
Čvrsto kućište
Izrađeno od presovanog, pocinkovanog čelika
Zamena delova koja štedi resurse
Navojne osovine omogućavaju laku zamenu točkova
Neprekidna upotreba
Okretni ležaj sa prstenom protiv prašine za kontinuirano, neprekidno kretanje
Snažna konstrukcija
Kućište od teškog čelika za veliku nosivost
Pouzdana trakcija
Optimizovani gazeći slojevi za sigurno prianjanje na mokrim i klizavim podovima
Osigurana montažna ploča
Montažna ploča pričvršćena klinom sa maticom
Čvrsta konstrukcija
Masivna čelična ploča za maksimalnu nosivost
Točkovi sa niskim održavanjem
Zaštite navoja za nesmetan rad uz minimalno čišćenje
Kretanje bez tragova
Točkovi sa smanjenim habanjem i malim zahtevima za čišćenje
Lako upravljanje
Okretna glava sa dvostrukim kugličnim ležajevima
Ergonomski prijateljska upotreba
Točkovi sa optimizovanim otporom kotrljanja za smanjenje napora korisnika
Optimizovana funkcija blokade pravca
Blokada pravca podesiva na 2x180° ili 4x90°
Brzo održavanje
Okretni ležajevi podmazani dugotrajnim mazivom i opremljeni mazalicom za lako održavanje
Dugotrajne površine
Visokokvalitetna galvanizacija za dug vek trajanja u teškim uslovima
Ekstremno jaka konstrukcija
Zavarena čelična konstrukcija za maksimalnu nosivost
Izdržljiva konstrukcija za teške uslove
Kućište od ekstra teškog čelika za veliku nosivost
Ojačani dvostruki kuglični ležajevi
Dve očvrsnute dvostruke staze kuglica garantuju izuzetnu stabilnost
Fleksibilna funkcija zaključavanja
Korišćenje dva nezavisna sistema pokretanja u jednom točkiću
Preskoči galeriju proizvoda

Povezani proizvodi

Varijante
Okretanje Tocak 80 mm
Okretanje Tocak 80 mm
Kappa
9680ETP080P63 CL67

Okretanje Tocak Kappa je opremljen pravougaonom pločom kao priključnim elementom. Kućište je izrađeno od gvožđa ili gvožđa kovanog, teškog, sa okretnim ležajem koji čine dve trke za loptu, ojačano ili nerđajući. Točak se sastoji od tela napravljenog od čelika i gvožđa, sa gazećom površinom od poliuretana, livenog, i opremljen je preciznim kugličnim ležajem. Prečnik točka iznosi 80 mm, dok je ukupna visina proizvoda 135 mm. Dinamička nosivost je 600 kg pri brzini od 4 km/h ili 500 kg pri brzini od 6 km/h, sa statičkom nosivošću od 1000 kg. Proizvod je naamenjen za primenu u vazduhoplovnoj industriji i opremi za aerodrome, AMR sistemima, automobilskom OEM sektoru, kod proizvođača keramike i stakla, u proizvodnim i platformskim kolicima, kao i u teškim AGV sistemima.

80 mm
135 mm
600 kg
80 mm
135 mm
600 kg
Varijante
Fiksni Tocak 80 mm
Fiksni Tocak 80 mm
Kappa
9688ETP080P63 CL67

Fiksni Tocak Kappa predstavlja visokokvalitetno industrijski tocak sa pravougaonom plocam kao sistemom za montazu. Kuciste je izradjeno od gvozdje ili gvozdje kovano, tesko materijala koji obezbedjuje izuzetnu izdrzljivost i stabilnost. Tocak se sastoji od tela napravljenog od celik, gvozdje materijala sa gaznom povrsinom od poliuretana, liveno koja pruza odlicnu otpornost na habanje, dok precizini kuglicni lezaj garantuje glatko i pouzdano funkcionisanje. Tocak ima precnik od 80 mm, a ukupna visina konstrukcije iznosi 135 mm. Dinamicki nosivost tocka je 600 kg pri brzini od 4 km/h ili 500 kg pri brzini od 6 km/h, dok staticka nosivost doseze 1000 kg. Ovaj tocak je idealan za primenu u vazduhoplovnoj industriji i opremi za aerodrome, AMR sistemima, automobilskom OEM sektoru, proizvodjacima keramike i stakla, proizvodnim i platformskim kolicima, kao i teskim AGV sistemima.

80 mm
135 mm
600 kg
80 mm
135 mm
600 kg
Preskoči galeriju proizvoda

Povezani proizvodi

Varijante
Okretanje Tocak 80 mm
Okretanje Tocak 80 mm
Kappa
9680ETP080P63 CL67

Okretanje Tocak Kappa je opremljen pravougaonom pločom kao priključnim elementom. Kućište je izrađeno od gvožđa ili gvožđa kovanog, teškog, sa okretnim ležajem koji čine dve trke za loptu, ojačano ili nerđajući. Točak se sastoji od tela napravljenog od čelika i gvožđa, sa gazećom površinom od poliuretana, livenog, i opremljen je preciznim kugličnim ležajem. Prečnik točka iznosi 80 mm, dok je ukupna visina proizvoda 135 mm. Dinamička nosivost je 600 kg pri brzini od 4 km/h ili 500 kg pri brzini od 6 km/h, sa statičkom nosivošću od 1000 kg. Proizvod je naamenjen za primenu u vazduhoplovnoj industriji i opremi za aerodrome, AMR sistemima, automobilskom OEM sektoru, kod proizvođača keramike i stakla, u proizvodnim i platformskim kolicima, kao i u teškim AGV sistemima.

80 mm
135 mm
600 kg
80 mm
135 mm
600 kg
Varijante
Fiksni Tocak 80 mm
Fiksni Tocak 80 mm
Kappa
9688ETP080P63 CL67

Fiksni Tocak Kappa predstavlja visokokvalitetno industrijski tocak sa pravougaonom plocam kao sistemom za montazu. Kuciste je izradjeno od gvozdje ili gvozdje kovano, tesko materijala koji obezbedjuje izuzetnu izdrzljivost i stabilnost. Tocak se sastoji od tela napravljenog od celik, gvozdje materijala sa gaznom povrsinom od poliuretana, liveno koja pruza odlicnu otpornost na habanje, dok precizini kuglicni lezaj garantuje glatko i pouzdano funkcionisanje. Tocak ima precnik od 80 mm, a ukupna visina konstrukcije iznosi 135 mm. Dinamicki nosivost tocka je 600 kg pri brzini od 4 km/h ili 500 kg pri brzini od 6 km/h, dok staticka nosivost doseze 1000 kg. Ovaj tocak je idealan za primenu u vazduhoplovnoj industriji i opremi za aerodrome, AMR sistemima, automobilskom OEM sektoru, proizvodjacima keramike i stakla, proizvodnim i platformskim kolicima, kao i teskim AGV sistemima.

80 mm
135 mm
600 kg
80 mm
135 mm
600 kg