Preskoči na glavni sadržaj Preskoči na pretragu Preskoči na glavnu navigaciju
Dobrodošli na našu redizajniranu veb stranicu!
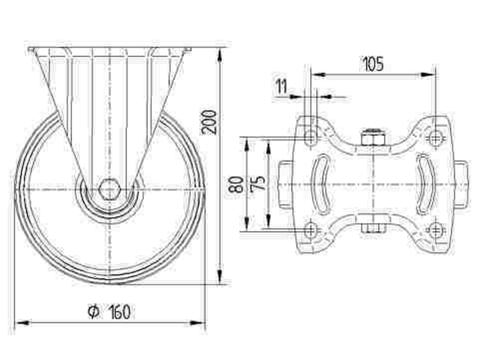
Alpha stainless fiksni točak predstavlja visokokvalitetno rešenje za profesionalnu upotrebu, opremljen pravougaonom pločom kao sistemom za montažu. Kućište je izrađeno od nerđajućeg čelika, teške konstrukcije, što obezbeđuje izuzetnu otpornost i dugotrajnost u zahtevnim uslovima rada. Točak se sastoji od tela izrađenog od poliamida i gazne površine od livenog poliuretana, dok je opremljen kotrljajućim ležajem od nerđajućeg čelika za optimalne performanse. Prečnik točka iznosi 160 mm, a ukupna visina proizvoda je 200 mm. Dinamička nosivost dostiže 350 kg pri brzini od 4 km/h, dok statička nosivost iznosi 700 kg. Proizvod je idealan za ketering kolica i sisteme za distribuciju obroka, izgradnju kontejnera, elektronske sisteme i clean-room tehnologiju, protivpožarnu tehnologiju i zaštitu od požara, mašinsku konstrukciju, kao i transportnu opremu.
Performanse rolovanja
Šum pokreta
Atricija
Otpornost na koroziju
Šifre artikala
Broj artikla
8478UAD160P63 natural/3004
EAN
4031582313246
S4 broj materijala
990035530
Основни атрибути
Tip
Fiksni Tocak
Ukupna širina
115 mm
Nosivost na 4 km/h
350 kg
Statički Nosivost
700 kg
Sveukupna visina
200 mm
Opseg temperature (maksimalni)
80 °C
Temperaturni opseg (Minimalno)
-25 °C
Ukupna težina
1.61 kg
Naziv proizvoda
Alpha stainless
Standard
EN12532 - transportna oprema
Električni provod
nerdjajuci
Ugradnja
Tip uklapanja
Pravougaona ploča
Prečnik otvora ploče
11 mm
Dužina otvora ploče (maksimalna)
80 mm
Dužina otvora ploče (Minimalno)
75 mm
Širina otvora ploče (maksimalna)
105 mm
Širina otvora ploče (Minimalno)
75 mm
Dužina ploče
137 mm
Širina ploče
115 mm
Kućište
Boja
nerdjajuci čelik
oblik viljuska
siroko
Materijal
nerdjajuci čelik, težak
Точак
Teškoća gazećeg omotac (A)
92 Šor A
Teškoća gazećeg omotac (D)
42 Šor D
Materijal za telo
poliamid
materijal omotaca
Poliuretan, liveno
Širina omotac
40 mm
Prečnik
160 mm
Širina tela
40 mm
osovina
Završena sa navrtkom
Nošenje
kotrljajuci lezaj, nerdjajuci
Boja Tocak
Prirodno belo
special-features-image
Specijalne funkcije
TENTE's OMIKRON castors are engineered for exceptional performance under extreme conditions. Featuring a solid welded steel construction, these castors can transport the heaviest loads with high steering stability and excellent maneuverability.
Nehazardni materijali
U skladu sa RoHS i REACH direktivama. Ne sadrži policiklične aromatične ugljovodonike niti hrom (VI)
Testirani kvalitet
Testirano u našem sopstvenom laboratoriju na usklađenost sa evropskim standardima
Čvrsto kućište
Izrađeno od presovanog, pocinkovanog čelika
Varijabilne opcije montaže
Različite dimenzije montaže za širok spektar primena
Zamena delova koja štedi resurse
Navojne osovine omogućavaju laku zamenu točkova
Neprekidna upotreba
Okretni ležaj sa prstenom protiv prašine za kontinuirano, neprekidno kretanje
Kretanje bez tragova
Točkovi sa smanjenim habanjem i malim zahtevima za čišćenje
Trajna mogućnost pranja
Svi metalni delovi izrađeni od nerđajućeg čelika
Materijali sa niskim održavanjem
Svi metalni delovi izrađeni od aluminijuma ili nerđajućeg čelika
Preskoči galeriju proizvoda

Unakrsna prodaja

Varijante
Okretanje Tocak 160 mm
Okretanje Tocak 160 mm
Alpha stainless
8470UAD160P63 natural/3004

Alpha stainless okretanje točak predstavlja visokokvalitetno rešenje za profesionalnu upotrebu, opremljen pravougaonom pločom za montažu. Kućište je izrađeno od nerđajućeg čelika, teške konstrukcije, sa sistemom okretanja na dve lopte koji obezbeđuje glatko i precizno upravljanje. Točak ima prečnik od 160 mm, sa telom od poliamida i gazećom površinom od livenog poliuretana, dok je ležaj kotrljajući nerđajući za dugotrajnu upotrebu. Ukupna visina konstrukcije iznosi 200 mm. Dinamička nosivost je 350 kg pri brzini od 4 km/h, dok statička nosivost dostiže 700 kg. Proizvod je idealan za ketering kolica i sisteme za distribuciju obroka, izgradnju kontejnera, elektronske sisteme i clean-room tehnologiju, protivpožarnu tehnologiju i zaštitu od požara, mašinsku konstrukciju, kao i različitu transportnu opremu.

Srednje opterećenje
160 mm
200 mm
Srednje opterećenje
160 mm
200 mm
Varijante
Okreni Tocak sa potpuna kocnica 160 mm
Okreni Tocak sa potpuna kocnica 160 mm
Alpha stainless
8477UAD160P63 natural/3004

Alpha stainless je okreni točak sa potpuna kočnica opremljen pravougaonom pločom za montažu. Kućište je izrađeno od nerđajućeg čelika, teška konstrukcija, sa okretnim ležajem na dve lopte koji omogućava glatko okretanje. Točak ima telo od poliamida sa gazećom površinom od poliuretana, liveno, prečnika 160 mm, dok je ležaj kotrljajući, nerđajući za dugotrajnu upotrebu. Ukupna visina točka iznosi 200 mm. Dinamička nosivost je 350 kg pri brzini od 4 km/h, dok statička nosivost dostiže 700 kg. Ovaj točak je idealan za ketering kolica i sisteme za distribuciju obroka, izgradnju kontejnera, elektronske sisteme i clean-room tehnologiju, protivpožarnu tehnologiju i zaštitu od požara, mašinsku konstrukciju te transportnu opremu.

Srednje opterećenje
160 mm
200 mm
Srednje opterećenje
160 mm
200 mm