Skip to main content Skip to search Skip to main navigation
Welcome to our newly redesigned website!
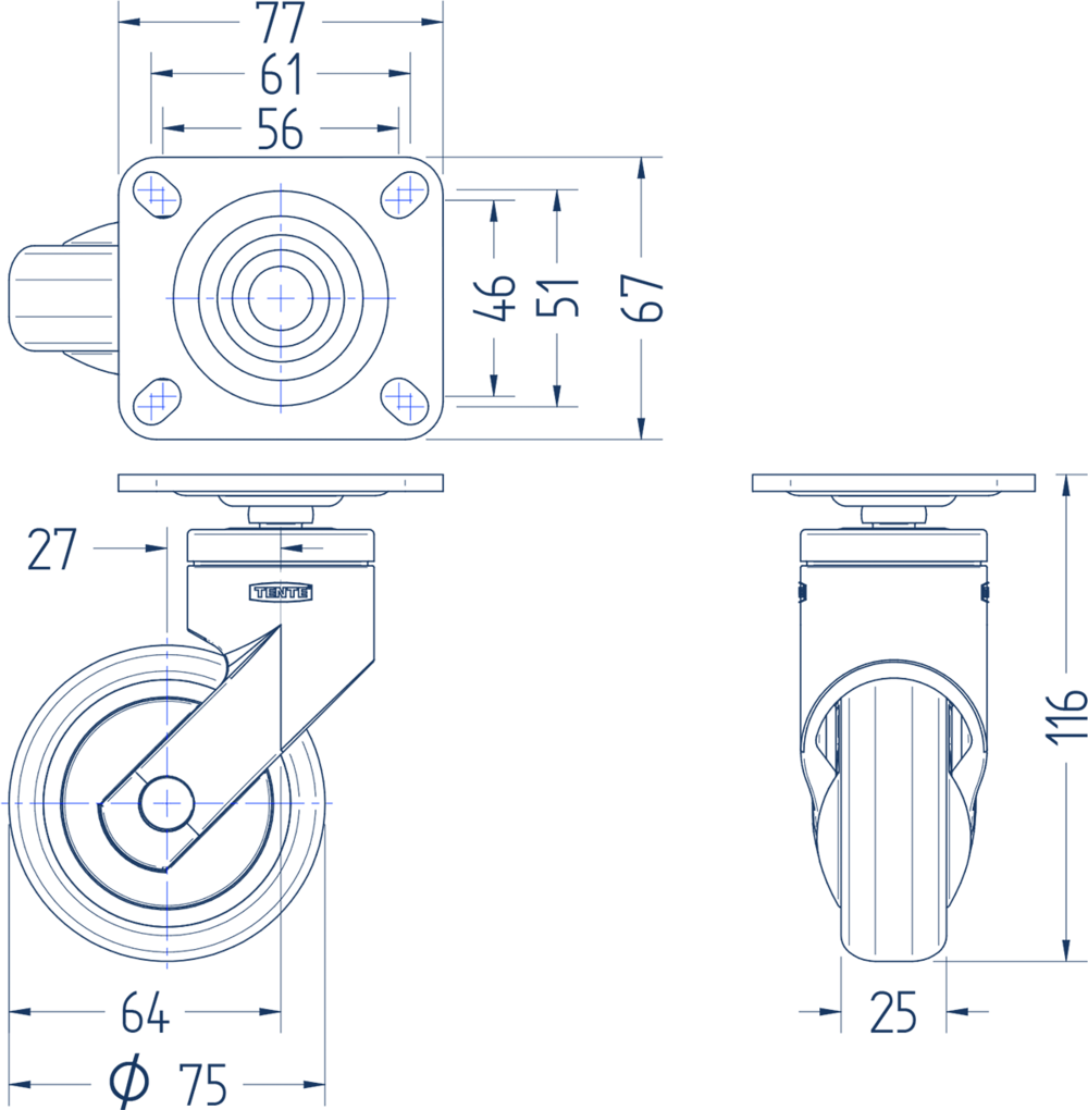
The Levina light swivel castor features a rectangular plate fitting and incorporates a polyamide housing with a stem, swiveling swivel bearing design for smooth directional changes. The wheel construction combines a polypropylene body with thermoplastic rubber tread material, mounted on precision ball bearings to ensure reliable performance and reduced rolling resistance. With a wheel diameter of 75 mm, the castor achieves an overall height of 115.5 mm, making it suitable for various mobile equipment applications. The unit provides a dynamic load capacity of 75 kg at speeds up to 3 km/h and a static load capacity of 150 kg, making it ideal for anesthesia carts, C-arms, CT scanners, MRI, X-ray equipment, computers on wheels, dialysis carts, medication carts, nursing carts, ultrasound devices, and ventilators in medical and healthcare environments.
Roll performance
Movement noise
Attrition
Corrosion resistance
Article numbers
Article Number
5220PJP075P50
EAN
4031582492408
Core attributes
Type
Swivel castor
Load capacity at 3 km/h
75 kg
Load capacity Static
150 kg
Overall height
115.5 mm
Temperature range (Maximum)
40 °C
Temperature range (Minimum)
-10 °C
Overall weight
0.34 kg
Product name
Levina light
Standard
EN12530 - Devices Castors
Electric conductive
Stainless
Fitting
Fitting type
Rectangular plate
Bolt hole diameter
10 mm
Plate hole diameter
8.5 mm
Plate hole length (Maximum)
61.5 mm
Plate hole length (Minimum)
56 mm
Plate hole width (Maximum)
51.5 mm
Plate hole width (Minimum)
46.5 mm
Plate length
77 mm
Plate width
67 mm
Housing
Fork shape
Straight
Material fork
Polyamide
Swivel bearing
Stem, swiveling
Swivel interference
129 mm
Offset
27 mm
Swivel radius
64.5 mm
Wheel
Hardness of tread (A)
87 Shore A
Body material
Polypropylene
Tread material
Thermoplastic rubber
Tread width
25 mm
Diameter
75 mm
Threadguards
With threadguard
Bearing
Precision ball bearing
special-features-image
Special Features
Non-hazardous materials
Complies with RoHS and REACH regulations. Does not contain polycyclic aromatic carbons or chromium (VI).
Tested quality
Tested in our own laboratory for compliance with European standards.
Colour matching
Colours can be adapted to match the product design
Low-maintenance wheels
Thread guards for unobstructed operation with minimal cleaning effort.
Non-marking movement
Wheels with reduced abrasion and little cleaning requirement.
Skip product gallery

Crossselling

Variants
Swivel castor 75 mm
Swivel castor 75 mm
Levina light
5220PJP075P50

The Levina light swivel castor features a rectangular plate fitting and incorporates a polyamide housing with a stem, swiveling swivel bearing design for smooth directional changes. The wheel construction combines a polypropylene body with thermoplastic rubber tread material, mounted on precision ball bearings to ensure reliable performance and reduced rolling resistance. With a wheel diameter of 75 mm, the castor achieves an overall height of 115.5 mm, making it suitable for various mobile equipment applications. The unit provides a dynamic load capacity of 75 kg at speeds up to 3 km/h and a static load capacity of 150 kg, making it ideal for anesthesia carts, C-arms, CT scanners, MRI, X-ray equipment, computers on wheels, dialysis carts, medication carts, nursing carts, ultrasound devices, and ventilators in medical and healthcare environments.

75 mm
Light Duty | < 150 kg
115.5 mm
75 mm
Light Duty | < 150 kg
115.5 mm