Skip to main content Skip to search Skip to main navigation
Welcome to our newly redesigned website!
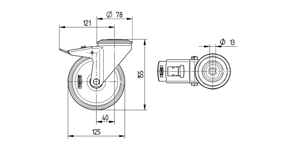
The Alpha swivel castor with total lock features a bolt hole fitting for secure mounting applications. The housing is constructed from heavy steel sheet material and incorporates two ball races for the swivel bearing mechanism, ensuring smooth directional movement and reliable locking functionality. The wheel comprises a polypropylene body with tread material identical to the wheel body, providing consistent performance characteristics, whilst utilising a plain bearing system for rotational movement. The wheel diameter measures 125mm with an overall height of 155mm. Load specifications include a dynamic capacity of 125kg at speeds up to 4km/h and a static load capacity of 250kg, making it suitable for automotive OEM applications, catering carts and meal delivery systems, container construction, electronic systems and clean-room technology, fire fighting technology and fire protection, machine construction, post logistic systems, production and platform trolleys, roll cages, tool cabinets, transport equipment, waste disposal equipment, and work benches.
Roll performance
Movement noise
Attrition
Corrosion resistance
Article numbers
Article Number
3477POO125P30-13
EAN
4031582305517
Core attributes
Type
Swivel castor with total lock
Load capacity at 4 km/h
125 kg
Load capacity Static
250 kg
Overall height
155 mm
Temperature range (Maximum)
60 °C
Temperature range (Minimum)
-20 °C
Overall weight
0.99 kg
Product name
Alpha
Standard
EN12532 - Transport Equipment
Electric conductive
Stainless
Fitting
Fitting type
Bolt hole
Bolt hole diameter
13 mm
Housing
Colour
Blue passivated
Fork shape
Broad
Material fork
Steel sheet, heavy
Swivel bearing
Two ball races
Swivel interference
246 mm
Offset
40 mm
Swivel radius
123 mm
Wheel
Hardness of tread (D)
65 Shore D
Body material
Polypropylene
Tread material
Identical with wheel body
Tread width
40 mm
Diameter
125 mm
Threadguards
Without threadguard
Axle
Screwed with nut
Bearing
Plain bearing
special-features-image
Special Features
Non-hazardous materials
Complies with RoHS and REACH regulations. Does not contain polycyclic aromatic carbons or chromium (VI).
Tested quality
Tested in our own laboratory for compliance with European standards.
Solid housing
Made of pressed steel, zinc plated.
Prevents unintended movement
Wheel lock for manual operation
Secured stand
Total lock for simultaneously locking the wheel and swivel housing.
Variable fitting options
Different fitting dimensions for a large range of applications.
Resource-conserving part replacement
Threaded axles allow effortless wheel change.
Uninterrupted use
Swivel bearing with dust ring for continuous, uninterrupted movement.
Low wear and tear wheels
Durable wheels with extremely low wear and tear properties.
Easy steering
Double ball bearing swivel head.
Skip product gallery

Matching Products

Variants
Swivel castor 125 mm
Swivel castor 125 mm
Alpha
3470POO125P30-13

The Alpha swivel castor features a bolt hole fitting for secure mounting applications. The housing is constructed from heavy steel sheet material and incorporates two ball races for the swivel bearing mechanism, ensuring smooth directional movement and enhanced durability. The wheel comprises a polypropylene body with tread material identical to the wheel body, providing consistent performance characteristics, whilst utilising a plain bearing system for reliable rotation. The wheel measures 125 mm in diameter, and the castor has an overall height of 155 mm. Load capacity specifications include a dynamic rating of 125 kg at 4 km/h operating speed and a static load capacity of 250 kg, making it suitable for automotive OEM, catering carts and meal delivery systems, container construction, electronic systems and clean-room technology, fire fighting technology and fire protection, machine construction, post logistic systems, production and platform trolleys, roll cages, tool cabinets, transport equipment, waste disposal equipment, and work benches.

125 mm
155 mm
125 kg
125 mm
155 mm
125 kg
Skip product gallery

Matching Products

Variants
Swivel castor 125 mm
Swivel castor 125 mm
Alpha
3470POO125P30-13

The Alpha swivel castor features a bolt hole fitting for secure mounting applications. The housing is constructed from heavy steel sheet material and incorporates two ball races for the swivel bearing mechanism, ensuring smooth directional movement and enhanced durability. The wheel comprises a polypropylene body with tread material identical to the wheel body, providing consistent performance characteristics, whilst utilising a plain bearing system for reliable rotation. The wheel measures 125 mm in diameter, and the castor has an overall height of 155 mm. Load capacity specifications include a dynamic rating of 125 kg at 4 km/h operating speed and a static load capacity of 250 kg, making it suitable for automotive OEM, catering carts and meal delivery systems, container construction, electronic systems and clean-room technology, fire fighting technology and fire protection, machine construction, post logistic systems, production and platform trolleys, roll cages, tool cabinets, transport equipment, waste disposal equipment, and work benches.

125 mm
155 mm
125 kg
125 mm
155 mm
125 kg