Skip to main content Skip to search Skip to main navigation
Welcome to our newly redesigned website!
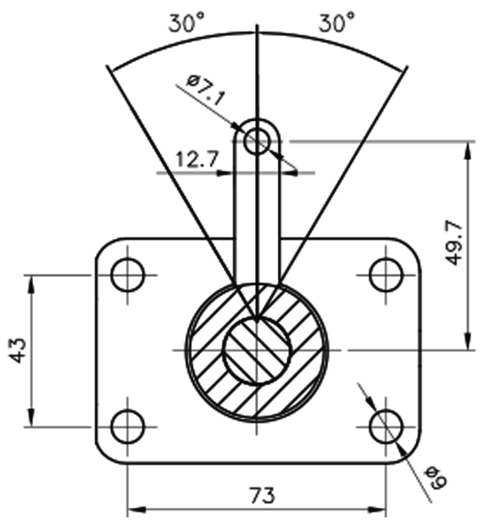
The Forma swivel castor with central locking (directional lock, free, wheel lock) features a rectangular plate fitting for secure mounting. The housing is constructed from zinc-die-casting/aluminium with a precision ball bearing swivel mechanism ensuring smooth operation. The wheel comprises a polyamide body with an elastic tyre, non-marking, vulcanised tread material, mounted on precision ball bearings for optimal performance. With a wheel diameter of 150 mm, the castor has an overall height of 207 mm. The dynamic load capacity is rated at 135 kg at speeds up to 3 km/h. This castor is specifically designed for medical applications including anaesthesia carts, C-arms, CT scanners, MRI, X-ray equipment, medication carts, nursing carts, and ultrasound devices, providing reliable mobility with precise directional control.
Roll performance
Movement noise
Attrition
Corrosion resistance
Article numbers
Article Number
694GUFP150P33 Q1-L30 grey
EAN
4031582476378
Core attributes
Type
Swivel castor with central locking (directional lock, free, wheel lock)
Overall width
80 mm
Load capacity at 3 km/h
135 kg
Overall height
207 mm
Temperature range (Maximum)
120 °C
Temperature range (Minimum)
-18 °C
Product name
Forma
Electric conductive
Stainless
Fitting
Fitting type
Rectangular plate
Plate hole diameter
9 mm
Plate hole length (Maximum)
73 mm
Plate hole width (Maximum)
43 mm
Plate length
92 mm
Plate width
64 mm
Housing
Fork shape
Twin wheel housing
Material fork
Zinc-die-casting / Aluminium
Swivel bearing
Precision ball bearing
Offset
57 mm
Swivel radius
137 mm
Wheel
Hardness of tread (A)
60 Shore A
Body material
Polyamide
Tread material
Elastic tire, non-marking, vulcanized
Tread width
18 mm
Diameter
150 mm
Threadguards
With threadguard
Bearing
Precision ball bearing
special-features-image
Special Features
Non-hazardous materials
Complies with RoHS and REACH regulations. Does not contain polycyclic aromatic carbons or chromium (VI).
Tested quality
Tested in our own laboratory for compliance with European standards.
Solid housing
Made of pressed steel, zinc plated.
Prevents unintended movement
Wheel lock for manual operation
User-friendly central lock
Simultaneous locking of more than one castor using a central actuation lever.
Low-maintenance wheels
Thread guards for unobstructed operation with minimal cleaning effort.
Non-marking movement
Wheels with reduced abrasion and little cleaning requirement.
Quiet rolling
Soft wheel versions for a quiet working environment.
Low-vibration transport
Extra soft wheels with good shock absorbing properties.
Low maintenance materials
All metal components made of Aluminum or rust-free stainless steel.