Skip to main content Skip to search Skip to main navigation
Welcome to our newly redesigned website!
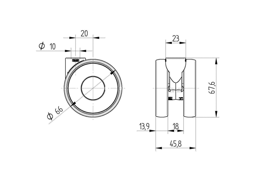
The Linea light swivel castor features a blind hole for B10 fitting system for secure mounting applications. The housing is constructed from durable polyamide material and incorporates a stem, swivelling bearing mechanism that ensures smooth directional changes and reliable operation. The wheel assembly consists of a polyamide body fitted with an injected polyurethane tread that provides excellent floor protection and quiet rolling performance, supported by a plain bearing with spacer tube for consistent rotation. With a wheel diameter of 65 mm, the castor achieves an overall height of 68 mm, making it suitable for compact installations. The unit offers a dynamic load capacity of 60 kg at speeds up to 3 km/h and a static load capacity of 120 kg, making it ideal for medical equipment including anaesthesia carts, bedside tables, C-arms, CT scanners, MRI and X-ray systems, catering carts, computers on wheels, dialysis equipment, office furniture and chairs, ultrasound devices, ventilators, and professional cleaning carts in hospitals and nursing facilities.
Roll performance
Movement noise
Attrition
Corrosion resistance
Article numbers
Article Number
5920UAI065L51-10
EAN
4031582403909
Core attributes
Type
Swivel castor
Overall width
46 mm
Load capacity at 3 km/h
60 kg
Load capacity Static
120 kg
Overall height
68 mm
Temperature range (Maximum)
40 °C
Temperature range (Minimum)
-10 °C
Overall weight
0.1 kg
Product name
Linea light
Standard
EN12528 - Furniture Castors
Electric conductive
Stainless
Fitting
Fitting type
Blind hole for B10
Bolt hole diameter
10 mm
Housing
Fork shape
Twin wheel housing
Material fork
Polyamide
Swivel bearing
Stem, swiveling
Dome diameter
23 mm
Swivel interference
112 mm
Swivel radius
56 mm
Wheel
Hardness of tread (A)
87 Shore A
Body material
Polyamide
Tread material
Polyurethane, injected
Tread width
13.9 mm
Diameter
65 mm
Threadguards
Without threadguard
Bearing
Plain bearing with spacer tube

Deutscher Designer Club

Deutscher Designer Club

Interzum Award

Interzum Award

IF Design Award

IF Design Award

special-features-image
Special Features
Non-hazardous materials
Complies with RoHS and REACH regulations. Does not contain polycyclic aromatic carbons or chromium (VI).
Tested quality
Tested in our own laboratory for compliance with European standards.
Colour matching
Colours can be adapted to match the product design
Award-winning design
Awarded with prestigious prizes by international juries.
Non-marking movement
Wheels with reduced abrasion and little cleaning requirement.
Optimised manoeuvrability
Twin wheel castor with high manoeuvrability due to differential effect.
Individual branding
Engraved, casted or printed.
Fascinating picture prints
Entire wheel caps printable with almost every theme.
Skip product gallery

Matching Products

Swivel castor with wheel brake 65 mm
Linea light
5925UAI065L51-10

The Linea light swivel castor with wheel brake features a blind hole for B10 fitting system for secure mounting applications. The housing is constructed from durable polyamide material and incorporates a stem, swivelling bearing mechanism that ensures smooth directional changes and reliable operation. The wheel assembly consists of a polyamide body fitted with an injected polyurethane tread that provides excellent floor protection and quiet operation, supported by a plain bearing with spacer tube for enhanced durability and consistent performance. The castor measures 68mm in overall height and is equipped with a 65mm diameter wheel. Load specifications include a dynamic capacity of 60kg at speeds up to 3km/h and a static load capacity of 120kg, making it suitable for demanding applications including anaesthesia carts, bedside tables, C-arms, CT scanners, MRI, X-ray equipment, catering carts, meal delivery systems, computers on wheels, dialysis carts, furniture, media furniture, medication carts, nursing carts, office chairs, office furniture, ultrasound equipment, ventilators, and professional cleaning carts.

65 mm
68 mm
60 kg
65 mm
68 mm
60 kg
Swivel castor with wheel brake 65 mm
Linea light
5925UAI065L51-10 KICK PEDAL

The Linea light swivel castor with wheel brake features a blind hole for B10 fitting system for secure mounting applications. The housing is constructed from durable polyamide material and incorporates a stem, swivelling bearing mechanism that ensures smooth directional changes and reliable operation. The wheel assembly consists of a polyamide body fitted with an injected polyurethane tread that provides excellent floor protection and quiet operation, supported by a plain bearing with spacer tube for enhanced durability and consistent performance. The castor measures 68mm in overall height and is equipped with a 65mm diameter wheel. Load specifications include a dynamic capacity of 60kg at speeds up to 3km/h and a static load capacity of 120kg, making it suitable for demanding applications including anaesthesia carts, bedside tables, C-arms, CT scanners, MRI, X-ray equipment, catering carts, meal delivery systems, computers on wheels, dialysis carts, furniture, media furniture, medication carts, nursing carts, office chairs, office furniture, ultrasound equipment, ventilators, and professional cleaning carts.

65 mm
68 mm
60 kg
65 mm
68 mm
60 kg