Skip to main content Skip to search Skip to main navigation
Welcome to our newly redesigned website!
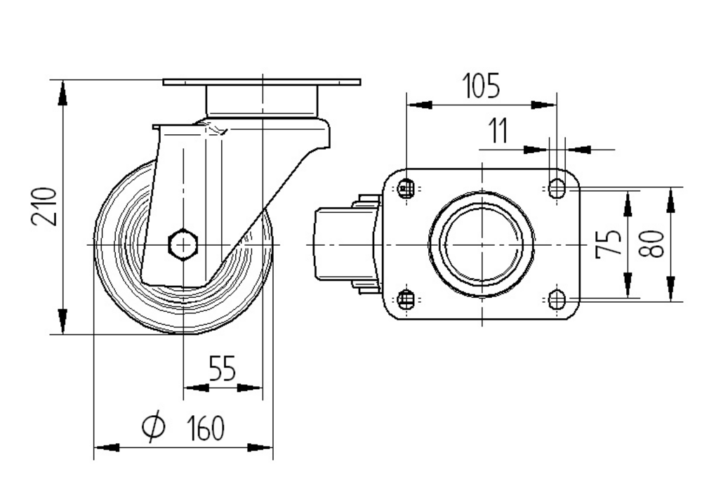
The Delta swivel castor features a medium rectangular plate fitting for secure mounting applications. The housing is constructed from heavy steel sheet and incorporates a precision ball bearing swivel bearing system for smooth directional changes. The wheel comprises a heavy sheet steel body fitted with an elastic tyre that is non-marking and vulcanised, mounted on precision ball bearings for optimal rolling performance. With a wheel diameter of 160 mm, the castor has an overall height of 210 mm. Load capacity specifications include dynamic ratings of 540 kg at 4 km/h and 430 kg at 6 km/h operating speeds, whilst the static load capacity reaches 1080 kg. This robust castor is engineered for demanding applications including airport equipment, automotive OEM, post logistic systems, production and platform trolleys, and transport equipment.
Roll performance
Movement noise
Attrition
Corrosion resistance
Article numbers
Article Number
3640SFP160P63
EAN
4031582365504
S4 Material Number
990837512
Core attributes
Type
Swivel castor
Overall width
94 mm
Load capacity at 4 km/h
540 kg
Load capacity at 6 km/h
430 kg
Load capacity Static
1080 kg
Overall height
210 mm
Temperature range (Maximum)
85 °C
Temperature range (Minimum)
-20 °C
Overall weight
3.12 kg
Product name
Delta
Standard
EN12532 - Transport Equipment
Electric conductive
Stainless
Fitting
Fitting type
Medium rectangular plate
Plate hole diameter
11 mm
Plate hole length (Maximum)
80 mm
Plate hole length (Minimum)
75 mm
Plate hole width (Maximum)
105 mm
Plate hole width (Minimum)
105 mm
Plate length
137 mm
Plate width
105 mm
Housing
Colour
Blue passivated
Fork shape
Broad, reinforced
Material fork
Steel sheet, heavy
Swivel bearing
Precision ball bearing
Dome diameter
94 mm
Swivel interference
270 mm
Offset
55 mm
Swivel radius
135 mm
Wheel
Hardness of tread (A)
67 Shore A
Body material
Sheet steel, heavy
Tread material
Elastic tire, non-marking, vulcanized
Tread width
50 mm
Diameter
160 mm
Body width
50 mm
Threadguards
With threadguard
Axle
Screwed with nut
Bearing
Precision ball bearing
Wheel color
Grey
special-features-image
Special Features
Non-hazardous materials
Complies with RoHS and REACH regulations. Does not contain polycyclic aromatic carbons or chromium (VI).
Tested quality
Tested in our own laboratory for compliance with European standards.
Solid housing
Made of pressed steel, zinc plated.
Resource-conserving part replacement
Threaded axles allow effortless wheel change.
Uninterrupted use
Swivel bearing with dust ring for continuous, uninterrupted movement.
Strong construction
Housing made of heavy steel for high load capacity.
Low-maintenance wheels
Thread guards for unobstructed operation with minimal cleaning effort.
Non-marking movement
Wheels with reduced abrasion and little cleaning requirement.
Quiet rolling
Soft wheel versions for a quiet working environment.
Low-vibration transport
Extra soft wheels with good shock absorbing properties.
Optimised directional lock
Directional lock can be adjusted to your requirements to 2x180° or 4x90°.
Extra heavy duty construction
Welded solid steel construction for highest load capacity.
Heavy duty construction
Extra heavy steel housing for high load capacity.
Flexible lock function
Use of two independent actuation systems in one castor.
Skip product gallery

Accessories

Wheel 160 mm
Elastech
SFP 160x50-Ø20 HL60 plus

The Elastech castor wheel features a 160 mm diameter with a 50 mm wide elastic tyre, non-marking, vulcanised tread mounted on a sheet steel, heavy body construction. The wheel incorporates a precision ball bearing system with a 20 mm axle hole diameter and 60 mm hub length. Load capacity specifications include a static load rating of 900 kg, whilst dynamic load capacity varies with operating speed: 540 kg at 4 km/h and 450 kg at 6 km/h, making it suitable for demanding industrial applications requiring reliable performance.

160 mm
Heavy Duty | 500 - 1.500 kg
160 mm
Heavy Duty | 500 - 1.500 kg
Skip product gallery

Crossselling

Variants
Fixed castor 160 mm
Fixed castor 160 mm
Delta
3648SFP160P63

The Delta fixed castor features a medium rectangular plate fitting for secure mounting applications. The housing is constructed from steel sheet, heavy-duty material ensuring robust performance in demanding environments. The wheel incorporates a sheet steel, heavy body fitted with an elastic tyre, non-marking, vulcanised tread material and precision ball bearing for smooth operation, with a diameter of 160 mm. The overall height measures 210 mm, providing optimal clearance for various applications. Load capacity specifications include dynamic ratings of 540 kg at 4 km/h and 430 kg at 6 km/h operating speeds, whilst the static load capacity reaches 1080 kg. This castor is specifically designed for airport equipment, automotive OEM, post logistic systems, production and platform trolleys, and transport equipment applications.

160 mm
Heavy Duty | 500 - 1.500 kg
210 mm
160 mm
Heavy Duty | 500 - 1.500 kg
210 mm
Variants
Swivel castor with total lock, head end of castor 160 mm
Swivel castor with total lock, head end of castor 160 mm
Delta
3642SFP160P63 f.d-lock

The Delta is a swivel castor with total lock, head end of castor, featuring a medium rectangular plate fitting for secure mounting applications. The housing is constructed from steel sheet, heavy material and incorporates a precision ball bearing swivel bearing system for smooth directional changes and enhanced durability. The wheel comprises a sheet steel, heavy body fitted with an elastic tyre, non-marking, vulcanized tread material, supported by precision ball bearing technology, with a diameter of 160 mm for optimal performance across various surfaces. The castor has an overall height of 210 mm, making it suitable for medium to heavy-duty applications. Load specifications include a dynamic capacity of 540 kg at 4 km/h and 430 kg at 6 km/h operating speeds, with a static load capacity of 1080 kg, making it ideal for airport equipment, automotive OEM, post logistic systems, production and platform trolleys, and transport equipment applications.

160 mm
Heavy Duty | 500 - 1.500 kg
210 mm
160 mm
Heavy Duty | 500 - 1.500 kg
210 mm