Skip to main content Skip to search Skip to main navigation
Welcome to our newly redesigned website!
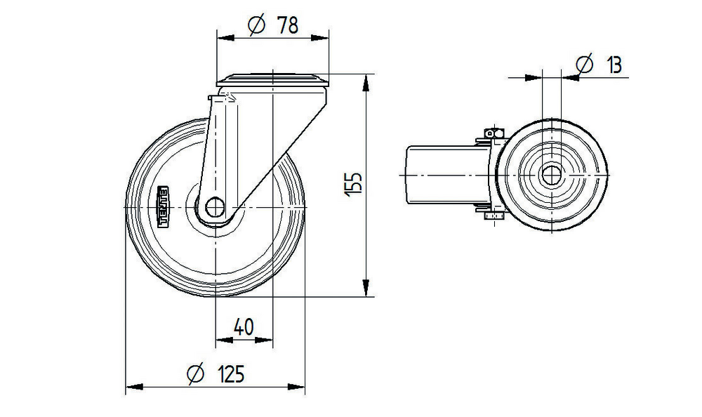
The Alpha swivel castor features a bolt hole fitting for secure mounting applications. The housing is constructed from heavy steel sheet and incorporates a two ball races swivel bearing system for smooth directional movement. The wheel comprises a polypropylene body with solid rubber, non-marking tread material and is equipped with a roller bearing for enhanced performance, measuring 125 mm in diameter. The castor has an overall height of 155 mm. Load specifications include a dynamic capacity of 100 kg at speeds up to 4 km/h and a static load capacity of 200 kg. This castor is suitable for automotive OEM, catering carts and meal delivery systems, container construction, electronic systems and clean-room technology, fire fighting technology and fire protection, machine construction, post logistic systems, production and platform trolleys, roll cages, tool cabinets, transport equipment, waste disposal equipment, and work benches.
Roll performance
Movement noise
Attrition
Corrosion resistance
Article numbers
Article Number
3470PIR125P30-13
EAN
4031582303858
Core attributes
Type
Swivel castor
Overall width
75 mm
Load capacity at 4 km/h
100 kg
Load capacity Static
200 kg
Overall height
155 mm
Temperature range (Maximum)
60 °C
Temperature range (Minimum)
-20 °C
Overall weight
1.05 kg
Product name
Alpha
Standard
EN12532 - Transport Equipment
Electric conductive
Stainless
Fitting
Fitting type
Bolt hole
Bolt hole diameter
13 mm
Housing
Colour
Blue passivated
Fork shape
Broad
Material fork
Steel sheet, heavy
Swivel bearing
Two ball races
Swivel interference
205 mm
Offset
40 mm
Swivel radius
102.5 mm
Wheel
Hardness of tread (A)
80 Shore A
Body material
Polypropylene
Tread material
Solid rubber, non-marking
Tread width
37 mm
Diameter
125 mm
Body width
37 mm
Threadguards
Without threadguard
Axle
Screwed with nut
Bearing
Roller bearing
Wheel color
Graphite black (RAL9011)
special-features-image
Special Features
Non-hazardous materials
Complies with RoHS and REACH regulations. Does not contain polycyclic aromatic carbons or chromium (VI).
Tested quality
Tested in our own laboratory for compliance with European standards.
Solid housing
Made of pressed steel, zinc plated.
Variable fitting options
Different fitting dimensions for a large range of applications.
Resource-conserving part replacement
Threaded axles allow effortless wheel change.
Uninterrupted use
Swivel bearing with dust ring for continuous, uninterrupted movement.
Non-marking movement
Wheels with reduced abrasion and little cleaning requirement.
Easy steering
Double ball bearing swivel head.
Skip product gallery

Matching Products

Variants
Swivel castor with total lock 125 mm
Swivel castor with total lock 125 mm
Alpha
3477PIR125P30-13

The Alpha swivel castor with total lock features a bolt hole fitting for secure mounting applications. The housing is constructed from heavy steel sheet and incorporates two ball races for the swivel bearing mechanism, ensuring smooth directional movement and reliable locking functionality. The wheel comprises a polypropylene body with solid rubber, non-marking tread material, mounted on roller bearings for enhanced durability and reduced rolling resistance. With a wheel diameter of 125 mm, the castor has an overall height of 155 mm. The unit offers a dynamic load capacity of 100 kg at speeds up to 4 km/h and a static load capacity of 200 kg, making it suitable for automotive OEM, catering carts and meal delivery systems, container construction, electronic systems and clean-room technology, fire fighting technology and fire protection, machine construction, post logistic systems, production and platform trolleys, roll cages, tool cabinets, transport equipment, waste disposal equipment, and work benches.

125 mm
155 mm
100 kg
125 mm
155 mm
100 kg
Skip product gallery

Matching Products

Variants
Swivel castor with total lock 125 mm
Swivel castor with total lock 125 mm
Alpha
3477PIR125P30-13

The Alpha swivel castor with total lock features a bolt hole fitting for secure mounting applications. The housing is constructed from heavy steel sheet and incorporates two ball races for the swivel bearing mechanism, ensuring smooth directional movement and reliable locking functionality. The wheel comprises a polypropylene body with solid rubber, non-marking tread material, mounted on roller bearings for enhanced durability and reduced rolling resistance. With a wheel diameter of 125 mm, the castor has an overall height of 155 mm. The unit offers a dynamic load capacity of 100 kg at speeds up to 4 km/h and a static load capacity of 200 kg, making it suitable for automotive OEM, catering carts and meal delivery systems, container construction, electronic systems and clean-room technology, fire fighting technology and fire protection, machine construction, post logistic systems, production and platform trolleys, roll cages, tool cabinets, transport equipment, waste disposal equipment, and work benches.

125 mm
155 mm
100 kg
125 mm
155 mm
100 kg