Skip to main content Skip to search Skip to main navigation
Welcome to our newly redesigned website!

CAD files

Documents

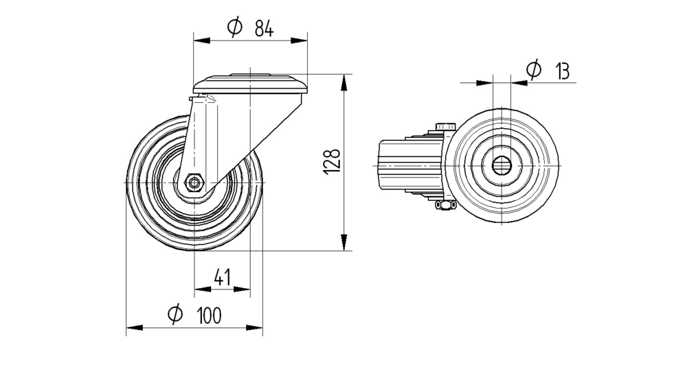
The Alpha stainless swivel castor features a bolt hole fitting for secure mounting applications. The housing is constructed from heavy stainless steel and incorporates two ball races for the swivel bearing mechanism, ensuring smooth directional movement and enhanced durability. The wheel comprises a polyamide electric conductive body with an injected polyurethane electric-conductive tread, mounted on precision ball bearings made from stainless steel for optimal performance and longevity. The wheel diameter measures 100mm, whilst the overall height of the complete assembly is 128mm. Load specifications include a dynamic capacity of 200kg at speeds up to 4km/h and a static load capacity of 400kg, making it suitable for demanding applications including catering carts and meal delivery systems, container construction, electronic systems and clean-room technology, fire fighting technology and fire protection, machine construction, and transport equipment.
Roll performance
Movement noise
Attrition
Corrosion resistance
Article numbers
Article Number
8470XSC100P30-13
EAN
4031582381603
S4 Material Number
990062784
Core attributes
Type
Swivel castor
Overall width
75 mm
Load capacity at 4 km/h
200 kg
Load capacity Static
400 kg
Overall height
128 mm
Temperature range (Maximum)
80 °C
Temperature range (Minimum)
-25 °C
Overall weight
0.73 kg
Product name
Alpha stainless
Standard
EN12532 - Transport Equipment
Electric conductive
Stainless
Fitting
Fitting type
Bolt hole
Bolt hole diameter
13 mm
Housing
Colour
Stainless steel
Fork shape
Broad
Material fork
Stainless steel, heavy
Swivel bearing
Two ball races
Dome diameter
75 mm
Swivel interference
182 mm
Offset
41 mm
Swivel radius
91 mm
Wheel
Hardness of tread (A)
92 Shore A
Hardness of tread (D)
42 Shore D
Body material
Polyamide, electric conductive
Tread material
Polyurethane, injected, electric-conductive
Tread width
36 mm
Diameter
100 mm
Body width
36 mm
Threadguards
With threadguard
Axle
Screwed with nut
Bearing
Precision ball bearing, stainless
Wheel color
Silver grey (similar RAL7001)
special-features-image
Special Features
Non-hazardous materials
Complies with RoHS and REACH regulations. Does not contain polycyclic aromatic carbons or chromium (VI).
Tested quality
Tested in our own laboratory for compliance with European standards.
Solid housing
Made of pressed steel, zinc plated.
Variable fitting options
Different fitting dimensions for a large range of applications.
Resource-conserving part replacement
Threaded axles allow effortless wheel change.
Uninterrupted use
Swivel bearing with dust ring for continuous, uninterrupted movement.
Low-maintenance wheels
Thread guards for unobstructed operation with minimal cleaning effort.
Non-marking movement
Wheels with reduced abrasion and little cleaning requirement.
Easy steering
Double ball bearing swivel head.
Ergonomically friendly use
Wheels with optimised roll resistance to lighten the load for the user.
Certified conductivity
Conductive version to protect users and electrical devices from electrostatic discharge.
Permanent washability
All metal components made of stainless steel.
Low maintenance materials
All metal components made of Aluminum or rust-free stainless steel.
Skip product gallery

Matching Products

Variants
Swivel castor with total lock 100 mm
Swivel castor with total lock 100 mm
Alpha stainless
8477XSC100P30-13

The Alpha stainless is a swivel castor with total lock featuring a bolt hole fitting for secure mounting applications. The housing is constructed from stainless steel, heavy grade material and incorporates two ball races for the swivel bearing mechanism, ensuring smooth directional movement and enhanced durability. The wheel comprises a polyamide, electric conductive body fitted with polyurethane, injected, electric-conductive tread material, mounted on precision ball bearing, stainless for optimal performance and longevity. The wheel diameter measures 100 mm with an overall height of 128 mm. Load specifications include a dynamic capacity of 200 kg at 4 km/h operating speed and a static load capacity of 400 kg, making it suitable for catering carts & meal delivery systems, container construction, electronic systems, clean-room technology, fire fighting technology, fire protection, machine construction, and transport equipment applications.

100 mm
128 mm
200 kg
100 mm
128 mm
200 kg
Skip product gallery

Matching Products

Variants
Swivel castor with total lock 100 mm
Swivel castor with total lock 100 mm
Alpha stainless
8477XSC100P30-13

The Alpha stainless is a swivel castor with total lock featuring a bolt hole fitting for secure mounting applications. The housing is constructed from stainless steel, heavy grade material and incorporates two ball races for the swivel bearing mechanism, ensuring smooth directional movement and enhanced durability. The wheel comprises a polyamide, electric conductive body fitted with polyurethane, injected, electric-conductive tread material, mounted on precision ball bearing, stainless for optimal performance and longevity. The wheel diameter measures 100 mm with an overall height of 128 mm. Load specifications include a dynamic capacity of 200 kg at 4 km/h operating speed and a static load capacity of 400 kg, making it suitable for catering carts & meal delivery systems, container construction, electronic systems, clean-room technology, fire fighting technology, fire protection, machine construction, and transport equipment applications.

100 mm
128 mm
200 kg
100 mm
128 mm
200 kg