Skip to main content Skip to search Skip to main navigation
Welcome to our newly redesigned website!

CAD files

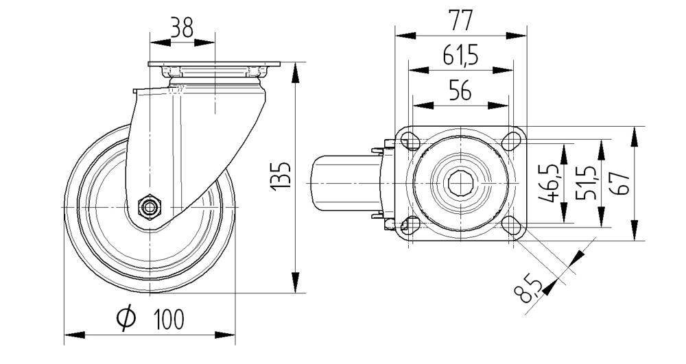
The Agila stainless swivel castor features a rectangular plate fitting for secure mounting applications. The housing is constructed from medium-grade stainless steel and incorporates a robust two ball races swivel bearing system for smooth directional movement. The wheel comprises a polypropylene body with thermoplastic rubber tread material, providing excellent grip and floor protection, whilst the precision ball bearing in stainless steel ensures reliable rotation performance. With a wheel diameter of 100mm, the castor has an overall height of 135mm. Load capacity specifications include a dynamic rating of 100kg at speeds up to 3km/h and a static load capacity of 200kg. This castor is specifically designed for demanding applications including catering carts and meal delivery systems as well as professional cleaning carts where hygiene and durability are paramount.
Roll performance
Movement noise
Attrition
Corrosion resistance
Article numbers
Article Number
7470PJC100P50
EAN
4031582349825
S4 Material Number
990036338
Core attributes
Type
Swivel castor
Overall width
60 mm
Load capacity at 3 km/h
100 kg
Load capacity Static
200 kg
Overall height
135 mm
Temperature range (Maximum)
60 °C
Temperature range (Minimum)
-20 °C
Overall weight
0.6 kg
Product name
Agila stainless
Standard
EN12530 - Devices Castors
Electric conductive
Stainless
Fitting
Fitting type
Rectangular plate
Plate hole diameter
8.5 mm
Plate hole length (Maximum)
51.5 mm
Plate hole length (Minimum)
46.5 mm
Plate hole width (Maximum)
61.5 mm
Plate hole width (Minimum)
56 mm
Plate length
77 mm
Plate width
67 mm
Housing
Colour
Stainless steel
Fork shape
Broad
Material fork
Stainless steel, medium
Swivel bearing
Two ball races
Dome diameter
60 mm
Swivel interference
176 mm
Offset
38 mm
Swivel radius
88 mm
Wheel
Hardness of tread (A)
87 Shore A
Body material
Polypropylene
Tread material
Thermoplastic rubber
Tread width
32 mm
Diameter
100 mm
Body width
32 mm
Threadguards
With threadguard
Bearing
Precision ball bearing, stainless
Wheel color
Silver grey (RAL7001)
special-features-image
Special Features
Non-hazardous materials
Complies with RoHS and REACH regulations. Does not contain polycyclic aromatic carbons or chromium (VI).
Tested quality
Tested in our own laboratory for compliance with European standards.
Solid housing
Made of pressed steel, zinc plated.
Variable fitting options
Different fitting dimensions for a large range of applications.
Resource-conserving part replacement
Threaded axles allow effortless wheel change.
Low-maintenance wheels
Thread guards for unobstructed operation with minimal cleaning effort.
Non-marking movement
Wheels with reduced abrasion and little cleaning requirement.
Easy steering
Double ball bearing swivel head.
Permanent washability
All metal components made of stainless steel.
Low maintenance materials
All metal components made of Aluminum or rust-free stainless steel.
Skip product gallery

Crossselling

Variants
Fixed castor 100 mm
Fixed castor 100 mm
Agila stainless
7478PJC100P50

The Agila stainless fixed castor features a rectangular plate fitting with the longside of plate positioned 90° off track for optimal mounting configuration. The housing is constructed from stainless steel, medium grade, ensuring excellent corrosion resistance and durability in demanding environments. The wheel incorporates a polypropylene body with thermoplastic rubber tread material, providing superior grip and floor protection, whilst the precision ball bearing, stainless construction ensures smooth operation and extended service life. With a 100mm diameter wheel, the castor achieves an overall height of 135mm for appropriate clearance requirements. Load specifications include a dynamic capacity of 100kg at speeds up to 3km/h and a static load capacity of 200kg, making it ideally suited for catering carts & meal delivery systems and professional cleaning carts where reliable performance and hygiene standards are paramount.

100 mm
Light Duty | < 150 kg
135 mm
100 mm
Light Duty | < 150 kg
135 mm
Variants
Swivel castor with total lock 100 mm
Swivel castor with total lock 100 mm
Agila stainless
7477PJC100P50

The Agila stainless swivel castor with total lock features a rectangular plate fitting for secure mounting applications. The housing is constructed from medium-grade stainless steel and incorporates two ball races for the swivel bearing mechanism, ensuring smooth directional movement and reliable locking functionality. The wheel comprises a polypropylene body with thermoplastic rubber tread material, providing excellent grip and floor protection, whilst the precision ball bearing in stainless steel construction guarantees long-lasting performance and corrosion resistance. With a wheel diameter of 100 mm, the castor has an overall height of 135 mm. Load specifications include a dynamic capacity of 100 kg at speeds up to 3 km/h and a static load capacity of 200 kg. This castor is specifically designed for demanding applications including catering carts and meal delivery systems as well as professional cleaning carts.

100 mm
Light Duty | < 150 kg
135 mm
100 mm
Light Duty | < 150 kg
135 mm