Skip to main content Skip to search Skip to main navigation
Welcome to our newly redesigned website!
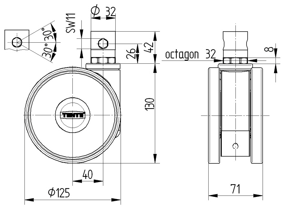
The Linea clinic is a swivel castor with central, total lock designed for medical applications. The fitting features a stem with cam hole for profile bars in short version configuration, with the critical requirement that washable beds must be sealed in the fitting area by the hospital bed manufacturer to maintain hygiene standards. The housing is constructed from polyamide material and incorporates a precision ball bearing swivel mechanism for smooth directional changes. The wheel assembly consists of a polyamide body fitted with an injected polyurethane tread, supported by stainless precision ball bearings for enhanced durability and corrosion resistance. The wheel diameter measures 125 mm, whilst the overall height of the complete castor assembly is 130 mm. Load specifications include a dynamic capacity of 150 kg at speeds of 3 km/h and 4 km/h respectively, with a static load rating of 300 kg, making it suitable for demanding healthcare equipment applications.
Roll performance
Movement noise
Attrition
Corrosion resistance
Awards
Awards
019bb808ca2f71ceba27dde73e12ee47,019bbbd5e2a570aeab9a38b862a764b9,019bbbd5f0bb737e8686f6994897a48d
Article numbers
Article Number
5946UAC125R36-34XS S30
EAN
4031582359992
Core attributes
Certification
Tested and monitored by TÜV Süd
Type
Swivel castor with central, total lock
Overall width
71 mm
Load capacity at 3 km/h
150 kg
Load capacity at 4 km/h
150 kg
Load capacity Static
300 kg
Overall height
130 mm
Temperature range (Maximum)
80 °C
Temperature range (Minimum)
-20 °C
Overall weight
0.85 kg
Product name
Linea clinic
Standard
similar EN12531- Hospital Bed Castors
Electric conductive
Stainless
Fitting
Hint
Washable beds must be sealed in the fitting area by the hospital bed manufacturer.
Fitting type
Stem with cam hole for profile bars, short version
Bolt diameter
32 mm
Bolt length
42 mm
Housing
Fork shape
Twin wheel housing
Material fork
Polyamide
Swivel bearing
Precision ball bearing
Swivel interference
205 mm
Offset
40 mm
Swivel radius
102.5 mm
Wheel
Hardness of tread (A)
92 Shore A
Body material
Polyamide
Tread material
Polyurethane, injected
Tread width
15 mm
Diameter
125 mm
Threadguards
With threadguard
Bearing
Precision ball bearing, stainless
Handle Set
Hint
Washable beds must be sealed in the fitting area by the hospital bed manufacturer.

Deutscher Designer Club

Deutscher Designer Club

Interzum Award

Interzum Award

IF Design Award

IF Design Award

special-features-image
Special Features
Non-hazardous materials
Complies with RoHS and REACH regulations. Does not contain polycyclic aromatic carbons or chromium (VI).
Tested quality
Tested in our own laboratory for compliance with European standards.
Prevents unintended movement
Wheel lock for manual operation
User-friendly central lock
Simultaneous locking of more than one castor using a central actuation lever.
Colour matching
Colours can be adapted to match the product design
Award-winning design
Awarded with prestigious prizes by international juries.
Reduced risk of accidents
Extremely low height to reduce the risk of accidents when used under hospital beds.
Low-maintenance wheels
Thread guards for unobstructed operation with minimal cleaning effort.
Non-marking movement
Wheels with reduced abrasion and little cleaning requirement.
Ergonomically friendly use
Wheels with optimised roll resistance to lighten the load for the user.
Certified safety
TÜV Süd certified performance standard.
Optimised manoeuvrability
Twin wheel castor with high manoeuvrability due to differential effect.