Skip to main content Skip to search Skip to main navigation
Welcome to our newly redesigned website!
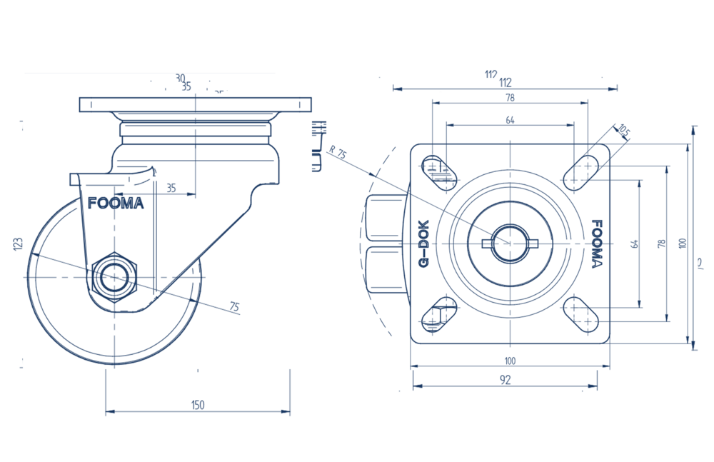
The Footmaster swivel castor is engineered for demanding industrial applications where mobility and durability are essential. The wheel features a 75 mm diameter construction with double flanged with tracks tread material, providing enhanced grip and stability during operation. The wheel incorporates an unmachined hub bearing system that ensures reliable performance under continuous use. With an overall height of 115 mm, this castor offers optimal ground clearance whilst maintaining a compact profile for various installation requirements. The unit delivers a dynamic load capacity of 200 kg at speeds up to 3 km/h, making it suitable for heavy-duty applications. This versatile castor is specifically designed for machine construction, scaffolding, store fixtures and display, transport equipment, and work benches, where reliable mobility and robust construction are paramount for operational efficiency.
Roll performance
Movement noise
Attrition
Corrosion resistance
Article numbers
Article Number
FOOT MASTER GAPHD-075-ASF-HUD
Core attributes
Type
Swivel castor
Overall width
90 mm
Load capacity at 3 km/h
200 kg
Overall height
115 mm
Temperature range (Maximum)
90 °C
Temperature range (Minimum)
-10 °C
Overall weight
3.06 kg
Product name
Footmaster
Electric conductive
Stainless
Fitting
Plate hole diameter
10.5 mm
Plate hole length (Maximum)
64 mm
Plate hole length (Minimum)
78 mm
Plate hole width (Maximum)
64 mm
Plate hole width (Minimum)
78 mm
Plate length
100 mm
Plate width
100 mm
Housing
Dome diameter
72 mm
Swivel interference
150 mm
Offset
35 mm
Swivel radius
75 mm
Wheel
Tread material
Double flanged with tracks
Tread width
23 mm
Diameter
75 mm
Body width
23 mm
Bearing
Unmachined hub
special-features-image
Special Features
Non-hazardous materials
Complies with RoHS and REACH regulations. Does not contain polycyclic aromatic carbons or chromium (VI).
Tested quality
Tested in our own laboratory for compliance with European standards.