Skip to main content Skip to search Skip to main navigation
Welcome to our newly redesigned website!
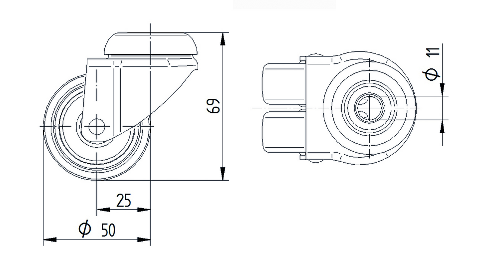
The Agila twin swivel castor features a bolt hole fitting for secure mounting applications. The housing is constructed from medium steel sheet and incorporates two ball races for the swivel bearing mechanism, ensuring smooth directional movement and enhanced durability. The wheel comprises a polyamide body with injected polyurethane tread material, providing excellent floor protection and quiet operation, whilst utilising a plain bearing system for reliable performance. The wheel diameter measures 50mm with an overall height of 69mm, making it suitable for compact applications requiring manoeuvrability. Load specifications include a dynamic capacity of 70kg at speeds up to 3km/h and a static load capacity of 140kg. This castor is specifically designed for care beds, catering carts and meal delivery systems, inflight trolleys, and store fixtures and display applications where reliable mobility and load-bearing performance are essential requirements.
Roll performance
Movement noise
Attrition
Corrosion resistance
Article numbers
Article Number
2970UAH050P30-11
EAN
4031582413748
Core attributes
Type
Swivel castor
Overall width
53 mm
Load capacity at 3 km/h
70 kg
Load capacity Static
140 kg
Overall height
69 mm
Temperature range (Maximum)
80 °C
Temperature range (Minimum)
-40 °C
Overall weight
0.25 kg
Product name
Agila twin
Standard
EN12530 - Devices Castors
Electric conductive
Stainless
Fitting
Fitting type
Bolt hole
Bolt hole diameter
11 mm
Housing
Fork shape
Twin wheel housing
Material fork
Steel sheet, medium
Swivel bearing
Two ball races
Swivel interference
108 mm
Offset
25 mm
Swivel radius
54 mm
Wheel
Hardness of tread (D)
40 Shore D
Body material
Polyamide
Tread material
Polyurethane, injected
Tread width
19 mm
Diameter
50 mm
Threadguards
With threadguard
Bearing
Plain bearing
special-features-image
Special Features
Non-hazardous materials
Complies with RoHS and REACH regulations. Does not contain polycyclic aromatic carbons or chromium (VI).
Tested quality
Tested in our own laboratory for compliance with European standards.
Solid housing
Made of pressed steel, zinc plated.
Low-maintenance wheels
Thread guards for unobstructed operation with minimal cleaning effort.
Non-marking movement
Wheels with reduced abrasion and little cleaning requirement.
Easy steering
Double ball bearing swivel head.
Optimised manoeuvrability
Twin wheel castor with high manoeuvrability due to differential effect.
Protect floors with load distribution
Two wheels distribute the load and minimise floor impressions.