Ga naar de hoofdinhoud Ga naar de zoekopdracht Ga naar de hoofdnavigatie
Welkom op onze vernieuwde website!
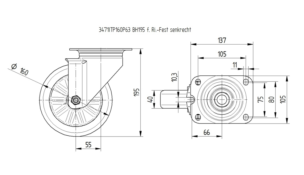
De Alpha wielen met richtingsslot zijn uitgerust met een rechthoekige plaat bevestiging voor veelzijdige montage. De behuizing is vervaardigd uit staalplaat, zwaar en voorzien van twee balraces als draaipuntlager voor optimale stabiliteit en soepele beweging. Het wiel heeft een aluminium wiellichaam met een polyurethaan, gegoten loopvlak dat uitstekende grip en duurzaamheid biedt, ondersteund door precisie kogellagers voor langdurige prestaties. Met een wieldiameter van 160 mm en een totale hoogte van 195 mm biedt dit wiel een dynamische draagcapaciteit van 350 kg bij 4 km/h en een statische belasting tot 700 kg. Deze robuuste constructie maakt het geschikt voor diverse toepassingen zoals automotive OEM, cateringwagens, containerbouw, elektronische systemen, brandbestrijdingstechnologie, machinebouw, postlogistiek, productie- en platformwagens, rolkooien, gereedschapskasten, transportapparatuur, afvalverwerking en werkbanken.
Rolprestaties
Bewegingsruis
Attrition
Corrosiebestendigheid
Artikelnummers
Artikelnummer
3471ITP160P63 BH195 f. Ri-Fest senkrecht
Kernattributen
Type
Wielen met Richtingsslot
Draagvermogen bij 4 km/h
350 kg
Statisch draagvermogen
700 kg
Totale hoogte
195 mm
Temperatuurbereik (maximaal)
60 °C
Temperatuurbereik (minimaal)
-20 °C
Totaal gewicht
2,46 kg
Productnaam
Alpha
Standaard
EN12532 - Transportuitrusting
Elektrisch geleidend
Roestvrij
Monteren
Type bevestiging
Rechthoekige plaat
Diameter plaatgat
11 mm
Lengte plaatgat (maximaal)
105 mm
Breedte plaatgat (maximaal)
80 mm
Breedte plaatgat (minimaal)
75 mm
Lengte plaat
137 mm
Breedte plaat
105 mm
Behuizing
Vork Vorm
Breed
Materiaal
Staalplaat, zwaar
Zwenklager
Twee balraces
Draaicirkel
270 mm
Offset
55 mm
Zwenk radius
135 mm
Wiel
Hardheid van het Loopvlak (A)
92 Shore A
Materiaal wielkern
Aluminium
Materiaal loopvlak
Polyurethaan, Gegoten
Breedte Loopvlak
50 mm
Diameter
160 mm
Afdekkapjes
Zonder schroefdraadbeschermer
As
Geschroefd met moer
Lagering
Precisie kogellagers
special-features-image
Speciale functies
TENTE's OMIKRON castors are engineered for exceptional performance under extreme conditions. Featuring a solid welded steel construction, these castors can transport the heaviest loads with high steering stability and excellent maneuverability.
Niet-gevaarlijke materialen
Conform RoHS- en REACH-richtlijnen. Bevat geen polycyclische aromatische koolwaterstoffen of chroom (VI)
Geteste kwaliteit
Getest in ons eigen laboratorium volgens Europese normen
Solide behuizing
Gemaakt van geperst, verzinkt staal
Variabele bevestigingsopties
Verschillende montagematen voor een breed scala aan toepassingen
Grondstofbesparende vervanging onderdelen
Gewinde assen maken moeiteloze wielvervanging mogelijk
Ononderbroken gebruik
Zwenklager met stofring voor continue, ononderbroken beweging
Streeploze beweging
Wielen met verminderde slijtage en lage reinigingsbehoeften
Eenvoudige besturing
Zwenkkop met dubbele kogellagers
Ergonomisch gebruik
Wielen met geoptimaliseerde rolweerstand om de belasting voor de gebruiker te verminderen
Productgalerij overslaan

Kruisverkoop

Varianten
Wielen met Totale vergrendeling 160 mm
Wielen met Totale vergrendeling 160 mm
Alpha
3477ITP160P63

De Alpha wielen met totale vergrendeling zijn uitgerust met een rechthoekige plaat bevestiging en beschikken over een robuuste behuizing van staalplaat, zwaar met twee balraces als zwenklager. Het wiel heeft een aluminiumlichaam met een polyurethaan, gegoten loopvlak en is voorzien van precisie kogellagers, waarbij de wieldiameter 160 mm bedraagt. De totale hoogte van het wiel is 200 mm. De dynamische draagkracht bedraagt 350 kg bij 4 km/h en 200 kg bij 6 km/h, terwijl de statische draagkracht 700 kg is. Deze wielen zijn geschikt voor diverse toepassingen zoals automotive OEM, cateringwagens en maaltijdbezorgsystemen, containerbouw, elektronische systemen en cleanroomtechnologie, brandbestrijdingstechnologie, machinebouw, postlogistieke systemen, productie- en platformwagens, rolkooien, gereedschapskasten, transportapparatuur, afvalverwerkingsapparatuur en werkbanken.

Middelzwaar gebruik
160 mm
200 mm
Middelzwaar gebruik
160 mm
200 mm
Varianten
Vast Wielen 160 mm
Vast Wielen 160 mm
Alpha
3478ITP160P63

De Alpha vast wielen zijn uitgerust met een rechthoekige plaat bevestiging en beschikken over een robuuste behuizing van staalplaat, zwaar uitgevoerd. Het wiel heeft een aluminium wiellichaam met een polyurethaan, gegoten loopvlak en is voorzien van precisie kogellagers voor optimale prestaties. De wieldiameter bedraagt 160 mm en de totale hoogte van het wiel is 200 mm. De dynamische draagkracht is 350 kg bij 4 km/h en 200 kg bij 6 km/h, terwijl de statische draagkracht 700 kg bedraagt. Deze wielen zijn geschikt voor diverse toepassingen zoals automotive OEM, cateringwagens en maaltijdbezorgsystemen, containerbouw, elektronische systemen en cleanroomtechnologie, brandbestrijdingstechnologie, machinebouw, postlogistieke systemen, productie- en platformwagens, rolkooien, gereedschapskasten, transportapparatuur, afvalverwerkingsapparatuur en werkbanken.

Middelzwaar gebruik
160 mm
200 mm
Middelzwaar gebruik
160 mm
200 mm