Ga naar de hoofdinhoud Ga naar de zoekopdracht Ga naar de hoofdnavigatie
Welkom op onze vernieuwde website!

CAD-bestanden

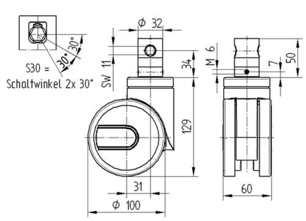
De Integral twin is een wiel met centrale, totale of richtingsslot, uitgerust met een kraagpen met schakelnok voor profielbalken in korte variant als bevestigingssysteem. De behuizing is vervaardigd uit medium staalplaat en voorzien van precisie kogellagers voor het zwenklager, wat zorgt voor soepele beweging en duurzaamheid. Het wiel heeft een polyamide wiellichaam met een gespoten polyurethaan loopvlak en is uitgerust met precisie kogellagers voor optimale rolprestaties. Met een wieldiameter van 100 mm en een totale hoogte van 129 mm biedt dit wiel een dynamische draagkracht van 125 kg bij snelheden van 3 km/h en 125 kg bij 4 km/h, terwijl de statische draagkracht 375 kg bedraagt. Het wiel is speciaal ontwikkeld voor medische toepassingen zoals anesthesiewagens, C-armen, CT-scanners, MRI, röntgen, zorgbedden, ziekenhuisbedden, chirurgische robots, operatietafels en echografieapparatuur in ziekenhuizen en verpleeghuizen.
Rolprestaties
Bewegingsruis
Attrition
Corrosiebestendigheid
Artikelnummers
Artikelnummer
2944UAP100R36-32S30 D 9002 4xM6
EAN
4031582302530
S4-materiaalnummer
990060551
Core attributes
Certificering
Getest en gecontroleerd door TÜV Süd
Type
Wielen met centrale, totale of Richtingsslot
Totale breedte
63 mm
Draagvermogen bij 3 km/h
125 kg
Draagvermogen bij 4 km/h
125 kg
Statisch draagvermogen
375 kg
Totale hoogte
129 mm
Temperatuurbereik (maximaal)
80 °C
Temperatuurbereik (minimaal)
-25 °C
Totaal gewicht
1,04 kg
Productnaam
Integral twin
Standaard
EN12531 - Zwenkwielen ziekenhuisbed
Elektrisch geleidend
Roestvrij
Fitting
Hoeveelheid bevestigingsgaten
4
Type bevestiging
Kraagpen met Schakelnok voor profielbalken, korte Variant
Diameter Bout
32 mm
Lengte Bout
51 mm
Schroefdraad positie
7 mm
Housing
Kleur
Grijs wit (RAL9002)
Vork Vorm
Behuizing met twee Wiel
Materiaal
Staalplaat, medium
Zwenklager
Precisie kogellagers
Diameter koepel
61,5 mm
Draaicirkel
170 mm
Offset
31 mm
Zwenk radius
85 mm
Wheel
Hardheid van het Loopvlak (A)
92 Shore A
Hardheid van het Loopvlak (D)
42 Shore D
Materiaal wielkern
Polyamide
Materiaal loopvlak
Polyurethaan, Gespoten
Breedte Loopvlak
15 mm
Diameter
100 mm
Breedte wielkern
15 mm
Afdekkapjes
Met draadbeschermer
Lagering
Precisie kogellagers
Wielkleur
Grijs wit (RAL9002)

Duitse Design Award

Duitse Design Award

Red Dot Design Award

Red Dot Design Award

special-features-image
Speciale functies
Niet-gevaarlijke materialen
Conform RoHS- en REACH-richtlijnen. Bevat geen polycyclische aromatische koolwaterstoffen of chroom (VI)
Geteste kwaliteit
Getest in ons eigen laboratorium volgens Europese normen
Solide behuizing
Gemaakt van geperst, verzinkt staal
Voorkomt ongewenste beweging
Wielvergrendeling voor handmatige bediening
Bevestigde steun
Totale vergrendeling voor gelijktijdige vergrendeling van wiel en zwenkhuis
Gebruiksvriendelijke centrale vergrendeling
Gelijktijdige vergrendeling van meerdere wielen via centrale bedieningshendel
Bekroond ontwerp
Bekroond met prestigieuze prijzen door internationale jury’s
Onderhoudsarme wielen
Draadbeschermers zorgen voor onbelemmerde werking met minimale reiniging
Streeploze beweging
Wielen met verminderde slijtage en lage reinigingsbehoeften
Ergonomisch gebruik
Wielen met geoptimaliseerde rolweerstand om de belasting voor de gebruiker te verminderen
Chemisch bestendige componenten
Ongevoelig voor veel schoonmaakmiddelen en chemicaliën
Gecertificeerde veiligheid
TÜV Süd gecertificeerde prestatienorm
Comfortabele wendbaarheid
Grote wielen en elastische naven maken het eenvoudig om obstakels te overwinnen
Meertraps schakel functie
Tot drie vergrendelposities: richtingsvergrendeling, totale vergrendeling of vrije mobiliteit
Geoptimaliseerde wendbaarheid
Dubbelwiel met hoge wendbaarheid dankzij differentieeleffect
Verminderde reiniging
Dankzij overwegend gladde oppervlakken zijn de wielen snel en eenvoudig schoon te maken
Bescherming vloer door lastverdeling
Twee wielen verdelen de last en minimaliseren vloerafdrukken
Geïntegreerde kabelbescherming
Geïntegreerde kabelduwer om kabels op de vloer te beschermen
Uiterst sterke constructie
Uiterst robuuste constructie
Productgalerij overslaan

Accessoires

Accessoire
Adapter
Adapter m. Gew. Stift

Dit accessoire voor zwenkwielen is een lichtgewicht component met een gewicht van slechts 0,1 kg, ontworpen om de functionaliteit en prestaties van zwenkwielinstallaties te verbeteren. Het compacte ontwerp zorgt voor eenvoudige integratie zonder significante toevoeging aan het totaalgewicht van de wielconfiguratie, waardoor het ideaal is voor toepassingen waar gewichtsbesparing cruciaal is voor optimale mobiliteit en gebruiksgemak.

Accessoire
Omschakelhendel
Schalthebel 24S45 o. Gew. Stift

Dit accessoire is een hoogwaardige toevoeging voor wielsystemen die is ontworpen om de functionaliteit en prestaties van zwenkwielen te optimaliseren. Het product heeft een gewicht van 0,12 kg, wat zorgt voor een lichte maar duurzame constructie die de belasting van het complete wielsysteem minimaal beïnvloedt. Door de compacte afmetingen en het geringe gewicht integreert dit accessoire naadloos in bestaande wielconfiguraties.

Accessoire
Omschakelhendel
Schalthebel 28S45 m. Gew. Stift

Dit accessoire is een hoogwaardige aanvulling voor zwenkwielen die is ontworpen om de functionaliteit en prestaties van het wielensysteem te optimaliseren. Het product heeft een compact en lichtgewicht ontwerp met een totaalgewicht van slechts 0,06 kg, waardoor het eenvoudig te installeren is zonder significante toevoeging aan de totale massa van de wielconfiguratie.

Accessoire
Omschakelhendel
Schalthebel 65S45 m. Gew. Stift

Dit accessoire is een hoogwaardige component die speciaal is ontwikkeld voor gebruik met zwenkwielen en biedt engineers een betrouwbare oplossing voor diverse industriële toepassingen. Met een gewicht van slechts 0,09 kg zorgt dit lichtgewicht accessoire voor optimale prestaties zonder onnodige belasting van het zwenkwielsysteem, waardoor het ideaal is voor precisietoepassingen waar gewichtsbesparing cruciaal is.

Accessoire
Lagerbus
Lager Buchse m. Gew. Stift SW7/16in

Dit accessoire voor zwenkwielen is een lichtgewicht component met een gewicht van slechts 0,04 kg, ontworpen om de functionaliteit en prestaties van zwenkwielsystemen te verbeteren. Het compacte ontwerp zorgt voor minimale belasting van de wielconstructie terwijl het de benodigde technische ondersteuning biedt voor optimale werking in industriële toepassingen.

Accessoire
Profielstang
Profilstahl 6kt-11x1000

Dit accessoire is een aanvullend onderdeel dat speciaal is ontworpen voor gebruik met zwenkwielen om de functionaliteit en prestaties te optimaliseren. Het accessoire biedt engineers de mogelijkheid om zwenkwielsystemen aan te passen aan specifieke toepassingsvereisten en zorgt voor verbeterde compatibiliteit met verschillende montageconfigurations en operationele omstandigheden.

Productgalerij overslaan

Bijpassende producten

Varianten
Wielen met centrale , Totale vergrendeling 100 mm
Wielen met centrale , Totale vergrendeling 100 mm
Integral twin
2946UAP100R36-32S30 D 9002 4xM6

De Integral twin is een wiel met centrale, totale vergrendeling uitgerust met een kraagpen met schakelnok voor profielbalken, korte variant als bevestigingssysteem. De behuizing is vervaardigd uit staalplaat, medium en voorzien van precisie kogellagers voor het zwenklager. Het wiel heeft een polyamide wiellichaam met een gespoten polyurethaan loopvlak en is uitgerust met precisie kogellagers, waarbij de wieldiameter 100 mm bedraagt. De totale hoogte van het systeem is 129 mm. Het wiel heeft een dynamische draagkracht van 125 kg bij 3 km/h en 125 kg bij 4 km/h, met een statische draagkracht van 375 kg. Deze wielen zijn specifiek ontwikkeld voor medische toepassingen zoals anesthesiewagens, C-armen, CT-scanners, MRI, röntgen, zorgbedden, ziekenhuisbedden, chirurgische robots, operatietafels en echografieapparatuur in ziekenhuizen en verpleeghuizen.

100 mm
129 mm
125 kg
100 mm
129 mm
125 kg
Productgalerij overslaan

Bijpassende producten

Varianten
Wielen met centrale , Totale vergrendeling 100 mm
Wielen met centrale , Totale vergrendeling 100 mm
Integral twin
2946UAP100R36-32S30 D 9002 4xM6

De Integral twin is een wiel met centrale, totale vergrendeling uitgerust met een kraagpen met schakelnok voor profielbalken, korte variant als bevestigingssysteem. De behuizing is vervaardigd uit staalplaat, medium en voorzien van precisie kogellagers voor het zwenklager. Het wiel heeft een polyamide wiellichaam met een gespoten polyurethaan loopvlak en is uitgerust met precisie kogellagers, waarbij de wieldiameter 100 mm bedraagt. De totale hoogte van het systeem is 129 mm. Het wiel heeft een dynamische draagkracht van 125 kg bij 3 km/h en 125 kg bij 4 km/h, met een statische draagkracht van 375 kg. Deze wielen zijn specifiek ontwikkeld voor medische toepassingen zoals anesthesiewagens, C-armen, CT-scanners, MRI, röntgen, zorgbedden, ziekenhuisbedden, chirurgische robots, operatietafels en echografieapparatuur in ziekenhuizen en verpleeghuizen.

100 mm
129 mm
125 kg
100 mm
129 mm
125 kg