Zum Hauptinhalt springen Zur Suche springen Zur Hauptnavigation springen
Willkommen auf unserer neu gestalteten Website!
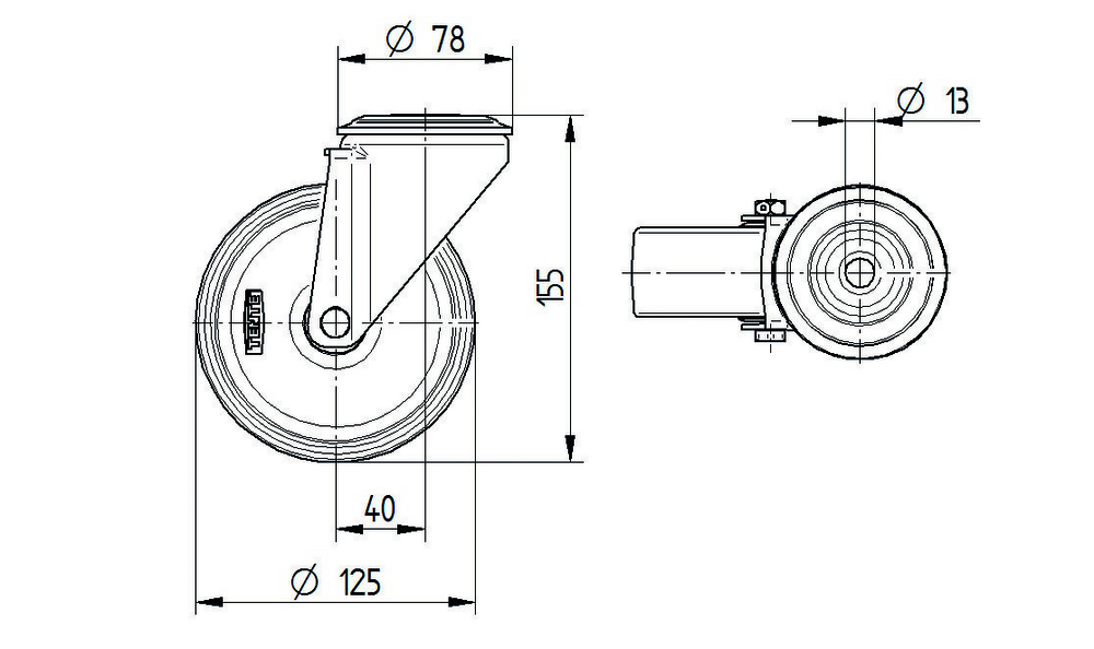
Die Lenkrolle Alpha verfügt über eine Anschraubloch-Befestigung und ein robustes Gehäuse aus schwerem Stahlblech mit zweireihigem Kugelbahn-Schwenklager für präzise Lenkbewegungen. Das Rad besteht aus einem Polypropylen-Radkörper mit schwarzer Vollgummi-Lauffläche und ist mit wartungsarmen Gleitlagern ausgestattet, wobei der Raddurchmesser 125 mm beträgt. Die Gesamtbauhöhe der Rolle misst 155 mm. Die dynamische Tragfähigkeit liegt bei 160 kg bei einer Geschwindigkeit von 4 km/h, während die statische Belastbarkeit 320 kg erreicht. Diese vielseitige Lenkrolle eignet sich für diverse Anwendungsbereiche wie Automobil-OEM, Speisewagen und Mahlzeitenauslieferungssysteme, Containerbau, elektronische Systeme und Reinraumtechnik, Brandbekämpfungstechnik, Maschinenbau, Postlogistiksysteme, Produktions- und Plattformwagen, Rollkäfige, Werkzeugschränke, Transportequipment, Abfallentsorgungsanlagen sowie Werkbänke.
Rollenleistung
Bewegungsgeräusche
Attrition
Korrosionsbeständigkeit
Artikelnummern
Artikelnummer
3470PVO125P30-13
EAN
4031582304121
Core attributes
Typ
Lenkrolle
Tragfähigkeit bei 4 km/h
160 kg
Statische Tragfähigkeit
320 kg
Bauhöhe
155 mm
Temperaturbereich (Maximum)
60 °C
Temperaturbereich (Minimum)
-20 °C
Gesamtgewicht
1,09 kg
Produktname
Alpha
Norm
EN12532 - Transportgeräte
Elektrisch-leitfähig
Rostfrei
Fitting
Befestigungsart
Anschraubloch
Rückenloch Durchmesser
13 mm
Housing
Gabelform
Bauchig
Material
Stahlblech, schwer
Schwenklager
Kugelbahn, zweireihig
Störkreis
205 mm
Ausladung
40 mm
Schwenkradius
102,5 mm
Wheel
Härte der Lauffläche (A)
85 Shore A
Material des Radkörpers
Polypropylen
Material der Lauffläche
Vollgummi, schwarz
Breite der Lauffläche
37 mm
Durchmesser
125 mm
Fadenschutz
Ohne Fadenschutz
Achse
Verschraubt
Lager
Gleitlager
special-features-image
Besondere Merkmale
Unbedenkliche Materialien
Entspricht RoHS und REACH. Enthält keine polyzyklischen aromatischen Kohlenwasserstoffe oder Chrom (VI)
Geprüfte Qualität
In unserem eigenen Labor geprüft auf Konformität mit europäischen Normen
Solides Gehäuse
Hergestellt aus gepresstem, verzinktem Stahl
Variable Befestigung
Unterschiedliche Befestigungsmaße für vielfältige Anwendungen
Ressourcenschonender Teiletausch
Gewindeachsen für mühelosen Radwechsel
Störungsfreier Einsatz
Schwenklager mit Staubring für kontinuierliche Bewegung
Leichte Lenkbarkeit
Drehkopf mit zweireihigem Kugellager
Produktgalerie überspringen

Passende Produkte

Varianten
Lenkrolle mit Totalfeststeller 125 mm
Lenkrolle mit Totalfeststeller 125 mm
Alpha
3477PVO125P30-13

Die Alpha ist eine Lenkrolle mit Totalfeststeller, die mit einer Anschraubloch-Befestigung ausgestattet ist. Das Gehäuse besteht aus Stahlblech, schwer und verfügt über ein zweireihiges Kugelbahn-Schwenklager für präzise Bewegungsführung. Das Rad kombiniert einen Polypropylen-Radkörper mit einer Vollgummi-Lauffläche in schwarz und ist mit einem wartungsarmen Gleitlager ausgestattet. Bei einem Raddurchmesser von 125 mm erreicht die Rolle eine Gesamthöhe von 155 mm. Die dynamische Tragfähigkeit beträgt 160 kg bei einer Fahrgeschwindigkeit von 4 km/h, während die statische Belastbarkeit 320 kg erreicht. Diese robuste Konstruktion eignet sich optimal für vielfältige industrielle Anwendungen wie Automobil-OEM, Maschinenbau, Produktions- und Plattformwagen, Transportequipment, Werkzeugschränke, Rollkäfige, Werkbänke sowie spezialisierte Bereiche wie Reinraumtechnik und Brandschutztechnik.

125 mm
155 mm
160 kg
125 mm
155 mm
160 kg
Produktgalerie überspringen

Passende Produkte

Varianten
Lenkrolle mit Totalfeststeller 125 mm
Lenkrolle mit Totalfeststeller 125 mm
Alpha
3477PVO125P30-13

Die Alpha ist eine Lenkrolle mit Totalfeststeller, die mit einer Anschraubloch-Befestigung ausgestattet ist. Das Gehäuse besteht aus Stahlblech, schwer und verfügt über ein zweireihiges Kugelbahn-Schwenklager für präzise Bewegungsführung. Das Rad kombiniert einen Polypropylen-Radkörper mit einer Vollgummi-Lauffläche in schwarz und ist mit einem wartungsarmen Gleitlager ausgestattet. Bei einem Raddurchmesser von 125 mm erreicht die Rolle eine Gesamthöhe von 155 mm. Die dynamische Tragfähigkeit beträgt 160 kg bei einer Fahrgeschwindigkeit von 4 km/h, während die statische Belastbarkeit 320 kg erreicht. Diese robuste Konstruktion eignet sich optimal für vielfältige industrielle Anwendungen wie Automobil-OEM, Maschinenbau, Produktions- und Plattformwagen, Transportequipment, Werkzeugschränke, Rollkäfige, Werkbänke sowie spezialisierte Bereiche wie Reinraumtechnik und Brandschutztechnik.

125 mm
155 mm
160 kg
125 mm
155 mm
160 kg