跳到主要内容 跳到搜索 跳到主导航
欢迎访问我们全新改版的网站!
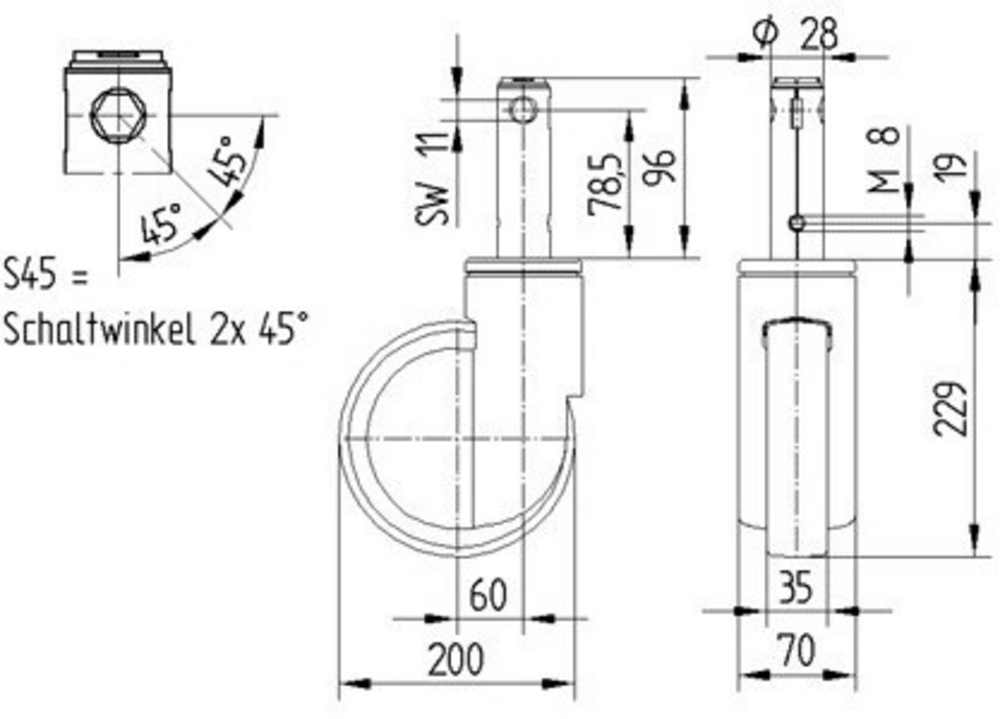
Integral带中控全锁的万向脚轮采用带凸轮孔的闸杆,用于异型杆的安装配置,可清洗病床必须由医院病床制造商在试衣区密封的。脚轮外壳采用钢板,中号规格制造,配备精密滚珠轴承实现平稳旋转运动。车轮轮体材质为聚酯胺,胎面采用聚氨酯,注塑工艺成型,轴承为精密滚珠轴承,密封的设计确保长期使用性能,轮径为200mm。脚轮总高度为229mm,提供合适的离地间隙。动态载荷能力为150kg(3km/h速度)和150kg(4km/h速度),静态载荷能力达450kg,满足重载应用需求。该脚轮广泛应用于麻醉车、C形臂,CT扫描仪,核磁共振,X光设备、护理床、透析车、医院病床、医院、养老院和护理院、担架、超声设备等医疗设备,为医疗环境提供可靠的移动解决方案。
滚动性能
移动噪声
流失率
耐腐蚀性
物料编号
物品编号
2046UAX200R26-28S45 D 9002 4xM8 W
EAN
4031582300260
S4物料编号
990036762
Core attributes
认证
经 TÜV Süd 测试和监测
外壳类型
带中控全锁的万向脚轮
总宽度
70 mm
3 km/h的载重
150 kg
4 公里/小时的载重
150 kg
静态载重
450 kg
总高
229 mm
温度范围(最大)
80 °C
温度范围(最低)
-25 °C
总重量
1.53 kg
产品名称
Integral
标准
EN12531 - 医院病床脚轮
导电
不锈
Fitting
螺栓安装孔数量
4
提示
可清洗病床必须由医院病床制造商在试衣区密封的。
固定件类型
带凸轮孔的阀杆,用于异型杆
螺栓直径
28 mm
螺栓长度
96 mm
螺栓螺纹位置
19 mm
Housing
颜色
灰白色 (RAL9002)
支架形状
已关闭
材料
钢板,中号
旋转轴承
精密滚珠轴承
圆顶直径
70 mm
转向干涉
320 mm
偏移量
60 mm
旋转半径
160 mm
Wheel
胎面硬度 (D)
59 海岸 D
轮体材料
聚酰胺
胎面材料
聚氨酯,注塑
胎面宽度
35 mm
直径
200 mm
轮体宽度
35 mm
侧盖
集成螺纹防护装置
胎面颜色
石板灰 (RAL7015)
轴承
精密滚珠轴承,密封的
轮子颜色
石板灰 (RAL7015)
手柄组
提示
可清洗病床必须由医院病床制造商在试衣区密封的。

iF 设计奖

iF 设计奖

红点设计奖

红点设计奖

special-features-image
特殊功能
无害材料
符合 RoHS 和 REACH 指令。不含多环芳烃或六价铬
经过测试的质量
在自有实验室中测试,符合欧洲标准
坚固的外壳
由压制镀锌钢制成
防止意外移动
用于手动操作的车轮锁
用户友好的中央锁
通过中央操作杆可同时锁定多个脚轮
获奖设计
荣获国际评审团颁发的著名奖项
低维护轮子
螺纹保护装置确保运行顺畅,维护需求低
不留痕迹的移动
磨损减轻、清洁需求低的轮子
符合人体工学的使用
优化滚动阻力的轮子可减轻用户负担
保护密封
带密封轴承的轮子,防护溅水和灰尘
耐化学部件
对多种清洁剂和化学物质不敏感
个性化外壳
外壳盖的形状可定制
认证安全性
通过 TÜV Süd 认证的性能标准
舒适的操控性
大轮子和弹性轮毂可轻松跨越障碍
多级切换功能
最多三种锁定位置:方向锁、全锁或自由移动
减少清洁
由于主要是光滑表面,脚轮清洁快速且方便
极其坚固的结构
极其坚固的结构
跳过产品库

配件

附件
适配器
Adapter m. Gew. Stift

这款配件专为脚轮系统设计,采用轻量化结构,重量仅为0.1千克,确保在不增加整体负载的前提下提供可靠的功能支持。该配件具备优异的机械性能和耐用性,能够承受日常使用中的各种应力和磨损,适用于工业、商业和家用脚轮的维护和升级需求。其精密的工程设计保证了与标准脚轮系统的完美兼容性,安装简便快捷,无需复杂的工具或专业技能。配件采用高品质材料制造,经过严格的质量控制测试,确保长期稳定运行和出色的性能表现,为脚轮系统的整体功能提升和使用寿命延长提供有效保障。

附件
切换杆
Schalthebel 24S45 o. Gew. Stift

这款脚轮附件是专为脚轮系统设计的精密配件,采用优质材料制造,确保与主体脚轮的完美匹配和可靠连接。该附件重量为0.12千克,轻量化设计有效降低了整体系统负荷,同时保持出色的结构强度和耐用性。产品经过精密加工工艺处理,具备优异的尺寸精度和表面质量,能够在各种工业环境中稳定运行。安装简便快捷,维护成本低,适用于多种脚轮配置需求,为移动设备提供可靠的辅助支撑功能,广泛应用于工业设备、物流运输、医疗器械等领域的脚轮系统中。

附件
切换杆
Schalthebel 28S45 m. Gew. Stift

这款脚轮附件是专为脚轮系统设计的精密配件,重量仅为0.06千克,具有轻量化特性,能够有效减少整体脚轮组件的负重负担。该附件采用优质材料制造,确保在各种工业和商业应用环境中提供可靠的性能表现。其紧凑的设计和标准化的规格使其能够与多种型号的脚轮完美匹配,为脚轮系统提供必要的功能支持和结构增强。该配件经过精密加工,具有良好的耐磨性和耐腐蚀性,适用于频繁使用的场合,能够显著提升脚轮的整体使用寿命和运行稳定性,是脚轮系统中不可缺少的重要组成部分。

附件
切换杆
Schalthebel 65S45 m. Gew. Stift

这款脚轮附件是专为脚轮系统设计的精密配件,采用优质材料制造,确保与主体脚轮的完美匹配和可靠连接。该附件重量为0.09千克,轻量化设计有效降低了整体脚轮系统的负载,同时保持出色的结构强度和耐用性。产品经过精密加工,具有优异的尺寸精度和表面质量,能够在各种工业环境中稳定运行。安装简便,维护方便,适用于多种脚轮型号,为移动设备提供可靠的支撑和灵活的移动性能,是工业设备、办公家具和物流运输等领域的理想选择。

附件
轴承衬套
Lager Buchse m. Gew. Stift SW7/16in

这款脚轮配件采用轻量化设计,重量仅为0.04千克,专为提升脚轮系统的整体性能而开发。该配件具有优异的机械强度和耐用性,能够在各种工业环境中稳定运行,有效延长脚轮的使用寿命。其紧凑的结构设计确保了与主体脚轮的完美匹配,安装简便快捷,维护成本低廉。产品经过严格的质量控制和性能测试,符合相关行业标准,适用于物流运输、工业设备、医疗器械等多个领域的脚轮系统配套使用,为用户提供可靠的技术支持和卓越的使用体验。

附件
衬套
Kunststoff Huelse R48-36 Ø28 natur

该变径衬套方形附件是专为脚轮系统设计的精密配件,采用标准化工程规格制造,确保与各类脚轮组件的完美匹配。产品配备直径28毫米的标准螺栓连接系统,提供稳固可靠的机械连接性能,适用于工业设备、移动平台和重载应用场景。整体重量仅为0.05千克,轻量化设计有效降低了脚轮总重,同时保持出色的结构强度和耐久性。方形几何结构设计确保了优异的载荷分布特性,有效防止在高负载条件下的变形和磨损,延长使用寿命并提升整体系统的运行稳定性和安全性能。

附件
型材杆
Profilstahl 6kt-11x1000

配件是一种专为脚轮系统设计的附件产品,用于增强脚轮的功能性和适用性。该附件采用精密工程设计,能够与各种规格的脚轮完美配合,提供可靠的机械连接和稳定的性能表现。产品具有优异的耐磨性和抗腐蚀性能,适用于工业、商业和民用等多种应用场景。安装简便,维护成本低,能够有效延长脚轮系统的使用寿命,提高整体设备的运行效率和安全性,是脚轮系统不可或缺的重要组成部分。

附件
衬套
Kunststoff Huelse R48-33,65 Ø28,1 natur

这款变径衬套方形附件是专为脚轮系统设计的精密配件,采用高品质材料制造,确保在各种工业应用中提供可靠的连接和支撑功能。该衬套配备直径为28毫米的螺栓孔,能够与标准脚轮组件完美匹配,实现稳固的机械连接。产品重量仅为0.04千克,轻量化设计不会增加整体系统负担,同时保持足够的结构强度。方形外形设计提供了优异的防旋转特性,确保在承受载荷时保持稳定的定位,有效防止松动现象。该变径衬套适用于需要尺寸转换的脚轮安装场景,为不同规格的连接提供了灵活的解决方案,广泛应用于工业设备、运输车辆和移动平台等领域。

跳过产品库

相关产品

变体
带中控全锁或方向锁的万向脚轮  200 mm
带中控全锁或方向锁的万向脚轮 200 mm
Integral
2044UAX200R26-28S45 D 9002 4xM8 W

Integral带中控全锁或方向锁的万向脚轮采用带凸轮孔的闸杆,用于异型杆的安装配置,可清洗病床必须由医院病床制造商在试衣区密封的。脚轮外壳采用钢板,中号规格制造,配备精密滚珠轴承的旋转机构确保平稳转动。车轮轮体材质为聚酯胺,胎面采用聚氨酯,注塑工艺制成,内置精密滚珠轴承,密封的设计有效防护内部结构。车轮直径为200毫米,脚轮总高度为229毫米。动态载荷能力在3公里/小时速度下为150公斤,在4公里/小时速度下为150公斤,静态载荷能力达450公斤。该产品广泛应用于麻醉车、C形臂CT扫描仪核磁共振X光设备、护理床、透析车、医院病床、医院、养老院和护理院、担架以及超声设备等医疗场所。

200 mm
229 mm
150 kg
200 mm
229 mm
150 kg
跳过产品库

相关产品

变体
带中控全锁或方向锁的万向脚轮  200 mm
带中控全锁或方向锁的万向脚轮 200 mm
Integral
2044UAX200R26-28S45 D 9002 4xM8 W

Integral带中控全锁或方向锁的万向脚轮采用带凸轮孔的闸杆,用于异型杆的安装配置,可清洗病床必须由医院病床制造商在试衣区密封的。脚轮外壳采用钢板,中号规格制造,配备精密滚珠轴承的旋转机构确保平稳转动。车轮轮体材质为聚酯胺,胎面采用聚氨酯,注塑工艺制成,内置精密滚珠轴承,密封的设计有效防护内部结构。车轮直径为200毫米,脚轮总高度为229毫米。动态载荷能力在3公里/小时速度下为150公斤,在4公里/小时速度下为150公斤,静态载荷能力达450公斤。该产品广泛应用于麻醉车、C形臂CT扫描仪核磁共振X光设备、护理床、透析车、医院病床、医院、养老院和护理院、担架以及超声设备等医疗场所。

200 mm
229 mm
150 kg
200 mm
229 mm
150 kg