跳到主要内容 跳到搜索 跳到主导航
欢迎访问我们全新改版的网站!
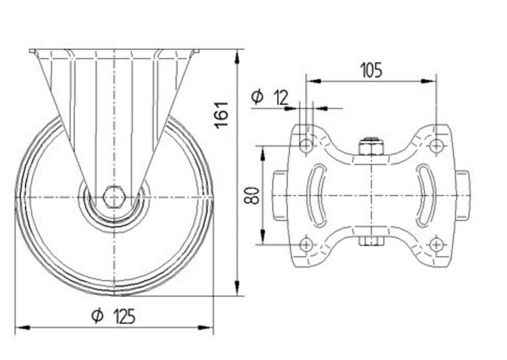
Alpha固定脚轮采用矩形板安装方式,配备钢板重型外壳结构,确保在重载应用中的稳定性和耐久性。脚轮轮体采用铝制材料制造,表面覆盖黑色硫化弹性轮胎,提供优异的减震性能和地面保护,内置精密滚珠轴承系统保证平稳运转。轮子直径为125毫米,整体高度为161毫米,结构紧凑适合各种安装环境。该脚轮静态承载能力达600公斤,动态承载能力在4公里/小时速度下为300公斤,在6公里/小时速度下为200公斤。广泛应用于汽车OEM、餐饮手推车和送餐系统、集装箱建造、电子系统洁净室技术、消防技术防火保护、机械制造、邮政物流系统、生产和平台手推车、滚笼、工具柜、运输设备、废物处理设备以及工作台等多个工业领域。
滚动性能
移动噪声
流失率
耐腐蚀性
物料编号
物品编号
3478IEP125P63 CL60 OH161
EAN
4031582399158
S4物料编号
990006918
Core attributes
外壳类型
固定脚轮
总宽度
115 mm
4 公里/小时的载重
300 kg
6 公里/小时的载重
200 kg
静态载重
600 kg
总高
161 mm
温度范围(最大)
85 °C
温度范围(最低)
-20 °C
总重量
1.85 kg
产品名称
Alpha
标准
EN12532 - 运输器械
导电
不锈
Fitting
固定件类型
矩形板
上板孔直径
11 mm
上板孔长度(最大)
80 mm
上板孔长度(最小)
75 mm
上板孔宽度(最大)
105 mm
上板孔宽度(最小)
75 mm
上板长
137 mm
上板宽
115 mm
Housing
颜色
蓝色钝化
支架形状
材料
钢板,重型
旋转轴承
两个钢珠滚道
Wheel
胎面硬度 (A)
68 岸 A
轮体材料
胎面材料
弹性轮胎,黑色,硫化
胎面宽度
50 mm
直径
125 mm
轮体宽度
50 mm
侧盖
无螺纹护罩
用螺母拧紧
轴承
精密滚珠轴承
轮子颜色
金属色
special-features-image
特殊功能
无害材料
符合 RoHS 和 REACH 指令。不含多环芳烃或六价铬
经过测试的质量
在自有实验室中测试,符合欧洲标准
坚固的外壳
由压制镀锌钢制成
多样化安装选项
不同的安装尺寸适用于广泛的应用
节约资源的部件更换
螺纹轴便于轻松更换轮子
不间断使用
带防尘圈的转向轴承,保证持续不间断的运动
安静滚动
软轮版本可营造安静的工作环境
低振动运输
超软轮子,具备良好的减震性能
跳过产品库

相关产品

变体
万向脚轮 125 mm
万向脚轮 125 mm
Alpha
3470IEP125P63 CL60 OH161

Alpha万向脚轮采用矩形板安装方式,配备钢板重型外壳结构和两个钢珠滚道旋转轴承系统,确保卓越的承载性能和灵活转向。脚轮轮体采用铝制材料制造,表面覆盖弹性轮胎黑色硫化胎面,内置精密滚珠轴承,轮径为125毫米。产品总高度为161毫米,静态承载能力达600千克。动态承载能力在4千米每小时速度下为300千克,在6千米每小时速度下为200千克。该脚轮广泛应用于汽车OEM、餐饮手推车和送餐系统、集装箱建造、电子系统洁净室技术、消防技术防火保护、机械制造、邮政物流系统、生产和平台手推车、滚笼、工具柜、运输设备、废物处理设备以及工作台等多个工业领域,为各种移动设备提供可靠的支撑和转向解决方案。

125 mm
161 mm
300 kg
125 mm
161 mm
300 kg
变体
带全锁的旋转脚轮  125 mm
带全锁的旋转脚轮 125 mm
Alpha
3477IEP125P63 CL60 OH161

Alpha带全锁的旋转脚轮采用矩形板安装方式,为各种工业应用提供可靠的移动解决方案。脚轮外壳采用钢板重型结构,配备两个钢珠滚道的旋转轴承系统,确保平稳的360度旋转性能和出色的耐久性。车轮采用铝制轮体设计,表面覆盖黑色硫化弹性轮胎,提供优异的减震性能和地面保护,内置精密滚珠轴承保证轮子转动的顺畅性。车轮直径为125毫米,脚轮总高度为161毫米,结构紧凑适合多种安装环境。该脚轮具有卓越的承载能力,静态负荷可达600公斤,动态负荷在4公里每小时速度下为300公斤,在6公里每小时速度下为200公斤。广泛应用于汽车OEM、餐饮手推车和送餐系统、集装箱建造、电子系统洁净室技术、消防技术防火保护、机械制造、邮政物流系统、生产和平台手推车、滚笼、工具柜、运输设备、废物处理设备以及工作台等领域。

125 mm
161 mm
300 kg
125 mm
161 mm
300 kg
跳过产品库

相关产品

变体
万向脚轮 125 mm
万向脚轮 125 mm
Alpha
3470IEP125P63 CL60 OH161

Alpha万向脚轮采用矩形板安装方式,配备钢板重型外壳结构和两个钢珠滚道旋转轴承系统,确保卓越的承载性能和灵活转向。脚轮轮体采用铝制材料制造,表面覆盖弹性轮胎黑色硫化胎面,内置精密滚珠轴承,轮径为125毫米。产品总高度为161毫米,静态承载能力达600千克。动态承载能力在4千米每小时速度下为300千克,在6千米每小时速度下为200千克。该脚轮广泛应用于汽车OEM、餐饮手推车和送餐系统、集装箱建造、电子系统洁净室技术、消防技术防火保护、机械制造、邮政物流系统、生产和平台手推车、滚笼、工具柜、运输设备、废物处理设备以及工作台等多个工业领域,为各种移动设备提供可靠的支撑和转向解决方案。

125 mm
161 mm
300 kg
125 mm
161 mm
300 kg
变体
带全锁的旋转脚轮  125 mm
带全锁的旋转脚轮 125 mm
Alpha
3477IEP125P63 CL60 OH161

Alpha带全锁的旋转脚轮采用矩形板安装方式,为各种工业应用提供可靠的移动解决方案。脚轮外壳采用钢板重型结构,配备两个钢珠滚道的旋转轴承系统,确保平稳的360度旋转性能和出色的耐久性。车轮采用铝制轮体设计,表面覆盖黑色硫化弹性轮胎,提供优异的减震性能和地面保护,内置精密滚珠轴承保证轮子转动的顺畅性。车轮直径为125毫米,脚轮总高度为161毫米,结构紧凑适合多种安装环境。该脚轮具有卓越的承载能力,静态负荷可达600公斤,动态负荷在4公里每小时速度下为300公斤,在6公里每小时速度下为200公斤。广泛应用于汽车OEM、餐饮手推车和送餐系统、集装箱建造、电子系统洁净室技术、消防技术防火保护、机械制造、邮政物流系统、生产和平台手推车、滚笼、工具柜、运输设备、废物处理设备以及工作台等领域。

125 mm
161 mm
300 kg
125 mm
161 mm
300 kg