跳到主要内容 跳到搜索 跳到主导航
欢迎访问我们全新改版的网站!
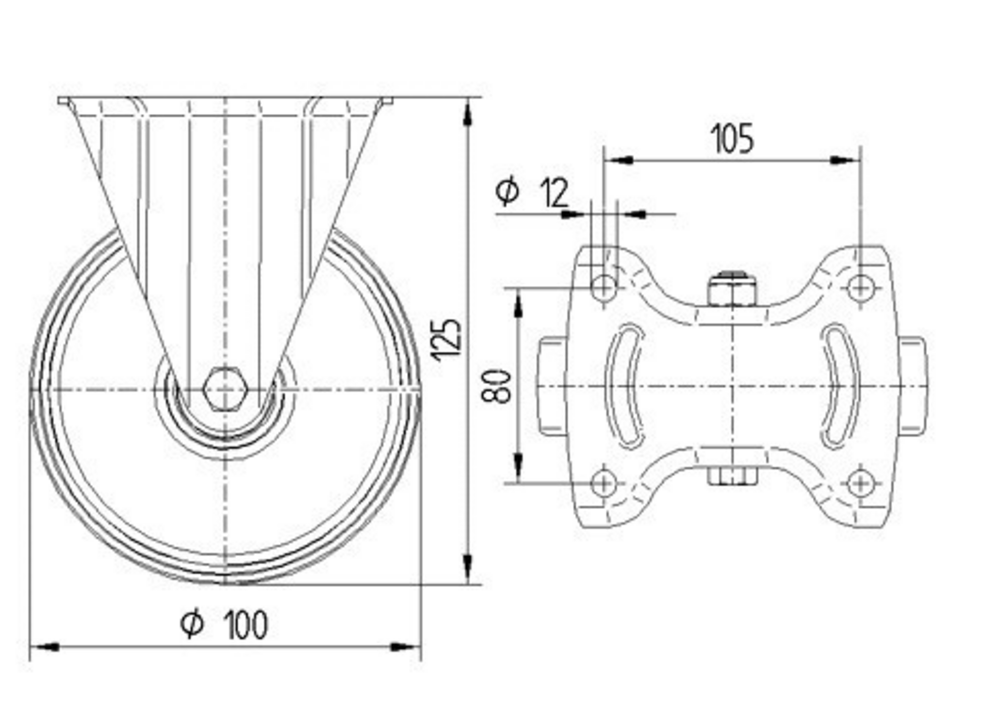
Alpha固定脚轮采用矩形板安装方式,配备钢板重型外壳结构,确保在工业环境中的耐用性和稳定性。脚轮轮体采用铝制材料制造,表面覆盖黑色硫化弹性轮胎,提供优异的减震性能和地面保护,内置精密滚珠轴承系统保证平稳运转和较长使用寿命。轮子直径为100毫米,整体高度为125毫米,结构紧凑适合各种安装空间要求。该脚轮动载荷能力为200公斤(在4公里每小时速度下),静载荷能力达400公斤,能够满足重载应用需求。产品广泛应用于汽车OEM、餐饮手推车和送餐系统、集装箱建造、电子系统洁净室技术、消防技术防火保护、机械制造、邮政物流系统、生产和平台手推车、滚笼、工具柜、运输设备、废物处理设备以及工作台等多个工业领域,为各种移动设备提供可靠的支撑解决方案。
滚动性能
移动噪声
流失率
耐腐蚀性
物料编号
物品编号
3478IEP100P63 CL50 OH125
EAN
4031582306392
S4物料编号
990030864
Core attributes
外壳类型
固定脚轮
总宽度
115 mm
4 公里/小时的载重
200 kg
静态载重
400 kg
总高
125 mm
温度范围(最大)
85 °C
温度范围(最低)
-20 °C
总重量
0.99 kg
产品名称
Alpha
标准
EN12532 - 运输器械
导电
不锈
Fitting
固定件类型
矩形板
上板孔直径
11 mm
上板孔长度(最大)
80 mm
上板孔长度(最小)
75 mm
上板孔宽度(最大)
105 mm
上板孔宽度(最小)
75 mm
上板长
136 mm
上板宽
117 mm
Housing
颜色
蓝色钝化
支架形状
材料
钢板,重型
旋转轴承
两个钢珠滚道
Wheel
胎面硬度 (A)
68 岸 A
轮体材料
胎面材料
弹性轮胎,黑色,硫化
胎面宽度
40 mm
直径
100 mm
轮体宽度
40 mm
侧盖
无螺纹护罩
用螺母拧紧
轴承
精密滚珠轴承
轮子颜色
金属色
special-features-image
特殊功能
无害材料
符合 RoHS 和 REACH 指令。不含多环芳烃或六价铬
经过测试的质量
在自有实验室中测试,符合欧洲标准
坚固的外壳
由压制镀锌钢制成
多样化安装选项
不同的安装尺寸适用于广泛的应用
节约资源的部件更换
螺纹轴便于轻松更换轮子
不间断使用
带防尘圈的转向轴承,保证持续不间断的运动
安静滚动
软轮版本可营造安静的工作环境
低振动运输
超软轮子,具备良好的减震性能
跳过产品库

配件

轮子 100 mm
Novatech
ITP 100x40-Ø12 HL45 incl. A-set

Novatech脚轮轮子采用铝制轮体和聚氨酯铸造胎面,配备精密滚珠轴承,确保优异的运行性能。轮子直径为100毫米,胎面宽度40毫米,轮毂长度45毫米,轴孔直径12毫米。该轮子具有出色的承载能力:静态载荷可达600千克,动态载荷在4千米每小时速度下为300千克,在6千米每小时速度下为240千克。铝制轮体结构轻量化且耐腐蚀,聚氨酯胎面提供良好的耐磨性和减震效果,精密滚珠轴承保证了平稳的转动和较长的使用寿命,适用于各种工业和商业应用场景。

100 mm
300 kg
100 mm
300 kg