Zum Hauptinhalt springen Zur Suche springen Zur Hauptnavigation springen
Willkommen auf unserer neu gestalteten Website!

CAD-Dateien

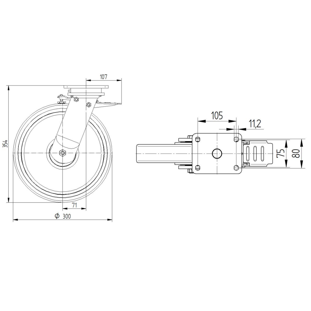
Die Kappa load ist eine Lenkrolle mit Totalfeststeller, vorlaufend, die mit einer mittelgroßen rechteckigen Platte ausgestattet ist. Das Gehäuse besteht aus Schmiedeeisen, schwer, und verfügt über ein Axialrillen- und Kegelrollenlager als Schwenklager. Das Rad weist einen Durchmesser von 300 mm auf, wobei der Radkörper aus Gusseisen gefertigt und mit einer Lauffläche aus gegossenem Polyurethan versehen ist. Die Radlagerung erfolgt über Präzisionskugellager. Die Gesamthöhe der Rolle beträgt 355 mm. Die dynamische Tragfähigkeit liegt bei 1440 kg bei 4 km/h bzw. 1200 kg bei 6 km/h, während die statische Tragfähigkeit 2400 kg erreicht. Typische Anwendungsbereiche umfassen die Luft- und Raumfahrtindustrie, Flughafenausrüstung, AMR-Systeme, Automobil-OEM, Keramik- und Glashersteller, Produktions- und Plattformwagen sowie schwere AGV-Systeme.
Rollenleistung
Bewegungsgeräusche
Attrition
Korrosionsbeständigkeit
Artikelnummern
Artikelnummer
9652FTP300P63 CL67
EAN
4031582314816
S4-Materialnummer
990830400
Core attributes
Typ
Lenkrolle mit Totalfeststeller, vorlaufend
Gesamtbreite
116 mm
Tragfähigkeit bei 4 km/h
1440 kg
Tragfähigkeit bei 6 km/h
1200 kg
Statische Tragfähigkeit
2400 kg
Bauhöhe
355 mm
Temperaturbereich (Maximum)
60 °C
Temperaturbereich (Minimum)
-10 °C
Gesamtgewicht
15,03 kg
Produktname
Kappa load
Norm
EN12533 - Schwerlastrollen
Elektrisch-leitfähig
Rostfrei
Fitting
Befestigungsart
Mittelgroße rechteckige Platte
Plattenloch Durchmesser
11 mm
Plattenlochlänge (Maximum)
80 mm
Plattenlochlänge (Minimum)
75 mm
Plattenlochbreite (Maximum)
105 mm
Plattenlochbreite (Minimum)
75 mm
Plattenlänge
135 mm
Plattenbreite
110 mm
Housing
Farbe
Blaupassiviert
Gabelform
Bauchig, verstärkt
Material
Schmiedeeisen, schwer
Schwenklager
Axialrillen- und Kegelrollenlager
Dom Durchmesser
111 mm
Störkreis
445 mm
Ausladung
70 mm
Schwenkradius
222,5 mm
Wheel
Härte der Lauffläche (A)
92 Shore A
Härte der Lauffläche (D)
42 Shore D
Material des Radkörpers
Gusseisen
Material der Lauffläche
Polyurethan, gegossen
Breite der Lauffläche
50 mm
Durchmesser
300 mm
Breite des Radkörpers
50 mm
Fadenschutz
Mit Fadenschutz
Achse
Verschraubt
Lager
Präzisionskugellager
Radfarbe
Honiggelb (RAL1005)
special-features-image
Besondere Merkmale
Unbedenkliche Materialien
Entspricht RoHS und REACH. Enthält keine polyzyklischen aromatischen Kohlenwasserstoffe oder Chrom (VI)
Geprüfte Qualität
In unserem eigenen Labor geprüft auf Konformität mit europäischen Normen
Solides Gehäuse
Hergestellt aus gepresstem, verzinktem Stahl
Verhindert Wegrollen
Radfeststeller für manuelle Betätigung
Gesicherter Stand
Totalfeststeller für gleichzeitige Blockierung von Rad und Drehgehäuse
Stabile Konstruktion
Gehäuse aus schwerem Stahl für hohe Tragfähigkeit
Wartungsarme Räder
Fadenschutzkappen für ungestörten Betrieb bei minimalem Reinigungsaufwand
Spurenlose Bewegung
Räder mit reduziertem Abrieb und geringem Reinigungsbedarf
Rückenschonende Anwendung
Räder mit optimiertem Rollwiderstand zur Entlastung des Anwenders
Produktgalerie überspringen

Passende Produkte

Varianten
Lenkrolle 300 mm
Lenkrolle 300 mm
Kappa load
9650FTP300P63 CL67

Die Lenkrolle Kappa load ist mit einer mittelgroßen rechteckigen Platte als Befestigung ausgestattet und verfügt über ein Gehäuse aus Schmiedeeisen, schwer, das mit Axialrillen- und Kegelrollenlagern für optimale Schwenkbewegungen ausgerüstet ist. Das Rad besteht aus einem Gusseisenkorpus mit einem Laufbelag aus gegossenem Polyurethan und ist mit Präzisionskugellagern versehen, wobei der Raddurchmesser 300 mm beträgt. Die Gesamthöhe der Rolle misst 355 mm. Die dynamische Tragfähigkeit erreicht 1440 kg bei 4 km/h und 1200 kg bei 6 km/h Fahrgeschwindigkeit, während die statische Tragfähigkeit 2400 kg beträgt. Diese Hochleistungsrolle eignet sich für anspruchsvolle Anwendungen in der Luft- und Raumfahrtindustrie, Flughafenausrüstung, AMR-Systeme, Automobil-OEM, Keramik- und Glashersteller, Produktions- und Plattformwagen sowie schwere AGV-Systeme.

300 mm
355 mm
1440 kg
300 mm
355 mm
1440 kg
Varianten
Lenkrolle mit Richtungsfeststeller 300 mm
Lenkrolle mit Richtungsfeststeller 300 mm
Kappa load
9651FTP300P63 CL67

Die Kappa load ist eine Lenkrolle mit Richtungsfeststeller, ausgestattet mit einer mittelgroßen rechteckigen Platte als Befestigung. Das Gehäuse besteht aus Schmiedeeisen, schwer, und verfügt über ein Axialrillen- und Kegelrollenlager als Schwenklager für optimale Beweglichkeit. Das Rad mit einem Durchmesser von 300 mm kombiniert einen robusten Gusseisen-Radkörper mit einer gegossenen Polyurethan-Lauffläche und ist mit Präzisionskugellagern ausgestattet. Die Gesamthöhe der Rolle beträgt 355 mm. Die dynamische Tragfähigkeit liegt bei 1440 kg bei 4 km/h und 1200 kg bei 6 km/h, während die statische Tragfähigkeit 2400 kg erreicht. Typische Anwendungsbereiche umfassen die Luft- und Raumfahrtindustrie, Flughafenausrüstung, AMR-Systeme, Automobil-OEM, Keramik- und Glashersteller, Produktions- und Plattformwagen sowie schwere AGV-Systeme.

300 mm
355 mm
1440 kg
300 mm
355 mm
1440 kg
Produktgalerie überspringen

Passende Produkte

Varianten
Lenkrolle 300 mm
Lenkrolle 300 mm
Kappa load
9650FTP300P63 CL67

Die Lenkrolle Kappa load ist mit einer mittelgroßen rechteckigen Platte als Befestigung ausgestattet und verfügt über ein Gehäuse aus Schmiedeeisen, schwer, das mit Axialrillen- und Kegelrollenlagern für optimale Schwenkbewegungen ausgerüstet ist. Das Rad besteht aus einem Gusseisenkorpus mit einem Laufbelag aus gegossenem Polyurethan und ist mit Präzisionskugellagern versehen, wobei der Raddurchmesser 300 mm beträgt. Die Gesamthöhe der Rolle misst 355 mm. Die dynamische Tragfähigkeit erreicht 1440 kg bei 4 km/h und 1200 kg bei 6 km/h Fahrgeschwindigkeit, während die statische Tragfähigkeit 2400 kg beträgt. Diese Hochleistungsrolle eignet sich für anspruchsvolle Anwendungen in der Luft- und Raumfahrtindustrie, Flughafenausrüstung, AMR-Systeme, Automobil-OEM, Keramik- und Glashersteller, Produktions- und Plattformwagen sowie schwere AGV-Systeme.

300 mm
355 mm
1440 kg
300 mm
355 mm
1440 kg
Varianten
Lenkrolle mit Richtungsfeststeller 300 mm
Lenkrolle mit Richtungsfeststeller 300 mm
Kappa load
9651FTP300P63 CL67

Die Kappa load ist eine Lenkrolle mit Richtungsfeststeller, ausgestattet mit einer mittelgroßen rechteckigen Platte als Befestigung. Das Gehäuse besteht aus Schmiedeeisen, schwer, und verfügt über ein Axialrillen- und Kegelrollenlager als Schwenklager für optimale Beweglichkeit. Das Rad mit einem Durchmesser von 300 mm kombiniert einen robusten Gusseisen-Radkörper mit einer gegossenen Polyurethan-Lauffläche und ist mit Präzisionskugellagern ausgestattet. Die Gesamthöhe der Rolle beträgt 355 mm. Die dynamische Tragfähigkeit liegt bei 1440 kg bei 4 km/h und 1200 kg bei 6 km/h, während die statische Tragfähigkeit 2400 kg erreicht. Typische Anwendungsbereiche umfassen die Luft- und Raumfahrtindustrie, Flughafenausrüstung, AMR-Systeme, Automobil-OEM, Keramik- und Glashersteller, Produktions- und Plattformwagen sowie schwere AGV-Systeme.

300 mm
355 mm
1440 kg
300 mm
355 mm
1440 kg