Zum Hauptinhalt springen Zur Suche springen Zur Hauptnavigation springen
Willkommen auf unserer neu gestalteten Website!
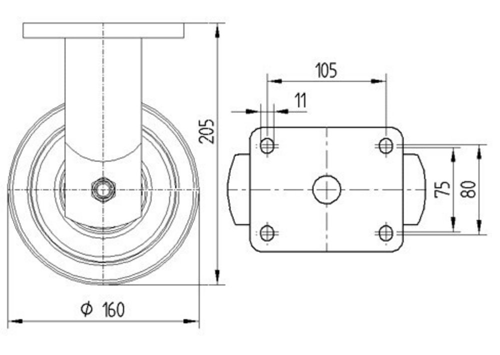
Die Bockrolle Kappa ist mit einer mittelgroßen rechteckigen Platte als Befestigung ausgestattet und verfügt über ein Gehäuse aus Schmiedeeisen, schwer. Das Rad besteht aus einem Aluminiumkörper mit gegossenem Polyurethan-Laufbelag und ist mit Präzisionskugellagern ausgerüstet, bei einem Raddurchmesser von 160 mm. Die Gesamthöhe der Rolle beträgt 205 mm. Die dynamische Tragfähigkeit liegt bei 800 kg bei 4 km/h und 640 kg bei 6 km/h, während die statische Tragfähigkeit 1600 kg erreicht. Diese Bockrolle eignet sich für anspruchsvolle Anwendungen in der Luft- und Raumfahrtindustrie, Flughafenausrüstung, AMR-Systeme, Automobil-OEM, Keramik- und Glashersteller, Produktions- und Plattformwagen sowie schwere AGV-Systeme.
Rollenleistung
Bewegungsgeräusche
Attrition
Korrosionsbeständigkeit
Artikelnummern
Artikelnummer
9688ITP160P63 CL67
EAN
4031582316483
S4-Materialnummer
990802073
Core attributes
Typ
Bockrolle
Gesamtbreite
98 mm
Tragfähigkeit bei 4 km/h
800 kg
Tragfähigkeit bei 6 km/h
640 kg
Statische Tragfähigkeit
1600 kg
Bauhöhe
205 mm
Temperaturbereich (Maximum)
60 °C
Temperaturbereich (Minimum)
-10 °C
Gesamtgewicht
2,97 kg
Produktname
Kappa
Norm
EN12532 - Transportgeräte
Elektrisch-leitfähig
Rostfrei
Fitting
Befestigungsart
Mittelgroße rechteckige Platte
Plattenloch Durchmesser
11 mm
Plattenlochlänge (Maximum)
80 mm
Plattenlochlänge (Minimum)
75 mm
Plattenlochbreite (Maximum)
105 mm
Plattenlochbreite (Minimum)
75 mm
Plattenlänge
135 mm
Plattenbreite
110 mm
Housing
Farbe
Blaupassiviert
Gabelform
Bauchig, verstärkt
Material
Schmiedeeisen, schwer
Schwenklager
Kugelbahn, zweireihig, verstärkt oder rostfrei
Dom Durchmesser
96 mm
Wheel
Härte der Lauffläche (A)
92 Shore A
Härte der Lauffläche (D)
42 Shore D
Material des Radkörpers
Aluminium
Material der Lauffläche
Polyurethan, gegossen
Breite der Lauffläche
50 mm
Durchmesser
160 mm
Breite des Radkörpers
50 mm
Fadenschutz
Ohne Fadenschutz
Achse
Verschraubt
Lager
Präzisionskugellager
Radfarbe
Honiggelb (RAL1005)
special-features-image
Besondere Merkmale
Unbedenkliche Materialien
Entspricht RoHS und REACH. Enthält keine polyzyklischen aromatischen Kohlenwasserstoffe oder Chrom (VI)
Geprüfte Qualität
In unserem eigenen Labor geprüft auf Konformität mit europäischen Normen
Solides Gehäuse
Hergestellt aus gepresstem, verzinktem Stahl
Ressourcenschonender Teiletausch
Gewindeachsen für mühelosen Radwechsel
Störungsfreier Einsatz
Schwenklager mit Staubring für kontinuierliche Bewegung
Stabile Konstruktion
Gehäuse aus schwerem Stahl für hohe Tragfähigkeit
Zuverlässige Bodenhaftung
Laufflächen mit optimierter Traktion für sicheren Halt auf nassen und rutschigen Böden
Stabile Konstruktion
Massive Stahlplatte für maximale Tragfähigkeit
Spurenlose Bewegung
Räder mit reduziertem Abrieb und geringem Reinigungsbedarf
Rückenschonende Anwendung
Räder mit optimiertem Rollwiderstand zur Entlastung des Anwenders
Optimierte Richtungsfeststellung
Richtungsfeststeller einstellbar auf 2x180° oder 4x90°
Langlebige Oberflächen
Hochwertige Verzinkung für lange Lebensdauer unter harten Bedingungen
Extrem stabile Konstruktion
Geschweißte massive Stahlkonstruktion für höchste Tragfähigkeit
Sehr stabile Konstruktion
Extra schweres Stahlgehäuse für hohe Tragfähigkeit
Gehärteter Kugelkranz
Zwei gehärtete zweireihige Kugellaufbahnen garantieren außergewöhnliche Stabilität
Flexible Feststellung
Einsatz von zwei unabhängigen Betätigungssystemen in einer Rolle
Produktgalerie überspringen

Zubehör

Zubehör
Fußschutz
Foot Protection Ø160

Dieses Zubehör für Rollen stellt eine essenzielle Ergänzung für Rollensysteme dar und bietet mit seinem Gewicht von 0,67 kg eine ausgewogene Balance zwischen Stabilität und Handhabbarkeit. Das präzise gefertigte Bauteil gewährleistet eine zuverlässige Funktionalität und ermöglicht eine optimale Integration in bestehende Rollenkonstruktionen, wodurch die Gesamtleistung des Systems nachhaltig verbessert wird.

Rad 160 mm
Duratech
TOP 160x50-Ø20 HL60

Das Duratech Rad für Transportrollen verfügt über einen Durchmesser von 160 mm und eine Laufflächenbreite von 50 mm bei einer Nabenlänge von 60 mm. Der Radkörper besteht aus Polyamid, schwer, wobei die Lauffläche identisch mit dem Radkörper gefertigt ist. Die Achsbohrung hat einen Durchmesser von 20 mm und ist mit einem Präzisionskugellager ausgestattet. Die statische Tragfähigkeit beträgt 1700 kg, während die dynamische Belastbarkeit 1020 kg bei 4 km/h und 850 kg bei 6 km/h erreicht.

160 mm
1020 kg
160 mm
1020 kg
Produktgalerie überspringen

Passende Produkte

Varianten
Lenkrolle 160 mm
Lenkrolle 160 mm
Kappa
9680ITP160P63 CL67

Die Lenkrolle Kappa ist mit einer mittelgroßen rechteckigen Platte als Befestigung ausgestattet und verfügt über ein Gehäuse aus Schmiedeeisen, schwer, das mit einem Kugelbahn, zweireihig, verstärkt oder rostfrei Schwenklager versehen ist. Das Rad besteht aus einem Aluminiumkörper mit Polyurethan, gegossen Lauffläche und ist mit Präzisionskugellagern ausgestattet, wobei der Raddurchmesser 160 mm beträgt. Die Gesamthöhe der Rolle beläuft sich auf 205 mm. Die dynamische Tragfähigkeit erreicht 800 kg bei 4 km/h und 640 kg bei 6 km/h, während die statische Tragfähigkeit 1600 kg beträgt. Diese Lenkrolle eignet sich für anspruchsvolle Anwendungen in der Luft- und Raumfahrtindustrie, Flughafenausrüstung, AMR-Systeme, Automobil-OEM, Keramik- und Glashersteller, Produktions- und Plattformwagen sowie schwere AGV-Systeme.

160 mm
205 mm
800 kg
160 mm
205 mm
800 kg
Varianten
Lenkrolle mit Totalfeststeller, vorlaufend 160 mm
Lenkrolle mit Totalfeststeller, vorlaufend 160 mm
Kappa
9682ITP160P63 CL67

Die Kappa ist eine Lenkrolle mit Totalfeststeller, vorlaufend, ausgestattet mit einer mittelgroßen rechteckigen Platte als Befestigung. Das Gehäuse besteht aus Schmiedeeisen, schwer, und verfügt über ein Kugelbahn-Schwenklager, zweireihig, verstärkt oder rostfrei. Das Rad mit einem Durchmesser von 160 mm besitzt einen Radkörper aus Aluminium und eine Lauffläche aus Polyurethan, gegossen, sowie Präzisionskugellager. Die Gesamthöhe der Rolle beträgt 205 mm. Die dynamische Tragfähigkeit liegt bei 800 kg bei 4 km/h und 640 kg bei 6 km/h, während die statische Tragfähigkeit 1600 kg erreicht. Einsatzgebiete umfassen Luft- und Raumfahrtindustrie, Flughafenausrüstung, AMR-Systeme, Automobil-OEM, Keramik- und Glashersteller, Produktions- und Plattformwagen sowie schwere AGV-Systeme.

160 mm
205 mm
800 kg
160 mm
205 mm
800 kg
Varianten
Lenkrolle mit Richtungsfeststeller 160 mm
Lenkrolle mit Richtungsfeststeller 160 mm
Kappa
9681ITP160P63 CL67

Die Kappa Lenkrolle mit Richtungsfeststeller ist mit einer mittelgroßen rechteckigen Platte ausgestattet und verfügt über ein Gehäuse aus Schmiedeeisen, schwer, das mit einem zweireihigen, verstärkten oder rostfreien Kugelbahn-Schwenklager versehen ist. Das Rad besteht aus einem Aluminiumkörper mit gegossenem Polyurethan-Laufbelag und ist mit Präzisionskugellagern ausgestattet, wobei der Raddurchmesser 160 mm beträgt. Die Gesamthöhe der Rolle beläuft sich auf 205 mm. Die dynamische Tragfähigkeit erreicht 800 kg bei 4 km/h bzw. 640 kg bei 6 km/h, während die statische Tragfähigkeit 1600 kg beträgt. Typische Anwendungsbereiche umfassen die Luft- und Raumfahrtindustrie, Flughafenausrüstung, AMR-Systeme, Automobil-OEM, Keramik- und Glashersteller, Produktions- und Plattformwagen sowie schwere AGV-Systeme.

160 mm
205 mm
800 kg
160 mm
205 mm
800 kg
Produktgalerie überspringen

Passende Produkte

Varianten
Lenkrolle 160 mm
Lenkrolle 160 mm
Kappa
9680ITP160P63 CL67

Die Lenkrolle Kappa ist mit einer mittelgroßen rechteckigen Platte als Befestigung ausgestattet und verfügt über ein Gehäuse aus Schmiedeeisen, schwer, das mit einem Kugelbahn, zweireihig, verstärkt oder rostfrei Schwenklager versehen ist. Das Rad besteht aus einem Aluminiumkörper mit Polyurethan, gegossen Lauffläche und ist mit Präzisionskugellagern ausgestattet, wobei der Raddurchmesser 160 mm beträgt. Die Gesamthöhe der Rolle beläuft sich auf 205 mm. Die dynamische Tragfähigkeit erreicht 800 kg bei 4 km/h und 640 kg bei 6 km/h, während die statische Tragfähigkeit 1600 kg beträgt. Diese Lenkrolle eignet sich für anspruchsvolle Anwendungen in der Luft- und Raumfahrtindustrie, Flughafenausrüstung, AMR-Systeme, Automobil-OEM, Keramik- und Glashersteller, Produktions- und Plattformwagen sowie schwere AGV-Systeme.

160 mm
205 mm
800 kg
160 mm
205 mm
800 kg
Varianten
Lenkrolle mit Totalfeststeller, vorlaufend 160 mm
Lenkrolle mit Totalfeststeller, vorlaufend 160 mm
Kappa
9682ITP160P63 CL67

Die Kappa ist eine Lenkrolle mit Totalfeststeller, vorlaufend, ausgestattet mit einer mittelgroßen rechteckigen Platte als Befestigung. Das Gehäuse besteht aus Schmiedeeisen, schwer, und verfügt über ein Kugelbahn-Schwenklager, zweireihig, verstärkt oder rostfrei. Das Rad mit einem Durchmesser von 160 mm besitzt einen Radkörper aus Aluminium und eine Lauffläche aus Polyurethan, gegossen, sowie Präzisionskugellager. Die Gesamthöhe der Rolle beträgt 205 mm. Die dynamische Tragfähigkeit liegt bei 800 kg bei 4 km/h und 640 kg bei 6 km/h, während die statische Tragfähigkeit 1600 kg erreicht. Einsatzgebiete umfassen Luft- und Raumfahrtindustrie, Flughafenausrüstung, AMR-Systeme, Automobil-OEM, Keramik- und Glashersteller, Produktions- und Plattformwagen sowie schwere AGV-Systeme.

160 mm
205 mm
800 kg
160 mm
205 mm
800 kg
Varianten
Lenkrolle mit Richtungsfeststeller 160 mm
Lenkrolle mit Richtungsfeststeller 160 mm
Kappa
9681ITP160P63 CL67

Die Kappa Lenkrolle mit Richtungsfeststeller ist mit einer mittelgroßen rechteckigen Platte ausgestattet und verfügt über ein Gehäuse aus Schmiedeeisen, schwer, das mit einem zweireihigen, verstärkten oder rostfreien Kugelbahn-Schwenklager versehen ist. Das Rad besteht aus einem Aluminiumkörper mit gegossenem Polyurethan-Laufbelag und ist mit Präzisionskugellagern ausgestattet, wobei der Raddurchmesser 160 mm beträgt. Die Gesamthöhe der Rolle beläuft sich auf 205 mm. Die dynamische Tragfähigkeit erreicht 800 kg bei 4 km/h bzw. 640 kg bei 6 km/h, während die statische Tragfähigkeit 1600 kg beträgt. Typische Anwendungsbereiche umfassen die Luft- und Raumfahrtindustrie, Flughafenausrüstung, AMR-Systeme, Automobil-OEM, Keramik- und Glashersteller, Produktions- und Plattformwagen sowie schwere AGV-Systeme.

160 mm
205 mm
800 kg
160 mm
205 mm
800 kg