Přejít na hlavní obsah Přeskočit na vyhledávání Přeskočit na hlavní navigaci
Vítejte na našich nově přepracovaných webových stránkách!

CAD soubory

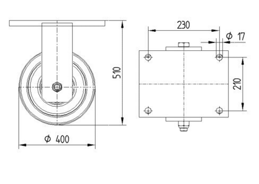
Pevné Kolečko Omikron twin je vybaveno obdélníkovou destičkou pro montáž a robustním pouzdrem z litiny nebo kované litiny, těžká konstrukce. Kolečko má tělo z litiny s běhounem z odlitého polyuretanu a je osazeno přesnými kuličkovými ložisky pro optimální chod. Průměr kolečka činí 400 mm při celkové výšce 510 mm. Dynamická nosnost dosahuje 7200 kg při rychlosti 4 km/h nebo 5000 kg při rychlosti 6 km/h, statická nosnost je 10800 kg. Kolečko je určeno pro náročné aplikace v leteckém průmyslu, letištním vybavení a těžkých AGV systémech, kde je vyžadována vysoká spolehlivost a odolnost při přepravě těžkých břemen.
Výkon válce
Šum pohybu
Attrition
Odolnost proti korozi
Čísla artiklu
Název produktu
9958FTP400P68
EAN
4031582317022
Číslo materiálu S4
990801592
Core attributes
Typ
Pevné Kolečko
Stavební výška
285 mm
Nosnost 4 km/h
7200 kg
Nosnost 6 km/h
5000 kg
Statická Nosnost
10800 kg
Celková výška
510 mm
Teplotní rozsah (maximální)
60 °C
Rozsah teploty (minimální)
-10 °C
Celková hmotnost
71,44 kg
Název produktu
Omikron twin
Norma
podobná EN12532 - Přepravní vybavení
Elektrické vodivé
Nerezové
Fitting
Typ uchycení
Obdélníková destička
Průměr otvoru plotny
17 mm
Délka otvoru plotny (maximální)
210 mm
Šířka otvoru plotny (maximální)
230 mm
Délka plotny
270 mm
Šířka plotny
250 mm
Housing
Barva vidlice
Průhledný Povlak
Tvar Vidlice
Uchycení dvou Kolo
Materiál
Litina nebo kovaná litina, těžká
Otočné ložisko
Kulové otočné jehlové ložisko
Poloměr otáčení
235 mm
Wheel
Tvrdost Běhoun (A)
92 Obuv A
Tvrdost Běhoun (D)
42 Shore D
Materiál středu
Litina
Materiál běhounu
Polyuretan, Odlitý
Šířka Běhoun
80 mm
Průměr
400 mm
Šířka středu kola
80 mm
Ochranná krytka
S ložiskovým pouzdrem
Osa kola
Šroub s maticí
Ložisko
Přesné kuličkové ložisko
Barva Kola
Medově žlutá (RAL1005)
special-features-image
Speciální funkce
Neškodné materiály
V souladu s RoHS a REACH. Neobsahuje polycyklické aromatické uhlovodíky ani chrom (VI)
Testovaná kvalita
Testováno v naší vlastní laboratoři na shodu s evropskými normami
Pevná vidlice
Vyrobeno z lisované oceli, pozinkované
Silná konstrukce
Kryt z těžké oceli pro vysokou nosnost
Nízkoudržbová kola
Kryty závitů pro nerušený provoz s minimálním čištěním
Neznačkujíci Provedení
Kola se sníženým opotřebením a malými nároky na čištění
Ergonomické použití
Kola s optimalizovaným valivým odporem pro snížení zátěže uživatele
Extra těžká konstrukce
Svařovaná masivní ocelová konstrukce pro nejvyšší nosnost
Těžká konstrukce
Mimořádně těžký ocelový kryt pro vysokou nosnost
Optimalizovaná ovladatelnost
Dvojité kolečko s vysokou manévrovatelností díky diferenciálnímu efektu
Ochrana podlahy rozložením zátěže
Dvě kola rozdělují zátěž a minimalizují otlaky na podlaze
Přeskočit galerii produktů

Příslušenství

Kolo 400 mm
Novatech
FTP 400x80-Ø40 HL90

Kolo Novatech pro kladky je vyrobeno z litiny s polyuretanovým odlitým běhounem o šířce 80 mm a průměru 400 mm, opatřené přesnými kuličkovými ložisky s osou o průměru díry 40 mm a délce náboje 90 mm. Dynamická nosnost dosahuje 3000 kg při rychlosti 4 km/h nebo 2500 kg při rychlosti 6 km/h, zatímco statická nosnost činí 5000 kg, což zajišťuje spolehlivý provoz v náročných průmyslových aplikacích.

400 mm
3000 kg
400 mm
3000 kg
Přeskočit galerii produktů

Související produkty

Varianty
Otočné Kolečko 400 mm
Otočné Kolečko 400 mm
Omikron twin
9950FTP400P68

Otočné Kolečko Omikron twin je vybaveno obdélníkovou destičkou pro montáž a robustním pouzdrem z litiny nebo kované litiny, těžká konstrukce s kulovým otočným jehlovým ložiskem zajišťuje spolehlivý provoz. Kolečko má litinové tělo s odlitým polyuretanovým běhounem a přesným kuličkovým ložiskem, průměr kola činí 400 mm. Celková výška konstrukce dosahuje 510 mm. Dynamická nosnost je 7200 kg při rychlosti 4 km/h nebo 5000 kg při rychlosti 6 km/h, statická nosnost dosahuje 10800 kg. Produkt je určen pro letecký průmysl, letištní vybavení a těžké AGV systémy, kde jsou kladeny vysoké nároky na spolehlivost a nosnost.

400 mm
510 mm
7200 kg
400 mm
510 mm
7200 kg
Přeskočit galerii produktů

Související produkty

Varianty
Otočné Kolečko 400 mm
Otočné Kolečko 400 mm
Omikron twin
9950FTP400P68

Otočné Kolečko Omikron twin je vybaveno obdélníkovou destičkou pro montáž a robustním pouzdrem z litiny nebo kované litiny, těžká konstrukce s kulovým otočným jehlovým ložiskem zajišťuje spolehlivý provoz. Kolečko má litinové tělo s odlitým polyuretanovým běhounem a přesným kuličkovým ložiskem, průměr kola činí 400 mm. Celková výška konstrukce dosahuje 510 mm. Dynamická nosnost je 7200 kg při rychlosti 4 km/h nebo 5000 kg při rychlosti 6 km/h, statická nosnost dosahuje 10800 kg. Produkt je určen pro letecký průmysl, letištní vybavení a těžké AGV systémy, kde jsou kladeny vysoké nároky na spolehlivost a nosnost.

400 mm
510 mm
7200 kg
400 mm
510 mm
7200 kg