Přejít na hlavní obsah Přeskočit na vyhledávání Přeskočit na hlavní navigaci
Vítejte na našich nově přepracovaných webových stránkách!

CAD soubory

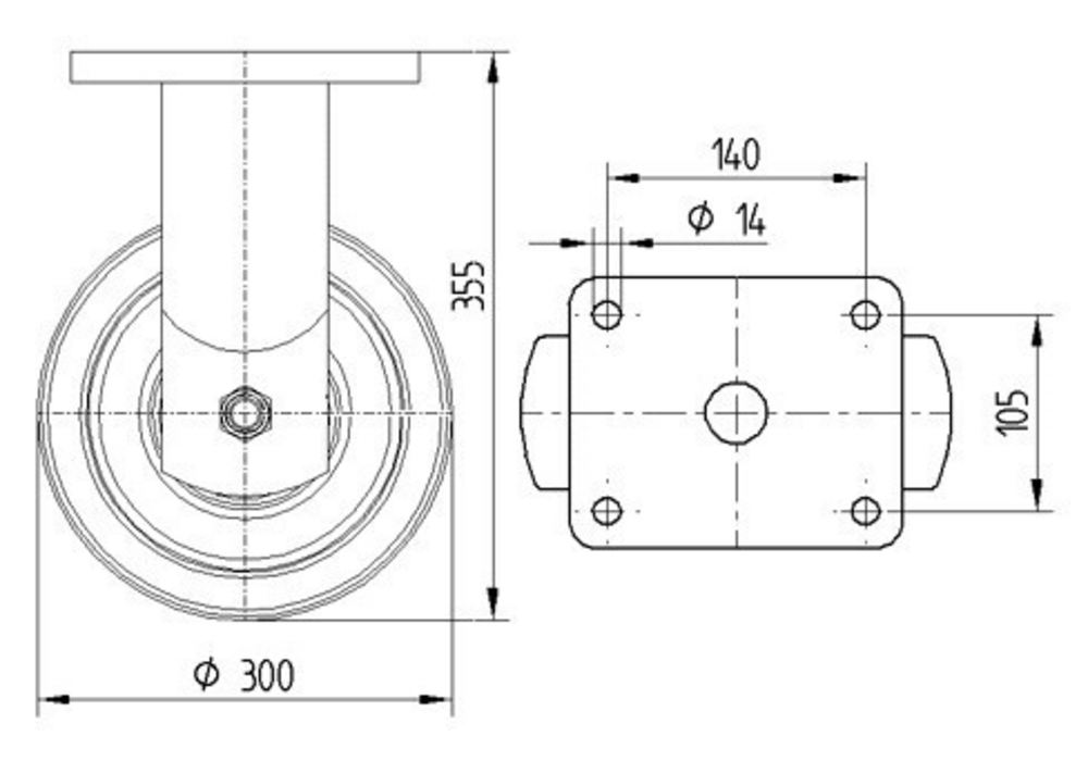
Kappa load je pevné kolečko s obdélníkovou destičkou pro spolehlivé průmyslové aplikace. Uchycení zajišťuje obdélníková destička umožňující stabilní montáž na různé konstrukce. Pouzdro je vyrobeno z litiny nebo kované litiny, těžká konstrukce garantuje vysokou odolnost a dlouhou životnost i při náročném provozu. Kolo má tělo z litiny s odlitým polyuretanovým běhounem a je osazeno přesným kuličkovým ložiskem pro plynulý chod a minimální odpor valení. Průměr kola činí 300 mm, celková výška kolečka dosahuje 355 mm. Dynamická nosnost je 2400 kg při rychlosti 4 km/h nebo 2000 kg při rychlosti 6 km/h, statická nosnost dosahuje 4800 kg, což umožňuje použití pro těžké náklady a stacionární aplikace.
Výkon válce
Šum pohybu
Attrition
Odolnost proti korozi
Čísla artiklu
Číslo zboží
9658FTP300P64
EAN
4031582316346
Základní atributy
Typ
Pevné Kolečko
Nosnost 4 km/h
2400 kg
Nosnost 6 km/h
2000 kg
Statický Nosnost
4800 kg
Celková výška
355 mm
Teplotní rozsah (maximální)
60 °C
Rozsah teploty (minimální)
-20 °C
Celková hmotnost
17,23 kg
Název produktu
Kappa load
Standardní
EN12533 – Heavy duty kolečka
Elektrické vodivé
Nerezové
Upevnění
Typ montáže
Obdélníková destička
Průměr otvoru dlahy
15 mm
Délka otvoru dlahy (maximální)
140 mm
Šířka otvoru dlahy (maximální)
105 mm
Délka dlahy
175 mm
Šířka desky
140 mm
Pouzdro
Tvar Vidlice
Široký, Vyztužené
Materiál
Litina nebo kovaná litina, těžká
Kolečko
Tvrdost Běhoun (A)
92 Obuv A
Materiál těla
Litina
Materiál běhounu
Polyuretan, Odlitý
Šířka Běhoun
80 mm
Průměr
300 mm
Ochranná krytka
S ložiskovým pouzdrem
Šroub
Šroub s maticí
Ložisko
Přesné kuličkové ložisko
special-features-image
Speciální funkce
TENTE's OMIKRON castors are engineered for exceptional performance under extreme conditions. Featuring a solid welded steel construction, these castors can transport the heaviest loads with high steering stability and excellent maneuverability.
Neškodné materiály
V souladu s RoHS a REACH. Neobsahuje polycyklické aromatické uhlovodíky ani chrom (VI)
Testovaná kvalita
Testováno v naší vlastní laboratoři na shodu s evropskými normami
Pevná skříň
Vyrobeno z lisované oceli, pozinkované
Silná konstrukce
Kryt z těžké oceli pro vysokou nosnost
Nízkoudržbová kola
Kryty závitů pro nerušený provoz s minimálním čištěním
Nep hinterlasse-spuren
Kola se sníženým opotřebením a malými nároky na čištění
Ergonomické použití
Kola s optimalizovaným valivým odporem pro snížení zátěže uživatele
Přeskočit galerii produktů

Příslušenství

Kolo 300 mm
Novatech
FTP 300x80-Ø30 HL92

Kolo Novatech je určeno pro použití v kolečkách a vyznačuje se průměrem 300 mm a šířkou běhounu 80 mm. Náboj má délku 92 mm s otvorem pro osu o průměru 30 mm. Kolo je vybaveno přesným kuličkovým ložiskem a má tělo z litiny s běhounem z odlitého polyuretanu. Dynamická nosnost dosahuje 2400 kg při rychlosti 4 km/h nebo 2000 kg při rychlosti 6 km/h, zatímco statická nosnost je 4000 kg, což zajišťuje spolehlivý provoz i při vysokém zatížení.

300 mm
Mimořádně těžká zátěž
300 mm
Mimořádně těžká zátěž