Přejít na hlavní obsah Přeskočit na vyhledávání Přeskočit na hlavní navigaci
Vítejte na našich nově přepracovaných webových stránkách!

CAD soubory

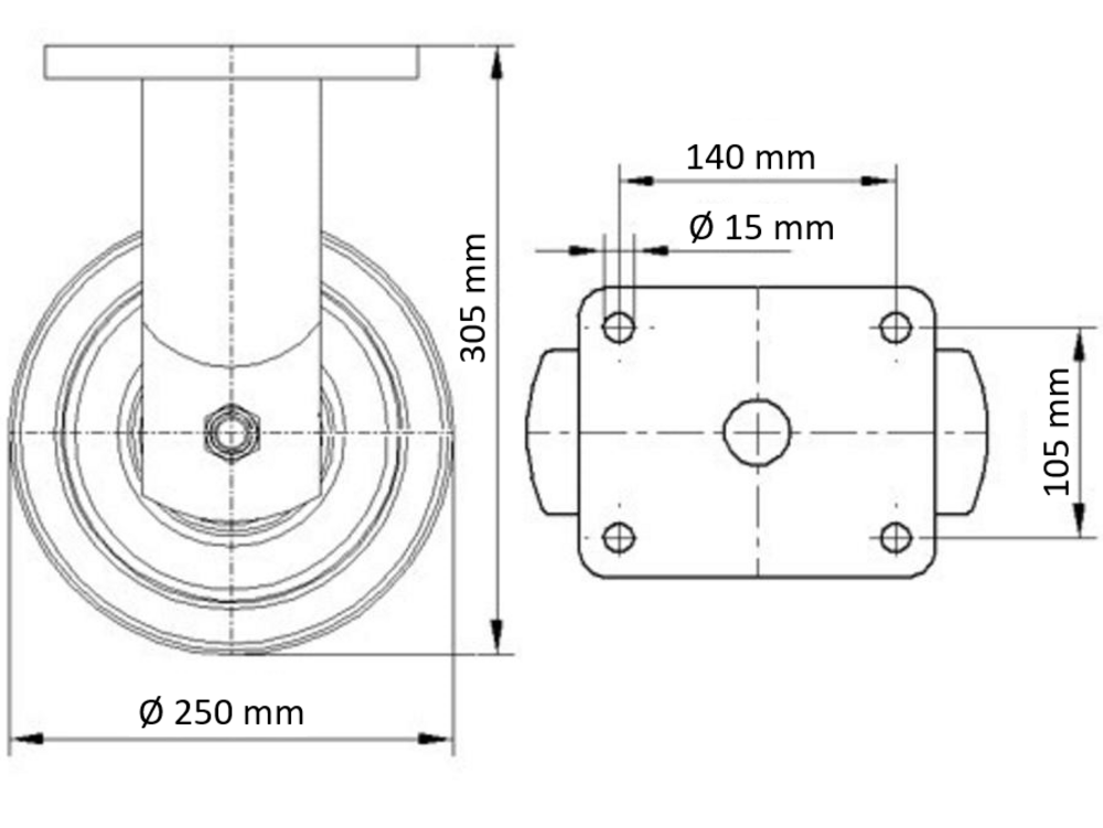
Kappa load je pevné kolečko s obdélníkovou destičkou pro spolehlivé průmyslové aplikace. Uchycení zajišťuje obdélníková destička umožňující stabilní montáž na různé konstrukce. Pouzdro je vyrobeno z litiny nebo kované litiny těžké konstrukce, která zaručuje vysokou odolnost a dlouhou životnost i při náročném provozu. Kolo má průměr 250 mm s tělem z litiny a běhounem z odlitého polyuretanu, který poskytuje vynikající odolnost proti opotřebení a tichý chod, přičemž je osazeno přesnými kuličkovými ložisky pro plynulý pohyb. Celková výška kolečka činí 305 mm. Dynamická nosnost dosahuje 2160 kg při rychlosti 4 km/h nebo 1800 kg při rychlosti 6 km/h, zatímco statická nosnost je 4320 kg, což umožňuje použití pro těžké průmyslové aplikace.
Výkon válce
Šum pohybu
Attrition
Odolnost proti korozi
Čísla artiklu
Číslo zboží
9658FTP250P64
EAN
4031582316315
Základní atributy
Typ
Pevné Kolečko
Nosnost 4 km/h
2160 kg
Nosnost 6 km/h
1800 kg
Statický Nosnost
4320 kg
Celková výška
305 mm
Teplotní rozsah (maximální)
60 °C
Rozsah teploty (minimální)
-20 °C
Celková hmotnost
16,68 kg
Název produktu
Kappa load
Standardní
EN12533 – Heavy duty kolečka
Elektrické vodivé
Nerezové
Upevnění
Typ montáže
Obdélníková destička
Průměr otvoru dlahy
15 mm
Délka otvoru dlahy (maximální)
140 mm
Šířka otvoru dlahy (maximální)
105 mm
Délka dlahy
175 mm
Šířka desky
140 mm
Pouzdro
Tvar Vidlice
Široký, Vyztužené
Materiál
Litina nebo kovaná litina, těžká
Kolečko
Tvrdost Běhoun (A)
92 Obuv A
Materiál těla
Litina
Materiál běhounu
Polyuretan, Odlitý
Šířka Běhoun
80 mm
Průměr
250 mm
Ochranná krytka
S ložiskovým pouzdrem
Šroub
Šroub s maticí
Ložisko
Přesné kuličkové ložisko
special-features-image
Speciální funkce
TENTE's OMIKRON castors are engineered for exceptional performance under extreme conditions. Featuring a solid welded steel construction, these castors can transport the heaviest loads with high steering stability and excellent maneuverability.
Neškodné materiály
V souladu s RoHS a REACH. Neobsahuje polycyklické aromatické uhlovodíky ani chrom (VI)
Testovaná kvalita
Testováno v naší vlastní laboratoři na shodu s evropskými normami
Pevná skříň
Vyrobeno z lisované oceli, pozinkované
Silná konstrukce
Kryt z těžké oceli pro vysokou nosnost
Nízkoudržbová kola
Kryty závitů pro nerušený provoz s minimálním čištěním
Nep hinterlasse-spuren
Kola se sníženým opotřebením a malými nároky na čištění
Ergonomické použití
Kola s optimalizovaným valivým odporem pro snížení zátěže uživatele
Přeskočit galerii produktů

Příslušenství

Kolo 250 mm
Novatech
FTP 250x80-Ø25 HL92

Kolo Novatech pro kladky je vyrobeno z litiny s běhounem z odlitého polyuretanu o šířce 80 mm a průměru 250 mm. Náboj má délku 92 mm s otvorem pro osu o průměru 25 mm a je vybaven přesným kuličkovým ložiskem. Dynamická nosnost dosahuje 2160 kg při rychlosti 4 km/h nebo 1800 kg při rychlosti 6 km/h, zatímco statická nosnost činí 3600 kg. Kombinace litinového těla a polyuretanového běhounu zajišťuje vysokou odolnost a dlouhou životnost při náročném průmyslovém použití.

250 mm
Mimořádně těžká zátěž
250 mm
Mimořádně těžká zátěž