Přejít na hlavní obsah Přeskočit na vyhledávání Přeskočit na hlavní navigaci
Vítejte na našich nově přepracovaných webových stránkách!

CAD soubory

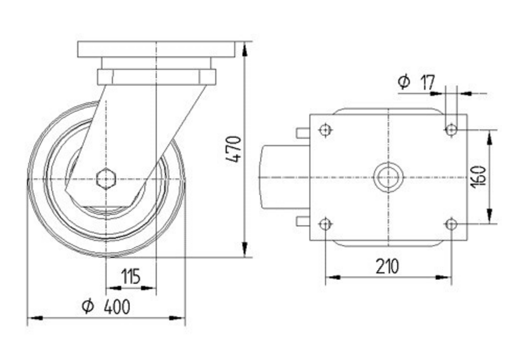
Otočné kolečko Omikron je vybaveno obdélníkovou destičkou pro montáž a robustním pouzdrem z litiny nebo kované litiny těžké konstrukce s kulovým otočným jehlovým ložiskem pro plynulý pohyb. Kolečko má litinové tělo s odlitým polyuretanovým běhounem a přesným kuličkovým ložiskem pro spolehlivý chod. Průměr kola činí 400 mm při celkové výšce 470 mm. Dynamická nosnost dosahuje 3840 kg při rychlosti 4 km/h nebo 3200 kg při rychlosti 6 km/h, zatímco statická nosnost je 7680 kg. Kolečko je určeno pro náročné aplikace v leteckém průmyslu a letištním vybavení, stejně jako pro těžké AGV systémy, kde jsou požadovány vysoké zatížení a spolehlivost.
Výkon válce
Šum pohybu
Attrition
Odolnost proti korozi
Čísla artiklu
Číslo zboží
9250FTP400P66
EAN
4031582314021
Základní atributy
Typ
Otočné Kolečko
Nosnost 4 km/h
3840 kg
Nosnost 6 km/h
3200 kg
Statický Nosnost
7680 kg
Celková výška
470 mm
Teplotní rozsah (maximální)
60 °C
Rozsah teploty (minimální)
-20 °C
Celková hmotnost
49,02 kg
Název produktu
Omikron
Standardní
EN12533 – Heavy duty kolečka
Elektrické vodivé
Nerezové
Upevnění
Typ montáže
Obdélníková destička
Průměr otvoru dlahy
17 mm
Délka otvoru dlahy (maximální)
210 mm
Šířka otvoru dlahy (maximální)
160 mm
Délka dlahy
250 mm
Šířka desky
200 mm
Pouzdro
Tvar Vidlice
Rovný
Materiál
Litina nebo kovaná litina, těžká
Otočné ložisko
Kulové otočné jehlové ložisko
Otočné rušení
630 mm
Offset
115 mm
Radius otočení
315 mm
Kolečko
Tvrdost Běhoun (A)
92 Obuv A
Materiál těla
Litina
Materiál běhounu
Polyuretan, Odlitý
Šířka Běhoun
100 mm
Průměr
400 mm
Ochranná krytka
S ložiskovým pouzdrem
Ložisko
Přesné kuličkové ložisko
special-features-image
Speciální funkce
TENTE's OMIKRON castors are engineered for exceptional performance under extreme conditions. Featuring a solid welded steel construction, these castors can transport the heaviest loads with high steering stability and excellent maneuverability.
Neškodné materiály
V souladu s RoHS a REACH. Neobsahuje polycyklické aromatické uhlovodíky ani chrom (VI)
Testovaná kvalita
Testováno v naší vlastní laboratoři na shodu s evropskými normami
Pevná skříň
Vyrobeno z lisované oceli, pozinkované
Variabilní možnosti montáže
Různé montážní rozměry pro širokou škálu aplikací
Úsporná výměna dílů
Závitové osy pro snadnou výměnu kol
Nepřerušené používání
Otočné ložisko s prachovým kroužkem pro nepřetržitý pohyb
Silná konstrukce
Kryt z těžké oceli pro vysokou nosnost
Spolehlivý tah
Optimalizované běhouny pro bezpečnou přilnavost na mokrých a kluzkých podlahách
Zajištěná montážní deska
Montážní deska zajištěná maticí a šroubem
Pevná konstrukce
Masivní ocelová deska pro maximální nosnost
Nízkoudržbová kola
Kryty závitů pro nerušený provoz s minimálním čištěním
Nep hinterlasse-spuren
Kola se sníženým opotřebením a malými nároky na čištění
Ergonomické použití
Kola s optimalizovaným valivým odporem pro snížení zátěže uživatele
Rychlá údržba
Otočná ložiska mazána dlouhodobým tukem a vybavena maznicí pro snadnou údržbu
Dlouhotrvající povrchy
Vysoce kvalitní galvanizace pro dlouhou životnost v náročných podmínkách
Extra těžká konstrukce
Svařovaná masivní ocelová konstrukce pro nejvyšší nosnost
Těžká konstrukce
Mimořádně těžký ocelový kryt pro vysokou nosnost
Přeskočit galerii produktů

Příslušenství

Kolo 400 mm
Novatech
FTP 400x100-Ø40 HL120

Kolo Novatech pro kladky je vyrobeno z litiny s polyuretanovým odlitým běhounem o průměru 400 mm a šířce 100 mm. Náboj má délku 120 mm s otvorem pro osu o průměru 40 mm a je vybaven přesným kuličkovým ložiskem. Dynamická nosnost dosahuje 3840 kg při rychlosti 4 km/h nebo 3200 kg při rychlosti 6 km/h, zatímco statická nosnost činí 6400 kg. Kolo je určeno pro náročné průmyslové aplikace vyžadující vysokou odolnost a spolehlivost.

Mimořádně těžká zátěž
400 mm
Mimořádně těžká zátěž
400 mm