Přejít na hlavní obsah Přeskočit na vyhledávání Přeskočit na hlavní navigaci
Vítejte na našich nově přepracovaných webových stránkách!
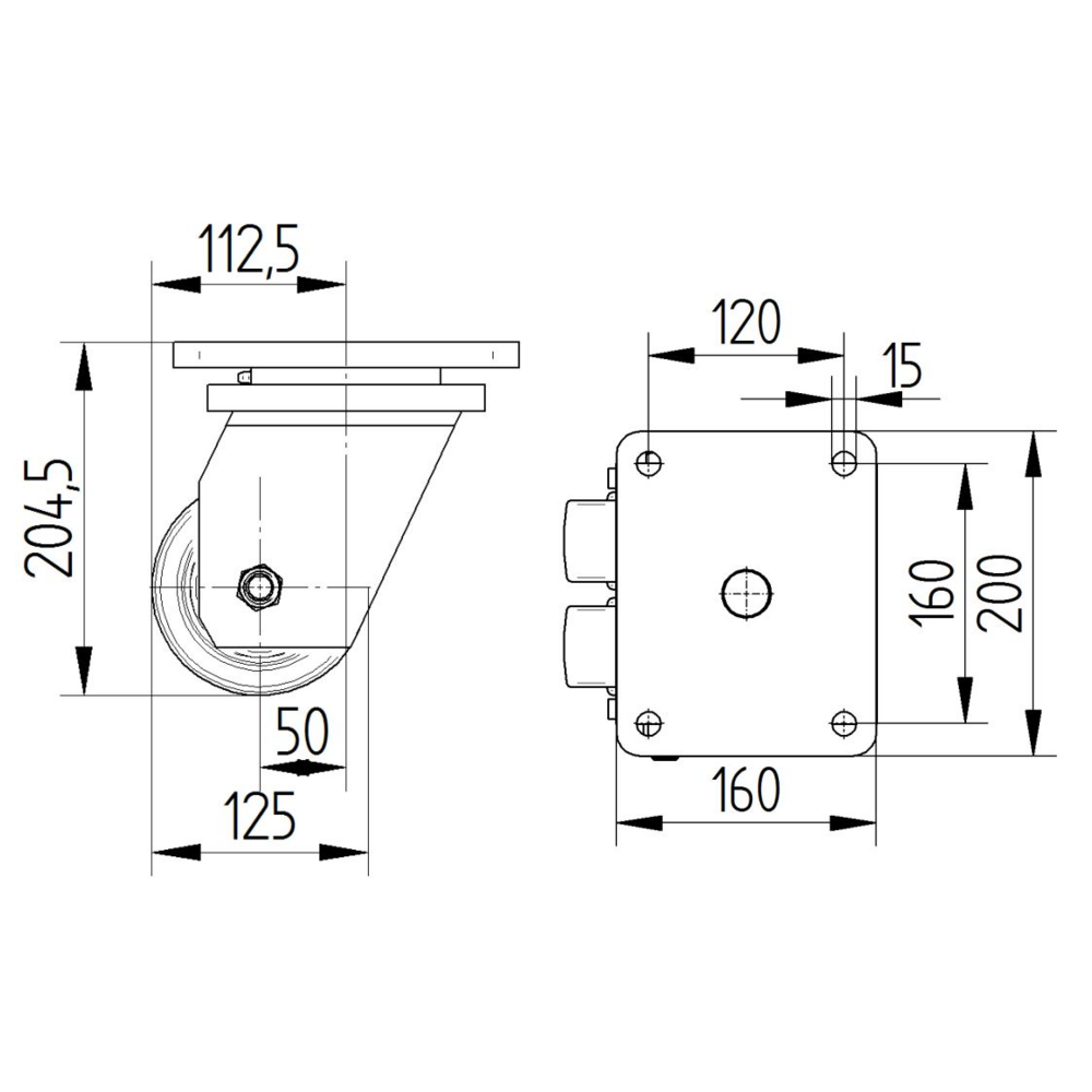
Otočné Kolečko Omikron twin je vybaveno obdélníkovou destičkou pro montáž a robustním pouzdrem z litiny nebo kované litiny, těžká konstrukce s kulovým otočným jehlovým ložiskem zajišťuje spolehlivý provoz. Kolečko má litinové tělo s odlitým polyuretanovým běhounem a přesným kuličkovým ložiskem, průměr kola činí 125 mm. Celková výška konstrukce dosahuje 205 mm. Dynamická nosnost je 1500 kg při rychlosti 4 km/h nebo 1100 kg při rychlosti 6 km/h, statická nosnost dosahuje 2250 kg. Produkt je určen pro náročné aplikace v leteckém průmyslu, letištní vybavení a těžké AGV systémy, kde je vyžadována vysoká spolehlivost a odolnost při manipulaci s těžkými břemeny.
Výkon válce
Šum pohybu
Attrition
Odolnost proti korozi
Čísla artiklu
Číslo zboží
9950FTP125P65
EAN
4031582316759
Číslo materiálu S4
990802882
Základní atributy
Typ
Otočné Kolečko
Celková šířka
189 mm
Nosnost 4 km/h
1500 kg
Nosnost 6 km/h
1100 kg
Statický Nosnost
2250 kg
Celková výška
205 mm
Teplotní rozsah (maximální)
60 °C
Rozsah teploty (minimální)
-10 °C
Celková hmotnost
15,22 kg
Název produktu
Omikron twin
Standardní
podobná EN12532 - Přepravní vybavení
Elektrické vodivé
Nerezové
Upevnění
Typ montáže
Obdélníková destička
Průměr otvoru dlahy
15 mm
Délka otvoru dlahy (maximální)
120 mm
Šířka otvoru dlahy (maximální)
160 mm
Délka dlahy
200 mm
Šířka desky
160 mm
Pouzdro
Barva
Průhledný Povlak
Tvar Vidlice
Uchycení dvou Kolo
Materiál
Litina nebo kovaná litina, těžká
Otočné ložisko
Kulové otočné jehlové ložisko
Průměr otočné kamery
160 mm
Otočné rušení
246 mm
Offset
50 mm
Radius otočení
123 mm
Kolečko
Tvrdost Běhoun (A)
92 Obuv A
Tvrdost Běhoun (D)
42 Shore D
Materiál těla
Litina
Materiál běhounu
Polyuretan, Odlitý
Šířka Běhoun
50 mm
Průměr
125 mm
Šířka těla
50 mm
Ochranná krytka
S ložiskovým pouzdrem
Šroub
Šroub s maticí
Ložisko
Přesné kuličkové ložisko
Barva Kolo
Medově žlutá (RAL1005)
special-features-image
Speciální funkce
TENTE's OMIKRON castors are engineered for exceptional performance under extreme conditions. Featuring a solid welded steel construction, these castors can transport the heaviest loads with high steering stability and excellent maneuverability.
Neškodné materiály
V souladu s RoHS a REACH. Neobsahuje polycyklické aromatické uhlovodíky ani chrom (VI)
Testovaná kvalita
Testováno v naší vlastní laboratoři na shodu s evropskými normami
Pevná skříň
Vyrobeno z lisované oceli, pozinkované
Silná konstrukce
Kryt z těžké oceli pro vysokou nosnost
Nízkoudržbová kola
Kryty závitů pro nerušený provoz s minimálním čištěním
Nep hinterlasse-spuren
Kola se sníženým opotřebením a malými nároky na čištění
Ergonomické použití
Kola s optimalizovaným valivým odporem pro snížení zátěže uživatele
Rychlá údržba
Otočná ložiska mazána dlouhodobým tukem a vybavena maznicí pro snadnou údržbu
Extra těžká konstrukce
Svařovaná masivní ocelová konstrukce pro nejvyšší nosnost
Těžká konstrukce
Mimořádně těžký ocelový kryt pro vysokou nosnost
Optimalizovaná ovladatelnost
Dvojité kolečko s vysokou manévrovatelností díky diferenciálnímu efektu
Ochrana podlahy rozložením zátěže
Dvě kola rozdělují zátěž a minimalizují otlaky na podlaze
Přeskočit galerii produktů

Příslušenství

Kolo 125 mm
Novatech
FTP 125x50-Ø20 HL60

Kolečko Novatech z litiny s odlitým polyuretanovým běhounem je určeno pro použití v kolečkách s průměrem 125 mm, šířkou běhounu 50 mm a délkou náboje 60 mm, přičemž průměr otvoru pro osu činí 20 mm. Kolečko je vybaveno přesným kuličkovým ložiskem a má statickou nosnost 1100 kg. Dynamická nosnost dosahuje 660 kg při rychlosti 4 km/h nebo 550 kg při rychlosti 6 km/h, což zajišťuje spolehlivý provoz v průmyslových aplikacích.

125 mm
Těžká zátěž
125 mm
Těžká zátěž