Přejít na hlavní obsah Přeskočit na vyhledávání Přeskočit na hlavní navigaci
Vítejte na našich nově přepracovaných webových stránkách!
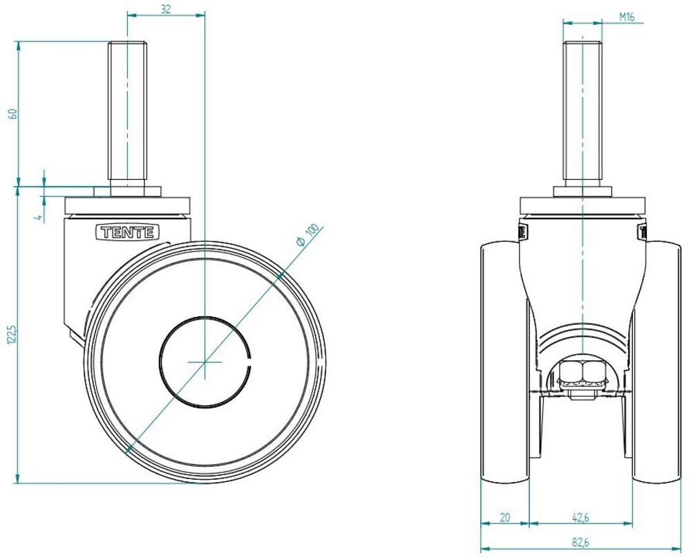
Otočné Kolečko Linea je vybaveno kovaným dříkem s šestihranný krk, horní pro spolehlivé upevnění. Pouzdro je vyrobeno z polyamidu a osazeno přesným kuličkovým ložiskem pro plynulé otáčení. Kolečko má tělo z polyamidu s běhounem z vstříknutého polyuretanu, který zajišťuje tichý chod a ochranu podlah, přičemž je uloženo v přesném kuličkovém ložisku z nerezové oceli pro dlouhou životnost. Průměr kolečka činí 100 mm při celkové výšce 120 mm. Dynamická nosnost dosahuje 120 kg při rychlosti 3 km/h, statická nosnost je 240 kg. Kolečko je určeno pro široké spektrum aplikací včetně anesteziologických vozíků, C-ramen, CT skenerů, MRI, rentgenů, pečovatelských postelí, stravovacích vozíků, počítačů na kolečkách, dialyzačních vozíků, vozíků na léky, kancelářského nábytku, zvedáků pacientů, polohacích křesel, chirurgických robotů, ošetřovatelských křesel, ultrazvukových přístrojů, ventilátorů a profesionálních čisticích vozíků.
Výkon válce
Šum pohybu
Attrition
Odolnost proti korozi
Čísla artiklu
Název produktu
5940UAC100S70-16X60 7001
Základní atributy
Typ
Otočné Kolečko
Stavební výška
82 mm
Nosnost 3 km/h
120 kg
Statická Nosnost
240 kg
Celková výška
120 mm
Teplotní rozsah (maximální)
40 °C
Rozsah teploty (minimální)
-10 °C
Celková hmotnost
0,82 kg
Název produktu
Linea
Norma
EN12530 – Kolečka zařízení
Elektrické vodivé
Nerezové
Upevnění
Typ uchycení
Kovaný dřík s Šestihraný krk, horní
Průměr čepu
16 mm
Délka čepu
60 mm
Pouzdro
Barva vidlice
Stříbrně šedá (RAL7001)
Tvar Vidlice
Uchycení dvou Kolo
Materiál
Polyamid
Otočné ložisko
Přesné kuličkové ložisko
Poloměr otáčení
52 mm
Průměr otáčení
180 mm
Vyosení
32 mm
Poloměr otáčení
90 mm
Kolečko
Tvrdost Běhoun (A)
92 Obuv A
Materiál středu
Polyamid
Materiál běhounu
Polyuretan, Vstříknuty
Šířka Běhoun
20 mm
Průměr
100 mm
Ochranná krytka
S ložiskovým pouzdrem
Ložisko
Přesné kuličkové ložisko, Nerezové

Návrhář klub Deutscher

Návrhář klub Deutscher

Ocenění Interzum Award

Ocenění Interzum Award

Ocenění IF Design Award

Ocenění IF Design Award

special-features-image
Speciální funkce
TENTE's OMIKRON castors are engineered for exceptional performance under extreme conditions. Featuring a solid welded steel construction, these castors can transport the heaviest loads with high steering stability and excellent maneuverability.
Neškodné materiály
V souladu s RoHS a REACH. Neobsahuje polycyklické aromatické uhlovodíky ani chrom (VI)
Testovaná kvalita
Testováno v naší vlastní laboratoři na shodu s evropskými normami
Barevné sladění
Barvy lze přizpůsobit designu produktu
Oceněný design
Oceněno prestižními cenami mezinárodními porotami
Lakovaný povrch
Zlato, chrom nebo lesklé barvy
Nízkoudržbová kola
Kryty závitů pro nerušený provoz s minimálním čištěním
Nep hinterlasse-spuren
Kola se sníženým opotřebením a malými nároky na čištění
Ergonomické použití
Kola s optimalizovaným valivým odporem pro snížení zátěže uživatele
Komponenty odolné chemikáliím
Necitlivé vůči mnoha čisticím prostředkům a chemickým látkám
Optimalizovaná ovladatelnost
Dvojité kolečko s vysokou manévrovatelností díky diferenciálnímu efektu
Snížený úklid
Díky převážně hladkým povrchům se kolečka snadno a rychle čistí
Integrovaná ochrana kabelu
Integrovaný odtlačovač kabelů pro ochranu kabelů ležících na podlaze
Individuální značení
Gravírované, odlévané nebo tištěné
Přeskočit galerii produktů

Příslušenství

Příslušenství
Linea
5940-CAP

Příslušenství Linea představuje specializovaný doplněk určený pro kolečka, který rozšiřuje jejich funkční možnosti a zajišťuje optimální provozní parametry. Tento technický komponent je navržen s důrazem na spolehlivost a dlouhodobou životnost, přičemž umožňuje efektivní integraci do stávajících systémů kolečkových mechanismů a přispívá k celkovému zlepšení jejich výkonnostních charakteristik při různých provozních podmínkách.

Přeskočit galerii produktů

Křížový prodej

Varianty
Otočné Kolečko s Totální brzda 100 mm
Otočné Kolečko s Totální brzda 100 mm
Linea
5947UAC100R05-22 RAL9002

Otočné Kolečko s Totální brzda Linea je vybaveno pevným přírubovým čepem kulatým pro spolehlivé upevnění. Pouzdro je vyrobeno z polyamidu a obsahuje přesné kuličkové ložisko pro plynulý otočný pohyb. Kolečko má tělo z polyamidu s běhounem z vstříknutého polyuretanu, který zajišťuje tichý chod a ochranu podlah, přičemž je osazeno přesnými nerezovými kuličkovými ložisky pro dlouhou životnost. Průměr kolečka činí 100 mm a celková výška sestavy je 120 mm. Dynamická nosnost dosahuje 120 kg při rychlosti 3 km/h, zatímco statická nosnost je 240 kg. Kolečko je ideální pro anesteziologické vozíky, C-ramena, CT skenery, MRI, rentgeny, pečovatelské postele, stravovací vozíky, počítače na kolečkách, dialyzační vozíky, vozíky na léky, ošetřovatelské vozíky, kancelářský nábytek, zvedáky pacientů, polohovací křesla, chirurgické roboty, ultrazvukové přístroje, ventilátory a profesionální čisticí vozíky.

100 mm
Lehká zátěž
120 mm
100 mm
Lehká zátěž
120 mm
Varianty
Otočné Kolečko se Směrová brzda 100 mm
Otočné Kolečko se Směrová brzda 100 mm
Linea
5941UAC100R05-22 RAL9002

Otočné Kolečko se Směrová brzda Linea je vybaveno pevným přírubovým čepem kulatým pro spolehlivé upevnění. Pouzdro je vyrobeno z polyamidu a obsahuje přesné kuličkové ložisko pro hladký otočný pohyb. Kolečko má tělo z polyamidu s běhounem z vstříknutého polyuretanu, který zajišťuje tichý chod a ochranu podlah, přičemž je osazeno přesnými nerezovými kuličkovými ložisky pro dlouhou životnost. Průměr kolečka činí 100 mm při celkové výšce 120 mm. Dynamická nosnost dosahuje 120 kg při rychlosti 3 km/h, statická nosnost je 240 kg. Kolečko je ideální pro anesteziologické vozíky, C-ramena, CT skenery, MRI, rentgeny, pečovatelské postele, stravovací vozíky, počítače na kolečkách, dialyzační vozíky, vozíky na léky, ošetřovatelské vozíky, kancelářský nábytek, zvedáky pacientů, polohovací křesla, chirurgické roboty, ošetřovatelská křesla, ultrazvukové přístroje, ventilátory a profesionální čisticí vozíky.

100 mm
Lehká zátěž
120 mm
100 mm
Lehká zátěž
120 mm