Saltar al contenido principal Saltar a la búsqueda Saltar a la navegación principal
¡Bienvenido a nuestro sitio web recientemente rediseñado!
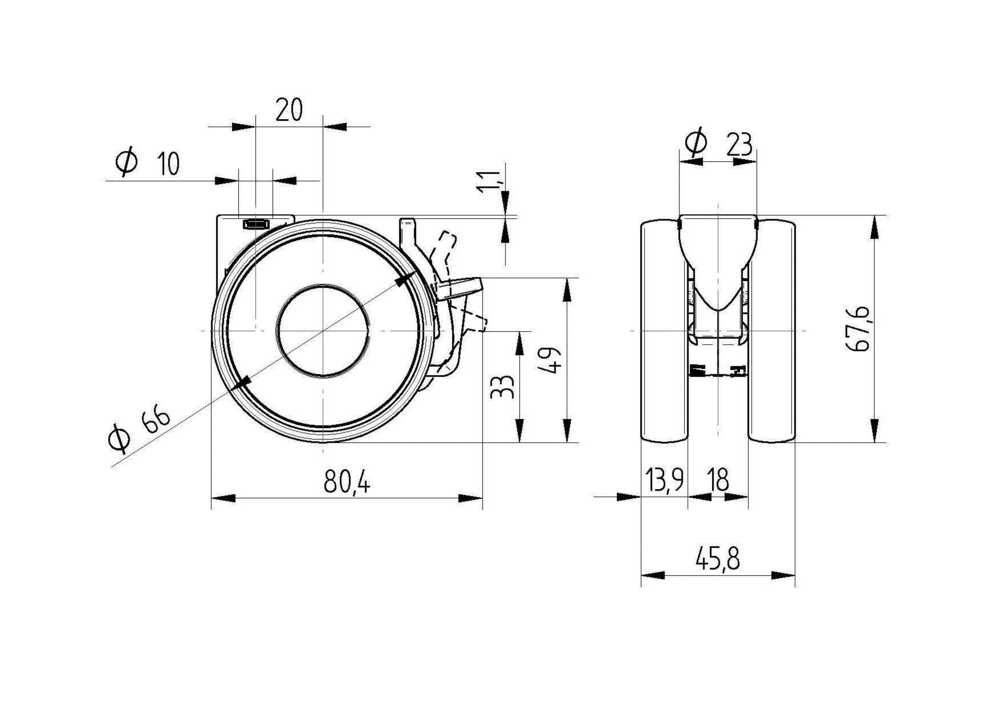
La rueda giratoria con freno de rueda Linea light incorpora un sistema de conexión mediante agujero ciego para conexión B10 que garantiza una fijación segura y eficiente. La carcasa está fabricada en poliamida de alta resistencia e integra un vástago giratorio espiga que proporciona un movimiento de rotación suave y preciso. La rueda presenta un cuerpo de polipropileno con banda de rodadura idéntica con cuerpo de aro, equipada con cojinete liso para un funcionamiento silencioso y duradero. Con un diámetro de rueda de 65 mm y una altura total de 68 mm, esta rueda ofrece una capacidad de carga dinámica de 40 kg a una velocidad de 3 km/h y una capacidad de carga estática de 80 kg, siendo ideal para aplicaciones en hospitales, muebles de oficina, carros de medicación, equipos médicos como ecógrafos y ventiladores, así como carros de limpieza profesional.
Rendimiento del rodillo
Ruido de movimiento
Deserción
Resistencia a la corrosión
Números de artículo
Número de artículo
5925POH065L51-10 KICK PEDAL
EAN
4031582404012
Core attributes
Tipo
Rueda giratoria con Freno de rueda
Ancho total
46 mm
Capacidad de carga a 3 km/h
40 kg
Capacidad de carga estática
80 kg
Altura total
68 mm
Rango de temperatura (máximo)
40 °C
Rango de temperatura (mínimo)
-10 °C
Peso total
0.09 kg
Nombre del producto
Linea light
Estándar
EN12528 - Ruedas para muebles
Conductivo eléctrico
Inoxidable
Fitting
Tipo de ajuste
Agujero ciego para conexión B10
Diámetro del agujero del Perno
10 mm
Housing
Forma de Horquilla Forma
Soporte de Aro Doble Soporte
Material
Poliamida
Rodamiento giratorio
Vástago giratorio Espiga
Diámetro del domo
23 mm
Interferencia de giro
134 mm
Radio de giro
67 mm
Wheel
Material del cuerpo
Polipropileno
Material de la banda de rodadura
Idéntico con cuerpo de Aro
Ancho de Banda de rodadura
13.9 mm
Diámetro
65 mm
Protectores de hilo
Con protector de roscas
Cojinete
Cojinete liso

Club Diseñador Deutscher

Club Diseñador Deutscher

Premio Interzum

Premio Interzum

IF Premio Diseño

IF Premio Diseño

special-features-image
Características especiales
Materiales no peligrosos
Cumple con RoHS y REACH. No contiene hidrocarburos aromáticos policíclicos ni cromo (VI)
Calidad probada
Probado en nuestro propio laboratorio para conformidad con normas europeas
Previene movimientos no deseados
Bloqueo de rueda para operación manual
Combinación de colores
Los colores pueden adaptarse al diseño del producto
Diseño premiado
Premiado con prestigiosos galardones por jurados internacionales
Esquema de colores fácil de usar
Pedal verde para bloqueo direccional y pedal rojo para bloqueo total
Ruedas de bajo desgaste
Ruedas duraderas con un desgaste extremadamente bajo
Ruedas de bajo mantenimiento
Protectores de rosca para funcionamiento sin obstáculos y limpieza mínima
Maniobrabilidad optimizada
Rueda doble con alta maniobrabilidad gracias al efecto diferencial
Marca individual
Grabado, fundido o impreso
Impresiones fascinantes
Tapas de rueda imprimibles con casi cualquier motivo
Omitir la galería de productos

Productos relacionados

Rueda giratoria con Freno de rueda 65 mm
Linea light
5925POH065L51-10

La rueda giratoria con freno de rueda Linea light incorpora un sistema de conexión mediante agujero ciego para conexión B10 que garantiza una fijación segura y eficiente. La carcasa está fabricada en poliamida de alta resistencia e integra un vástago giratorio espiga que proporciona un movimiento de rotación suave y preciso. La rueda presenta un cuerpo de polipropileno con banda de rodadura idéntica con cuerpo de aro, equipada con cojinete liso para un funcionamiento silencioso y duradero. Con un diámetro de rueda de 65 mm y una altura total de 68 mm, esta rueda ofrece una capacidad de carga dinámica de 40 kg a una velocidad de 3 km/h y una capacidad de carga estática de 80 kg, siendo ideal para aplicaciones en hospitales, muebles de oficina, carros de medicación, equipos médicos como ecógrafos y ventiladores, así como carros de limpieza profesional.

65 mm
68 mm
40 kg
65 mm
68 mm
40 kg
Variantes
Rueda giratoria Rueda 65 mm
Rueda giratoria Rueda 65 mm
Linea light
5920POH065L51-10

La rueda giratoria Rueda Linea light está equipada con un agujero ciego para conexión B10 que permite una instalación segura y eficiente. La carcasa está fabricada en poliamida resistente e incorpora un vástago giratorio espiga que garantiza un movimiento suave y preciso. La rueda presenta un cuerpo de polipropileno con material de rodadura idéntico con cuerpo de aro, montada sobre cojinete liso para un funcionamiento silencioso y duradero. Con un diámetro de rueda de 65 mm y una altura total de 68 mm, esta rueda compacta ofrece una capacidad de carga dinámica de 40 kg a una velocidad de 3 km/h y una capacidad de carga estática de 80 kg, siendo ideal para aplicaciones en hospitales, muebles de oficina, carros médicos y equipos especializados.

65 mm
68 mm
40 kg
65 mm
68 mm
40 kg
Omitir la galería de productos

Productos relacionados

Rueda giratoria con Freno de rueda 65 mm
Linea light
5925POH065L51-10

La rueda giratoria con freno de rueda Linea light incorpora un sistema de conexión mediante agujero ciego para conexión B10 que garantiza una fijación segura y eficiente. La carcasa está fabricada en poliamida de alta resistencia e integra un vástago giratorio espiga que proporciona un movimiento de rotación suave y preciso. La rueda presenta un cuerpo de polipropileno con banda de rodadura idéntica con cuerpo de aro, equipada con cojinete liso para un funcionamiento silencioso y duradero. Con un diámetro de rueda de 65 mm y una altura total de 68 mm, esta rueda ofrece una capacidad de carga dinámica de 40 kg a una velocidad de 3 km/h y una capacidad de carga estática de 80 kg, siendo ideal para aplicaciones en hospitales, muebles de oficina, carros de medicación, equipos médicos como ecógrafos y ventiladores, así como carros de limpieza profesional.

65 mm
68 mm
40 kg
65 mm
68 mm
40 kg
Variantes
Rueda giratoria Rueda 65 mm
Rueda giratoria Rueda 65 mm
Linea light
5920POH065L51-10

La rueda giratoria Rueda Linea light está equipada con un agujero ciego para conexión B10 que permite una instalación segura y eficiente. La carcasa está fabricada en poliamida resistente e incorpora un vástago giratorio espiga que garantiza un movimiento suave y preciso. La rueda presenta un cuerpo de polipropileno con material de rodadura idéntico con cuerpo de aro, montada sobre cojinete liso para un funcionamiento silencioso y duradero. Con un diámetro de rueda de 65 mm y una altura total de 68 mm, esta rueda compacta ofrece una capacidad de carga dinámica de 40 kg a una velocidad de 3 km/h y una capacidad de carga estática de 80 kg, siendo ideal para aplicaciones en hospitales, muebles de oficina, carros médicos y equipos especializados.

65 mm
68 mm
40 kg
65 mm
68 mm
40 kg