Skip to main content Skip to search Skip to main navigation
Welcome to our newly redesigned website!

CAD files

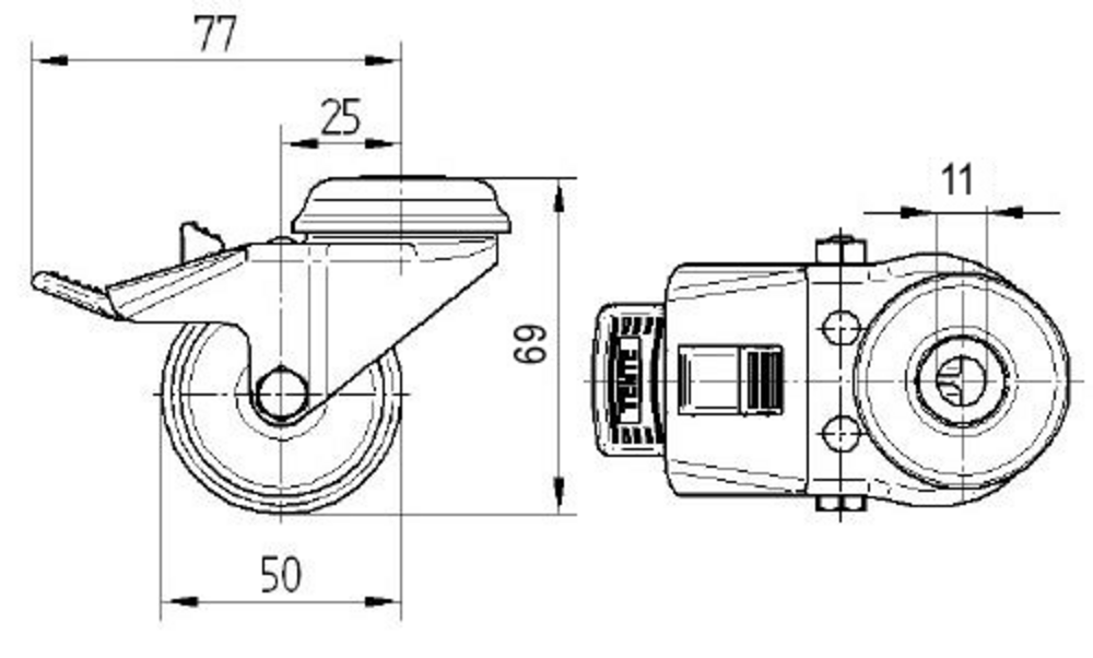
The Agila twin swivel castor with wheel brake features a bolt hole fitting for secure mounting applications. The housing is constructed from medium steel sheet and incorporates two ball races for the swivel bearing mechanism, ensuring smooth directional movement and reliable operation. The wheel comprises a sheet steel body fitted with solid rubber, non-marking tread material that provides excellent floor protection whilst maintaining grip, and utilises a cone ball bearing system for enhanced durability and reduced rolling resistance. With a wheel diameter of 50mm, the castor has an overall height of 69mm, making it suitable for compact installations. The unit offers a dynamic load capacity of 60kg at speeds up to 3km/h and a static load capacity of 120kg. Primary applications include care beds, catering carts and meal delivery systems, inflight trolleys, and store fixtures and display equipment.
Roll performance
Movement noise
Attrition
Corrosion resistance
Article numbers
Article Number
2975DIK050P30-11
EAN
4031582302783
S4 Material Number
990030577
Core attributes
Type
Swivel castor with wheel brake
Overall width
57 mm
Load capacity at 3 km/h
60 kg
Load capacity Static
120 kg
Overall height
69 mm
Temperature range (Maximum)
85 °C
Temperature range (Minimum)
-20 °C
Overall weight
0.36 kg
Product name
Agila twin
Standard
EN12530 - Devices Castors
Electric conductive
Stainless
Fitting
Fitting type
Bolt hole
Bolt hole diameter
11 mm
Housing
Colour
Blue passivated
Fork shape
Twin wheel housing
Material fork
Steel sheet, medium
Swivel bearing
Two ball races
Dome diameter
53 mm
Swivel interference
155 mm
Offset
25 mm
Swivel radius
77 mm
Wheel
Hardness of tread (A)
80 Shore A
Body material
Sheet Steel
Tread material
Solid rubber, non-marking
Tread width
19 mm
Diameter
50 mm
Body width
19 mm
Threadguards
With threadguard
Bearing
Cone ball bearing
Wheel color
Blue passivated
special-features-image
Special Features
Non-hazardous materials
Complies with RoHS and REACH regulations. Does not contain polycyclic aromatic carbons or chromium (VI).
Tested quality
Tested in our own laboratory for compliance with European standards.
Solid housing
Made of pressed steel, zinc plated.
Prevents unintended movement
Wheel lock for manual operation
Low-maintenance wheels
Thread guards for unobstructed operation with minimal cleaning effort.
Non-marking movement
Wheels with reduced abrasion and little cleaning requirement.
Easy steering
Double ball bearing swivel head.
Optimised manoeuvrability
Twin wheel castor with high manoeuvrability due to differential effect.
Protect floors with load distribution
Two wheels distribute the load and minimise floor impressions.
Skip product gallery

Crossselling

Variants
Swivel castor 50 mm
Swivel castor 50 mm
Agila twin
2970DIK050P30-11

The Agila twin swivel castor features a bolt hole fitting for secure mounting applications. The housing is constructed from steel sheet, medium grade, and incorporates two ball races for the swivel bearing mechanism, ensuring smooth directional movement under load. The wheel comprises a sheet steel body fitted with solid rubber, non-marking tread material that provides excellent floor protection whilst maintaining grip, supported by a cone ball bearing for reliable rotation. With a wheel diameter of 50 mm, the castor has an overall height of 69 mm, making it suitable for compact installations. Load capacity specifications include 60 kg dynamic load at 3 km/h operating speed and 120 kg static load capacity. This castor is specifically designed for care beds, catering carts and meal delivery systems, inflight trolleys, and store fixtures and display applications where manoeuvrability and floor protection are essential requirements.

50 mm
Light Duty | < 150 kg
69 mm
50 mm
Light Duty | < 150 kg
69 mm