Skip to main content Skip to search Skip to main navigation
Welcome to our newly redesigned website!
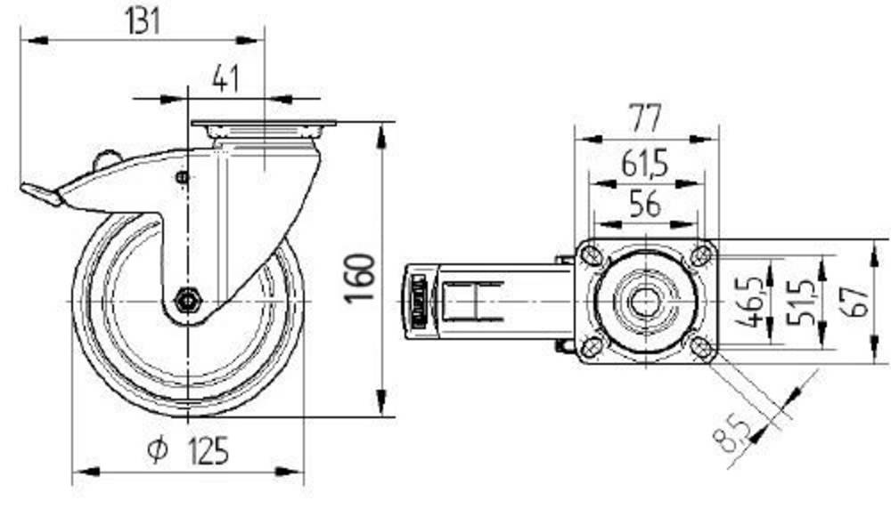
The Agila swivel castor with total lock features a rectangular plate fitting for secure mounting applications. The housing is constructed from medium steel sheet and incorporates two ball races for the swivel bearing mechanism, ensuring smooth directional movement and reliable locking functionality. The wheel comprises a polypropylene body with thermoplastic rubber tread material, providing excellent grip and floor protection, whilst the precision ball bearing ensures smooth rolling performance with minimal maintenance requirements. The 125mm diameter wheel contributes to an overall height of 160mm, making it suitable for various institutional applications. Load specifications include a dynamic capacity of 100kg at speeds up to 3km/h and a static load capacity of 200kg, making it ideal for care beds, catering carts and meal delivery systems, hospitals, nursing and retirement homes, professional cleaning carts, and store fixtures and display equipment.
Roll performance
Movement noise
Attrition
Corrosion resistance
Article numbers
Article Number
2477PJP125P50
EAN
4031582050479
Core attributes
Type
Swivel castor with total lock
Overall width
60 mm
Load capacity at 3 km/h
100 kg
Load capacity Static
200 kg
Overall height
160 mm
Temperature range (Maximum)
60 °C
Temperature range (Minimum)
-20 °C
Overall weight
0.87 kg
Product name
Agila
Standard
EN12530 - Devices Castors
Electric conductive
Stainless
Fitting
Fitting type
Rectangular plate
Plate hole diameter
8.5 mm
Plate hole length (Maximum)
61.5 mm
Plate hole length (Minimum)
56 mm
Plate hole width (Maximum)
51.5 mm
Plate hole width (Minimum)
46.5 mm
Plate length
77 mm
Plate width
67 mm
Housing
Colour
Blue passivated
Fork shape
Broad
Material fork
Steel sheet, medium
Swivel bearing
Two ball races
Dome diameter
60 mm
Swivel interference
262 mm
Offset
41 mm
Swivel radius
131 mm
Wheel
Hardness of tread (A)
83 Shore A
Body material
Polypropylene
Tread material
Thermoplastic rubber
Tread width
32 mm
Diameter
125 mm
Threadguards
With threadguard
Bearing
Precision ball bearing
special-features-image
Special Features
Non-hazardous materials
Complies with RoHS and REACH regulations. Does not contain polycyclic aromatic carbons or chromium (VI).
Tested quality
Tested in our own laboratory for compliance with European standards.
Solid housing
Made of pressed steel, zinc plated.
Prevents unintended movement
Wheel lock for manual operation
Secured stand
Total lock for simultaneously locking the wheel and swivel housing.
Variable fitting options
Different fitting dimensions for a large range of applications.
Resource-conserving part replacement
Threaded axles allow effortless wheel change.
Low-maintenance wheels
Thread guards for unobstructed operation with minimal cleaning effort.
Non-marking movement
Wheels with reduced abrasion and little cleaning requirement.
Easy steering
Double ball bearing swivel head.