Skip to main content Skip to search Skip to main navigation
Welcome to our newly redesigned website!

CAD files

Documents

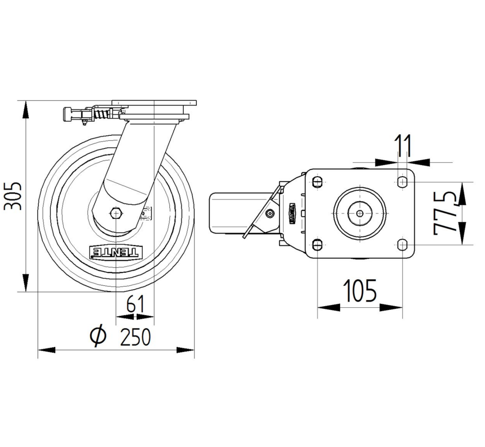
The Kappa load is a swivel castor with directional lock designed for heavy-duty industrial applications. It features a medium rectangular plate fitting for secure mounting. The housing is constructed from iron forged, heavy material and incorporates a deep-groove ball thrust roller bearing swivel bearing system for smooth operation and durability. The wheel comprises a polyamide, heavy body with tread material identical to the wheel body, supported by a plain bearing system, and measures 250 mm in diameter. The overall height of the assembly is 305 mm. Load capacity specifications include dynamic loads of 1320 kg at 4 km/h and 1100 kg at 6 km/h operating speeds, with a static load capacity of 2640 kg. This castor is specifically engineered for demanding applications including airport equipment, AMR systems, automotive OEM, ceramic and glass manufacturers, production and platform trolleys, and AGV systems.
Roll performance
Movement noise
Attrition
Corrosion resistance
Article numbers
Article Number
9651TOO250P63
EAN
4031582314649
Core attributes
Type
Swivel castor with directional lock
Load capacity at 4 km/h
1320 kg
Load capacity at 6 km/h
1100 kg
Load capacity Static
2640 kg
Overall height
305 mm
Temperature range (Maximum)
80 °C
Temperature range (Minimum)
-40 °C
Overall weight
5.34 kg
Product name
Kappa load
Standard
EN12533 - Heavy Duty Castors
Electric conductive
Stainless
Fitting
Fitting type
Medium rectangular plate
Plate hole diameter
11 mm
Plate hole length (Maximum)
105 mm
Plate hole width (Maximum)
80 mm
Plate hole width (Minimum)
75 mm
Plate length
135 mm
Plate width
110 mm
Housing
Fork shape
Broad, reinforced
Material fork
Iron forged, heavy
Swivel bearing
Deep-groove ball thrust roller bearing
Swivel interference
398 mm
Offset
61 mm
Wheel
Hardness of tread (D)
75 Shore D
Body material
Polyamide, heavy
Tread material
Identical with wheel body
Tread width
50 mm
Diameter
250 mm
Threadguards
Without threadguard
Axle
Screwed with nut
Bearing
Plain bearing
special-features-image
Special Features
Non-hazardous materials
Complies with RoHS and REACH regulations. Does not contain polycyclic aromatic carbons or chromium (VI).
Tested quality
Tested in our own laboratory for compliance with European standards.
Solid housing
Made of pressed steel, zinc plated.
Strong construction
Housing made of heavy steel for high load capacity.
Low wear and tear wheels
Durable wheels with extremely low wear and tear properties.
Skip product gallery

Accessories

Accessory
Directional lock
Directional lock 9651/9681

This accessory is specifically designed to enhance the functionality and performance of castor systems, providing essential supplementary support for various industrial and commercial applications. Engineered with precision to meet demanding operational requirements, this component weighs 0.28 kg, making it lightweight yet robust enough to withstand regular use whilst maintaining optimal castor performance and reliability.

Accessory
Foot protection
Foot Protection Ø250

This Accessory is designed as a complementary component for castor systems, engineered to enhance functionality and performance in industrial and commercial applications. With a weight specification of 0 kg, this lightweight accessory integrates seamlessly with existing castor assemblies without adding significant mass to the overall system, making it ideal for applications where weight considerations are critical for mobility and load distribution.

Skip product gallery

Matching Products

Variants
Swivel castor 250 mm
Swivel castor 250 mm
Kappa load
9650TOO250P63

The Kappa load swivel castor features a medium rectangular plate fitting for secure mounting applications. The housing is constructed from iron forged, heavy material and incorporates a deep-groove ball thrust roller bearing swivel mechanism for smooth directional changes under load. The wheel assembly comprises a polyamide, heavy body with tread material identical to the wheel body, supported by a plain bearing system, and measures 250mm in diameter. The castor has an overall height of 305mm, making it suitable for heavy-duty industrial applications. Load specifications include a dynamic capacity of 1320kg at 4km/h or 1100kg at 6km/h operating speeds, with a static load capacity of 2640kg. This robust castor is designed for demanding applications including airport equipment, AMR systems, automotive OEM, ceramic and glass manufacturers, production and platform trolleys, and AGV systems.

250 mm
305 mm
1320 kg
250 mm
305 mm
1320 kg
Variants
Swivel castor with total lock, head end of castor 250 mm
Swivel castor with total lock, head end of castor 250 mm
Kappa load
9652TOO250P63 CL67

The Kappa load is a swivel castor with total lock, head end of castor, featuring a medium rectangular plate fitting for secure mounting applications. The housing is constructed from iron forged, heavy material and incorporates a deep-groove ball thrust roller bearing swivel bearing system for enhanced durability and smooth operation. The wheel assembly comprises a polyamide, heavy body material with tread material identical with wheel body, supported by a plain bearing system, and measures 250 mm in diameter. The castor has an overall height of 305 mm, providing optimal clearance for various industrial applications. Load capacity specifications include dynamic ratings of 1320 kg at 4 km/h and 1100 kg at 6 km/h operating speeds, whilst the static load capacity reaches 2200 kg, making it suitable for demanding applications including airport equipment, AMR systems, automotive OEM, ceramic and glass manufacturers, production and platform trolleys, and AGV systems.

250 mm
305 mm
1320 kg
250 mm
305 mm
1320 kg
Skip product gallery

Matching Products

Variants
Swivel castor 250 mm
Swivel castor 250 mm
Kappa load
9650TOO250P63

The Kappa load swivel castor features a medium rectangular plate fitting for secure mounting applications. The housing is constructed from iron forged, heavy material and incorporates a deep-groove ball thrust roller bearing swivel mechanism for smooth directional changes under load. The wheel assembly comprises a polyamide, heavy body with tread material identical to the wheel body, supported by a plain bearing system, and measures 250mm in diameter. The castor has an overall height of 305mm, making it suitable for heavy-duty industrial applications. Load specifications include a dynamic capacity of 1320kg at 4km/h or 1100kg at 6km/h operating speeds, with a static load capacity of 2640kg. This robust castor is designed for demanding applications including airport equipment, AMR systems, automotive OEM, ceramic and glass manufacturers, production and platform trolleys, and AGV systems.

250 mm
305 mm
1320 kg
250 mm
305 mm
1320 kg
Variants
Swivel castor with total lock, head end of castor 250 mm
Swivel castor with total lock, head end of castor 250 mm
Kappa load
9652TOO250P63 CL67

The Kappa load is a swivel castor with total lock, head end of castor, featuring a medium rectangular plate fitting for secure mounting applications. The housing is constructed from iron forged, heavy material and incorporates a deep-groove ball thrust roller bearing swivel bearing system for enhanced durability and smooth operation. The wheel assembly comprises a polyamide, heavy body material with tread material identical with wheel body, supported by a plain bearing system, and measures 250 mm in diameter. The castor has an overall height of 305 mm, providing optimal clearance for various industrial applications. Load capacity specifications include dynamic ratings of 1320 kg at 4 km/h and 1100 kg at 6 km/h operating speeds, whilst the static load capacity reaches 2200 kg, making it suitable for demanding applications including airport equipment, AMR systems, automotive OEM, ceramic and glass manufacturers, production and platform trolleys, and AGV systems.

250 mm
305 mm
1320 kg
250 mm
305 mm
1320 kg