Skip to main content Skip to search Skip to main navigation
Welcome to our newly redesigned website!

CAD files

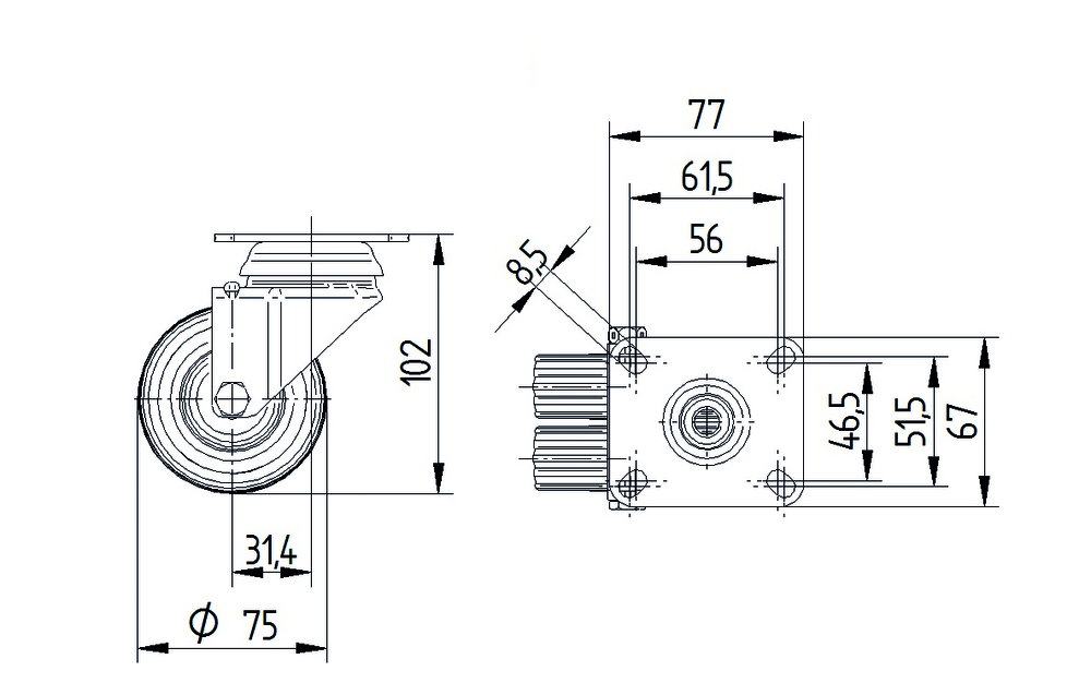
The Agila twin swivel castor features a rectangular plate fitting for secure mounting to equipment bases. The housing is constructed from medium steel sheet and incorporates two ball races for the swivel bearing mechanism, ensuring smooth directional changes and enhanced durability under operational loads. The wheel comprises a polypropylene body with thermoplastic rubber tread material, providing excellent floor protection and quiet operation, whilst the precision ball bearing ensures effortless rolling performance with minimal maintenance requirements. With a wheel diameter of 75 mm, the castor has an overall height of 102 mm, making it suitable for applications requiring compact vertical clearance. The dynamic load capacity is rated at 100 kg at speeds up to 3 km/h, with a static load capacity of 200 kg, making it ideal for care beds, catering carts and meal delivery systems, inflight trolleys, and store fixtures and display applications.
Roll performance
Movement noise
Attrition
Corrosion resistance
Article numbers
Article Number
2970PJP075P50 offset-31,4 axle-M8
EAN
4031582302738
S4 Material Number
990027436
Core attributes
Type
Swivel castor
Overall width
71 mm
Load capacity at 3 km/h
100 kg
Load capacity Static
200 kg
Overall height
102 mm
Temperature range (Maximum)
60 °C
Temperature range (Minimum)
-20 °C
Overall weight
0.63 kg
Product name
Agila twin
Standard
EN12530 - Devices Castors
Electric conductive
Stainless
Fitting
Fitting type
Rectangular plate
Plate hole diameter
8.5 mm
Plate hole length (Maximum)
51.5 mm
Plate hole length (Minimum)
46.5 mm
Plate hole width (Maximum)
61.5 mm
Plate hole width (Minimum)
56 mm
Plate length
77 mm
Plate width
67 mm
Housing
Colour
Blue passivated
Fork shape
Twin wheel housing
Material fork
Steel sheet, medium
Swivel bearing
Two ball races
Dome diameter
65 mm
Swivel interference
145 mm
Offset
31.4 mm
Swivel radius
72.5 mm
Wheel
Hardness of tread (A)
87 Shore A
Body material
Polypropylene
Tread material
Thermoplastic rubber
Tread width
25 mm
Diameter
75 mm
Body width
25 mm
Threadguards
With threadguard
Bearing
Precision ball bearing
Wheel color
Silver grey (RAL7001)
special-features-image
Special Features
Non-hazardous materials
Complies with RoHS and REACH regulations. Does not contain polycyclic aromatic carbons or chromium (VI).
Tested quality
Tested in our own laboratory for compliance with European standards.
Solid housing
Made of pressed steel, zinc plated.
Low-maintenance wheels
Thread guards for unobstructed operation with minimal cleaning effort.
Non-marking movement
Wheels with reduced abrasion and little cleaning requirement.
Easy steering
Double ball bearing swivel head.
Optimised manoeuvrability
Twin wheel castor with high manoeuvrability due to differential effect.
Protect floors with load distribution
Two wheels distribute the load and minimise floor impressions.
Skip product gallery

Matching Products

Variants
Swivel castor with total lock 75 mm
Swivel castor with total lock 75 mm
Agila twin
2977PJP075P50

The Agila twin swivel castor with total lock features a rectangular plate fitting for secure mounting applications. The housing is constructed from medium steel sheet and incorporates two ball races for the swivel bearing mechanism, ensuring smooth directional movement and reliable locking functionality. The wheel comprises a polypropylene body with thermoplastic rubber tread material, providing excellent grip and floor protection, whilst the precision ball bearing ensures smooth rolling performance with minimal maintenance requirements. With a wheel diameter of 75 mm, the castor has an overall height of 102 mm, making it suitable for compact installations. The dynamic load capacity is rated at 100 kg at speeds up to 3 km/h, whilst the static load capacity reaches 200 kg, making it ideal for care beds, catering carts and meal delivery systems, inflight trolleys, and store fixtures and display applications.

75 mm
102 mm
100 kg
75 mm
102 mm
100 kg
Skip product gallery

Matching Products

Variants
Swivel castor with total lock 75 mm
Swivel castor with total lock 75 mm
Agila twin
2977PJP075P50

The Agila twin swivel castor with total lock features a rectangular plate fitting for secure mounting applications. The housing is constructed from medium steel sheet and incorporates two ball races for the swivel bearing mechanism, ensuring smooth directional movement and reliable locking functionality. The wheel comprises a polypropylene body with thermoplastic rubber tread material, providing excellent grip and floor protection, whilst the precision ball bearing ensures smooth rolling performance with minimal maintenance requirements. With a wheel diameter of 75 mm, the castor has an overall height of 102 mm, making it suitable for compact installations. The dynamic load capacity is rated at 100 kg at speeds up to 3 km/h, whilst the static load capacity reaches 200 kg, making it ideal for care beds, catering carts and meal delivery systems, inflight trolleys, and store fixtures and display applications.

75 mm
102 mm
100 kg
75 mm
102 mm
100 kg