Skip to main content Skip to search Skip to main navigation
Welcome to our newly redesigned website!
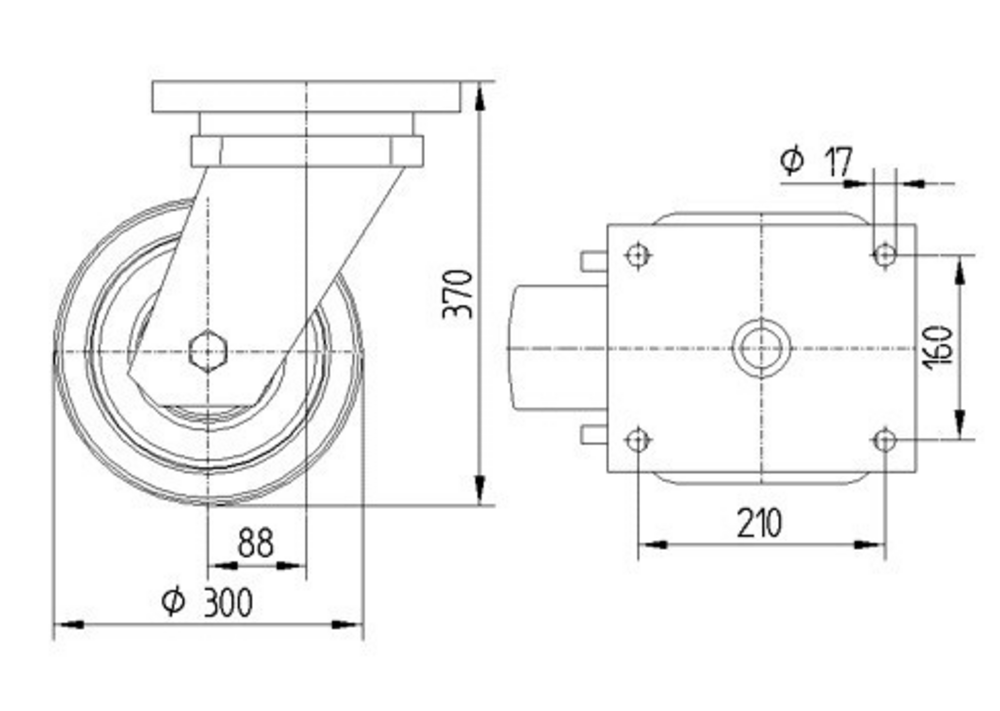
The Omikron swivel castor features a large rectangular heavy-duty plate fitting designed for demanding industrial applications. The housing is constructed from iron forged, heavy material and incorporates a deep-groove ball thrust roller bearing swivel mechanism for smooth directional changes under load. The wheel assembly comprises a sheet steel, heavy body fitted with a polyurethane, casted tread and precision ball bearing for optimal performance, with a diameter of 300 mm. The castor has an overall height of 370 mm, making it suitable for heavy-duty equipment. Load capacity specifications include a static load rating of 6240 kg, whilst dynamic load capacity varies with operating speed: 3120 kg at 4 km/h and 2600 kg at 6 km/h. This robust castor is specifically engineered for airport equipment and AGV systems where reliability and high load-bearing capacity are essential requirements.
Roll performance
Movement noise
Attrition
Corrosion resistance
Article numbers
Article Number
9250STP300P66
EAN
4031582314052
Core attributes
Type
Swivel castor
Load capacity at 4 km/h
3120 kg
Load capacity at 6 km/h
2600 kg
Load capacity Static
6240 kg
Overall height
370 mm
Temperature range (Maximum)
60 °C
Temperature range (Minimum)
-20 °C
Overall weight
42.03 kg
Product name
Omikron
Standard
EN12533 - Heavy Duty Castors
Electric conductive
Stainless
Fitting
Fitting type
Large rectangular heavy-duty plate
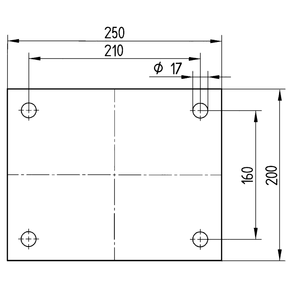
Plate hole diameter
17 mm
Plate hole length (Maximum)
210 mm
Plate hole width (Maximum)
160 mm
Plate length
250 mm
Plate width
200 mm
Housing
Fork shape
Straight
Material fork
Iron forged, heavy
Swivel bearing
Deep-groove ball thrust roller bearing
Swivel interference
480 mm
Offset
90 mm
Swivel radius
240 mm
Wheel
Hardness of tread (A)
92 Shore A
Body material
Sheet steel, heavy
Tread material
Polyurethane, casted
Tread width
100 mm
Diameter
300 mm
Threadguards
With threadguard
Bearing
Precision ball bearing
special-features-image
Special Features
Non-hazardous materials
Complies with RoHS and REACH regulations. Does not contain polycyclic aromatic carbons or chromium (VI).
Tested quality
Tested in our own laboratory for compliance with European standards.
Solid housing
Made of pressed steel, zinc plated.
Variable fitting options
Different fitting dimensions for a large range of applications.
Resource-conserving part replacement
Threaded axles allow effortless wheel change.
Uninterrupted use
Swivel bearing with dust ring for continuous, uninterrupted movement.
Strong construction
Housing made of heavy steel for high load capacity.
Reliable traction
Traction-optimised treads for secure grip on wet and slippery floors.
Secured mounting plate
Mounting plate secured with nut & bolt kingpin.
Solid construction
Solid steel plate for maximum load capacity.
Low-maintenance wheels
Thread guards for unobstructed operation with minimal cleaning effort.
Non-marking movement
Wheels with reduced abrasion and little cleaning requirement.
Ergonomically friendly use
Wheels with optimised roll resistance to lighten the load for the user.
Quick maintenance
Swivel bearings lubricated with long-life grease and fitted with grease nipple for easy maintenance.
Long-lasting surfaces
Extra high-quality galvanising for a long service life under harsh operating conditions.
Extra heavy duty construction
Welded solid steel construction for highest load capacity.
Heavy duty construction
Extra heavy steel housing for high load capacity.
Skip product gallery

Crossselling

Variants
Fixed castor 300 mm
Fixed castor 300 mm
Omikron
9258STP300P66

The Omikron fixed castor features a large rectangular heavy-duty plate fitting designed for demanding industrial applications. The housing is constructed from iron forged, heavy material ensuring exceptional durability and structural integrity under extreme loads. The wheel incorporates a sheet steel, heavy body with a polyurethane, casted tread material that provides excellent floor protection and smooth operation, whilst the precision ball bearing system guarantees reliable performance and extended service life. With a wheel diameter of 300 mm, the castor achieves an overall height of 370 mm. The load specifications include a static load capacity of 6240 kg, whilst dynamic load capacities are rated at 3120 kg at 4 km/h and 2600 kg at 6 km/h, making this castor suitable for heavy-duty material handling equipment and industrial machinery requiring robust mobility solutions.

300 mm
Extreme Heavy Duty | > 1.500 kg
370 mm
300 mm
Extreme Heavy Duty | > 1.500 kg
370 mm