Skip to main content Skip to search Skip to main navigation
Welcome to our newly redesigned website!

CAD files

Documents

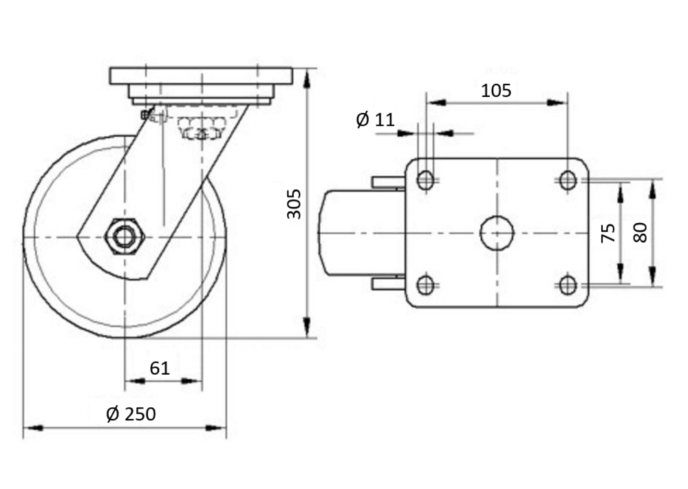
The Kappa load swivel castor features a medium rectangular plate fitting for secure mounting applications. The housing is constructed from iron forged, heavy material and incorporates a deep-groove ball thrust roller bearing swivel mechanism for smooth directional changes under load. The wheel assembly comprises a cast iron body with polyurethane, casted tread material, mounted on precision ball bearings for optimal rolling performance, with a diameter of 250 mm. The castor has an overall height of 305 mm. Load capacity specifications include dynamic ratings of 1440 kg at 4 km/h and 1200 kg at 6 km/h operating speeds, with a static load capacity of 2400 kg. This heavy-duty castor is designed for demanding applications including airport equipment, AMR systems, automotive OEM, ceramic and glass manufacturers, production and platform trolleys, and AGV systems.
Roll performance
Movement noise
Attrition
Corrosion resistance
Article numbers
Article Number
9650FTP250P63 CL67
EAN
4031582314236
S4 Material Number
990827783
Core attributes
Type
Swivel castor
Overall width
110 mm
Load capacity at 4 km/h
1440 kg
Load capacity at 6 km/h
1200 kg
Load capacity Static
2400 kg
Overall height
305 mm
Temperature range (Maximum)
60 °C
Temperature range (Minimum)
-10 °C
Overall weight
10.05 kg
Product name
Kappa load
Standard
EN12533 - Heavy Duty Castors
Electric conductive
Stainless
Fitting
Fitting type
Medium rectangular plate
Plate hole diameter
11 mm
Plate hole length (Maximum)
80 mm
Plate hole length (Minimum)
75 mm
Plate hole width (Maximum)
105 mm
Plate hole width (Minimum)
75 mm
Plate length
135 mm
Plate width
110 mm
Housing
Colour
Blue passivated
Fork shape
Broad, reinforced
Material fork
Iron forged, heavy
Swivel bearing
Deep-groove ball thrust roller bearing
Dome diameter
111 mm
Swivel interference
375 mm
Offset
61 mm
Swivel radius
187.5 mm
Wheel
Hardness of tread (A)
92 Shore A
Hardness of tread (D)
42 Shore D
Body material
Cast iron
Tread material
Polyurethane, casted
Tread width
50 mm
Diameter
250 mm
Body width
50 mm
Threadguards
With threadguard
Axle
Screwed with nut
Bearing
Precision ball bearing
Wheel color
Honey yellow (RAL1005)
special-features-image
Special Features
Non-hazardous materials
Complies with RoHS and REACH regulations. Does not contain polycyclic aromatic carbons or chromium (VI).
Tested quality
Tested in our own laboratory for compliance with European standards.
Solid housing
Made of pressed steel, zinc plated.
Strong construction
Housing made of heavy steel for high load capacity.
Low-maintenance wheels
Thread guards for unobstructed operation with minimal cleaning effort.
Non-marking movement
Wheels with reduced abrasion and little cleaning requirement.
Ergonomically friendly use
Wheels with optimised roll resistance to lighten the load for the user.
Skip product gallery

Accessories

Accessory
Foot protection
Foot Protection Ø250

This Accessory is designed as a complementary component for castor systems, engineered to enhance functionality and performance in industrial and commercial applications. With a weight specification of 0 kg, this lightweight accessory integrates seamlessly with existing castor assemblies without adding significant mass to the overall system, making it ideal for applications where weight considerations are critical for mobility and load distribution.

Wheel 250 mm
Novatech
FTP 250x50-Ø25 HL60

The Novatech castor wheel features a robust cast iron body with a 250mm diameter and precision ball bearing system, incorporating a casted polyurethane tread measuring 50mm in width. The wheel is engineered with a 25mm axle hole diameter and 60mm hub length for secure mounting applications. Load specifications include a static capacity of 2400kg, whilst dynamic load ratings are 1440kg at 4km/h operating speed and 1200kg at 6km/h, making it suitable for demanding industrial applications requiring reliable performance under varying load conditions.

250 mm
1440 kg
250 mm
1440 kg
Skip product gallery

Matching Products

Variants
Swivel castor with directional lock 250 mm
Swivel castor with directional lock 250 mm
Kappa load
9651FTP250P63 CL67

The Kappa load is a swivel castor with directional lock featuring a medium rectangular plate fitting for secure mounting applications. The housing is constructed from iron forged, heavy material and incorporates a deep-groove ball thrust roller bearing swivel mechanism for reliable directional control and smooth operation. The wheel assembly comprises a robust cast iron body with a polyurethane, casted tread surface, mounted on precision ball bearings for optimal performance, with a diameter of 250 mm ensuring excellent load distribution. The castor has an overall height of 305 mm, making it suitable for various industrial applications. Load capacity specifications include dynamic ratings of 1440 kg at 4 km/h and 1200 kg at 6 km/h operating speeds, with a static load capacity of 2400 kg, making it ideal for demanding applications including airport equipment, AMR systems, automotive OEM, ceramic and glass manufacturers, production and platform trolleys, and AGV systems.

250 mm
305 mm
1440 kg
250 mm
305 mm
1440 kg
Variants
Swivel castor with total lock, head end of castor 250 mm
Swivel castor with total lock, head end of castor 250 mm
Kappa load
9652FTP250P63 CL67

The Kappa load is a swivel castor with total lock, head end of castor, featuring a medium rectangular plate fitting for secure mounting applications. The housing is constructed from iron forged, heavy material and incorporates a deep-groove ball thrust roller bearing swivel bearing system for enhanced durability and smooth operation. The wheel assembly comprises a cast iron body with polyurethane, casted tread material, mounted on precision ball bearing for optimal performance, with a diameter of 250 mm. The castor has an overall height of 305 mm, providing appropriate clearance for various industrial applications. Load capacity specifications include dynamic loads of 1440 kg at 4 km/h and 1200 kg at 6 km/h operating speeds, with a static load capacity of 2400 kg. This heavy-duty castor is specifically designed for demanding applications including airport equipment, AMR systems, automotive OEM, ceramic and glass manufacturers, production and platform trolleys, and AGV systems.

250 mm
305 mm
1440 kg
250 mm
305 mm
1440 kg
Skip product gallery

Matching Products

Variants
Swivel castor with directional lock 250 mm
Swivel castor with directional lock 250 mm
Kappa load
9651FTP250P63 CL67

The Kappa load is a swivel castor with directional lock featuring a medium rectangular plate fitting for secure mounting applications. The housing is constructed from iron forged, heavy material and incorporates a deep-groove ball thrust roller bearing swivel mechanism for reliable directional control and smooth operation. The wheel assembly comprises a robust cast iron body with a polyurethane, casted tread surface, mounted on precision ball bearings for optimal performance, with a diameter of 250 mm ensuring excellent load distribution. The castor has an overall height of 305 mm, making it suitable for various industrial applications. Load capacity specifications include dynamic ratings of 1440 kg at 4 km/h and 1200 kg at 6 km/h operating speeds, with a static load capacity of 2400 kg, making it ideal for demanding applications including airport equipment, AMR systems, automotive OEM, ceramic and glass manufacturers, production and platform trolleys, and AGV systems.

250 mm
305 mm
1440 kg
250 mm
305 mm
1440 kg
Variants
Swivel castor with total lock, head end of castor 250 mm
Swivel castor with total lock, head end of castor 250 mm
Kappa load
9652FTP250P63 CL67

The Kappa load is a swivel castor with total lock, head end of castor, featuring a medium rectangular plate fitting for secure mounting applications. The housing is constructed from iron forged, heavy material and incorporates a deep-groove ball thrust roller bearing swivel bearing system for enhanced durability and smooth operation. The wheel assembly comprises a cast iron body with polyurethane, casted tread material, mounted on precision ball bearing for optimal performance, with a diameter of 250 mm. The castor has an overall height of 305 mm, providing appropriate clearance for various industrial applications. Load capacity specifications include dynamic loads of 1440 kg at 4 km/h and 1200 kg at 6 km/h operating speeds, with a static load capacity of 2400 kg. This heavy-duty castor is specifically designed for demanding applications including airport equipment, AMR systems, automotive OEM, ceramic and glass manufacturers, production and platform trolleys, and AGV systems.

250 mm
305 mm
1440 kg
250 mm
305 mm
1440 kg