Skip to main content Skip to search Skip to main navigation
Welcome to our newly redesigned website!

CAD files

Documents

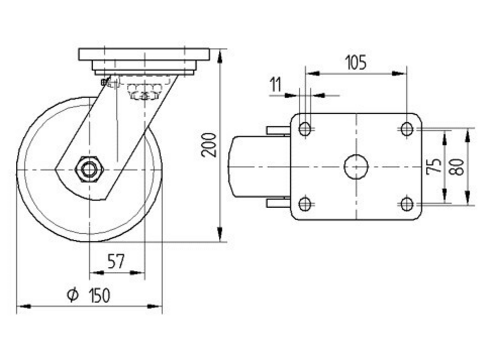
The Kappa load swivel castor features a medium rectangular plate fitting for secure mounting applications. The housing is constructed from iron forged, heavy material and incorporates a deep-groove ball thrust roller bearing swivel mechanism for smooth directional changes under load. The wheel assembly comprises a polyamide, heavy body with tread material identical to the wheel body, supported by a plain bearing system, and measures 150mm in diameter. The castor has an overall height of 200mm, making it suitable for various industrial applications. Load specifications include a static capacity of 1920kg, with dynamic load ratings of 960kg at 4km/h and 800kg at 6km/h operating speeds. This robust castor is designed for demanding applications including airport equipment, AMR systems, automotive OEM, ceramic and glass manufacturers, production and platform trolleys, and AGV systems.
Roll performance
Movement noise
Attrition
Corrosion resistance
Article numbers
Article Number
9650TOO150P63
EAN
4031582314342
Core attributes
Type
Swivel castor
Load capacity at 4 km/h
960 kg
Load capacity at 6 km/h
800 kg
Load capacity Static
1920 kg
Overall height
200 mm
Temperature range (Maximum)
80 °C
Temperature range (Minimum)
-40 °C
Overall weight
3.86 kg
Product name
Kappa load
Standard
EN12533 - Heavy Duty Castors
Electric conductive
Stainless
Fitting
Fitting type
Medium rectangular plate
Plate hole diameter
11 mm
Plate hole length (Maximum)
105 mm
Plate hole width (Maximum)
80 mm
Plate hole width (Minimum)
75 mm
Plate length
135 mm
Plate width
110 mm
Housing
Fork shape
Broad, reinforced
Material fork
Iron forged, heavy
Swivel bearing
Deep-groove ball thrust roller bearing
Swivel interference
266 mm
Offset
58 mm
Swivel radius
133 mm
Wheel
Hardness of tread (D)
75 Shore D
Body material
Polyamide, heavy
Tread material
Identical with wheel body
Tread width
50 mm
Diameter
150 mm
Threadguards
Without threadguard
Axle
Screwed with nut
Bearing
Plain bearing
special-features-image
Special Features
Non-hazardous materials
Complies with RoHS and REACH regulations. Does not contain polycyclic aromatic carbons or chromium (VI).
Tested quality
Tested in our own laboratory for compliance with European standards.
Solid housing
Made of pressed steel, zinc plated.
Strong construction
Housing made of heavy steel for high load capacity.
Low wear and tear wheels
Durable wheels with extremely low wear and tear properties.
Skip product gallery

Matching Products

Variants
Swivel castor with directional lock 150 mm
Swivel castor with directional lock 150 mm
Kappa load
9651TOO150P63

The Kappa load is a swivel castor with directional lock designed for heavy-duty industrial applications. It features a medium rectangular plate fitting for secure mounting. The housing is constructed from iron forged, heavy material and incorporates a deep-groove ball thrust roller bearing swivel mechanism for smooth operation. The wheel comprises a polyamide, heavy body with tread material identical to the wheel body, supported by a plain bearing system, and measures 150 mm in diameter. The castor has an overall height of 200 mm. Load capacity specifications include dynamic loads of 960 kg at 4 km/h and 800 kg at 6 km/h, with a static load capacity of 1920 kg. This robust castor is suitable for demanding applications including airport equipment, AMR systems, automotive OEM, ceramic and glass manufacturers, production and platform trolleys, and AGV systems.

150 mm
200 mm
960 kg
150 mm
200 mm
960 kg
Variants
Swivel castor with total lock, head end of castor 150 mm
Swivel castor with total lock, head end of castor 150 mm
Kappa load
9652TOO150P63

The Kappa load is a swivel castor with total lock, head end of castor, featuring a medium rectangular plate fitting for secure mounting applications. The housing is constructed from iron forged, heavy material and incorporates a deep-groove ball thrust roller bearing swivel bearing system for enhanced durability and smooth operation. The wheel comprises a polyamide, heavy body material with tread material identical with wheel body, equipped with plain bearing and measuring 150 mm in diameter. The castor has an overall height of 200 mm, providing optimal clearance for various industrial applications. Load capacity specifications include dynamic loads of 960 kg at 4 km/h and 800 kg at 6 km/h operating speeds, with a static load capacity of 1920 kg. This heavy-duty castor is specifically designed for demanding applications including airport equipment, AMR systems, automotive OEM, ceramic and glass manufacturers, production and platform trolleys, and AGV systems.

150 mm
200 mm
960 kg
150 mm
200 mm
960 kg
Skip product gallery

Matching Products

Variants
Swivel castor with directional lock 150 mm
Swivel castor with directional lock 150 mm
Kappa load
9651TOO150P63

The Kappa load is a swivel castor with directional lock designed for heavy-duty industrial applications. It features a medium rectangular plate fitting for secure mounting. The housing is constructed from iron forged, heavy material and incorporates a deep-groove ball thrust roller bearing swivel mechanism for smooth operation. The wheel comprises a polyamide, heavy body with tread material identical to the wheel body, supported by a plain bearing system, and measures 150 mm in diameter. The castor has an overall height of 200 mm. Load capacity specifications include dynamic loads of 960 kg at 4 km/h and 800 kg at 6 km/h, with a static load capacity of 1920 kg. This robust castor is suitable for demanding applications including airport equipment, AMR systems, automotive OEM, ceramic and glass manufacturers, production and platform trolleys, and AGV systems.

150 mm
200 mm
960 kg
150 mm
200 mm
960 kg
Variants
Swivel castor with total lock, head end of castor 150 mm
Swivel castor with total lock, head end of castor 150 mm
Kappa load
9652TOO150P63

The Kappa load is a swivel castor with total lock, head end of castor, featuring a medium rectangular plate fitting for secure mounting applications. The housing is constructed from iron forged, heavy material and incorporates a deep-groove ball thrust roller bearing swivel bearing system for enhanced durability and smooth operation. The wheel comprises a polyamide, heavy body material with tread material identical with wheel body, equipped with plain bearing and measuring 150 mm in diameter. The castor has an overall height of 200 mm, providing optimal clearance for various industrial applications. Load capacity specifications include dynamic loads of 960 kg at 4 km/h and 800 kg at 6 km/h operating speeds, with a static load capacity of 1920 kg. This heavy-duty castor is specifically designed for demanding applications including airport equipment, AMR systems, automotive OEM, ceramic and glass manufacturers, production and platform trolleys, and AGV systems.

150 mm
200 mm
960 kg
150 mm
200 mm
960 kg