Skip to main content Skip to search Skip to main navigation
Welcome to our newly redesigned website!
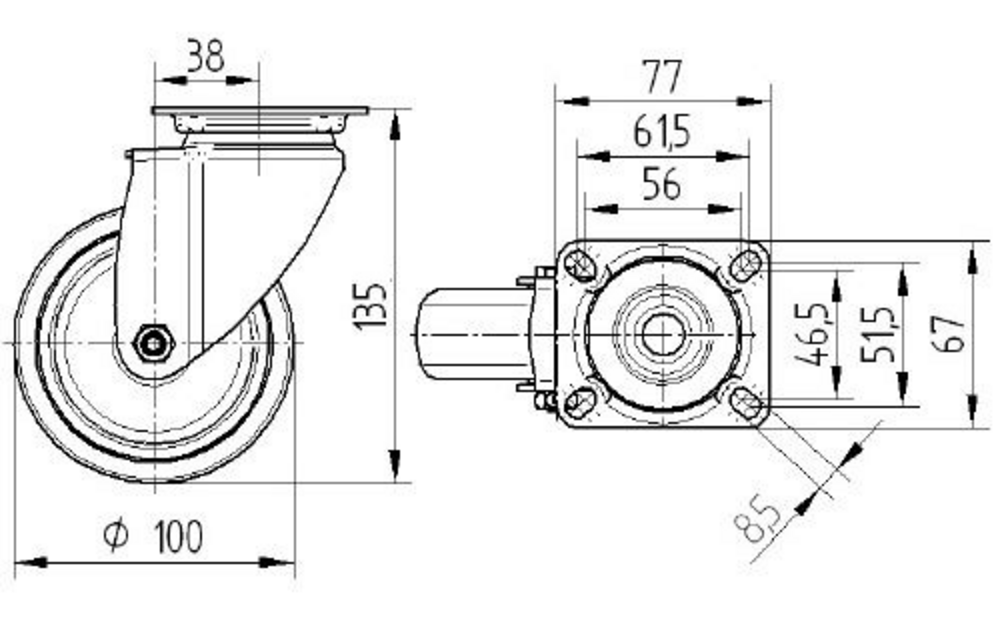
The Agila swivel castor features a rectangular plate fitting for secure mounting to equipment bases. The housing is constructed from medium steel sheet and incorporates two ball races for the swivel bearing mechanism, ensuring smooth directional changes and long-lasting performance. The wheel comprises a polypropylene body with thermoplastic rubber tread material, providing excellent grip and floor protection, whilst the plain bearing system delivers reliable rotation with minimal maintenance requirements. With a wheel diameter of 100mm, the castor achieves an overall height of 135mm, making it suitable for various equipment applications. The dynamic load capacity reaches 80kg at speeds up to 3km/h, whilst the static load capacity extends to 160kg, providing robust support for professional equipment in healthcare, catering, and commercial environments.
Roll performance
Movement noise
Attrition
Corrosion resistance
Article numbers
Article Number
2470PJO100P50
EAN
4031582010428
S4 Material Number
990005163
Core attributes
Type
Swivel castor
Overall width
60 mm
Load capacity at 3 km/h
80 kg
Load capacity Static
160 kg
Overall height
135 mm
Temperature range (Maximum)
60 °C
Temperature range (Minimum)
-20 °C
Overall weight
0.57 kg
Product name
Agila
Standard
EN12530 - Devices Castors
Electric conductive
Stainless
Fitting
Fitting type
Rectangular plate
Plate hole diameter
8.5 mm
Plate hole length (Maximum)
51.5 mm
Plate hole length (Minimum)
46.5 mm
Plate hole width (Maximum)
61.5 mm
Plate hole width (Minimum)
56 mm
Plate length
77 mm
Plate width
67 mm
Housing
Colour
Blue passivated
Fork shape
Broad
Material fork
Steel sheet, medium
Swivel bearing
Two ball races
Dome diameter
60 mm
Swivel interference
176 mm
Offset
38 mm
Swivel radius
88 mm
Wheel
Hardness of tread (A)
87 Shore A
Body material
Polypropylene
Tread material
Thermoplastic rubber
Tread width
32 mm
Diameter
100 mm
Body width
32 mm
Threadguards
Without threadguard
Bearing
Plain bearing
Wheel color
Silver grey (RAL7001)
special-features-image
Special Features
Non-hazardous materials
Complies with RoHS and REACH regulations. Does not contain polycyclic aromatic carbons or chromium (VI).
Tested quality
Tested in our own laboratory for compliance with European standards.
Solid housing
Made of pressed steel, zinc plated.
Variable fitting options
Different fitting dimensions for a large range of applications.
Resource-conserving part replacement
Threaded axles allow effortless wheel change.
Non-marking movement
Wheels with reduced abrasion and little cleaning requirement.
Easy steering
Double ball bearing swivel head.
Skip product gallery

Matching Products

Variants
Swivel castor with total lock 100 mm
Swivel castor with total lock 100 mm
Agila
2477PJO100P50

The Agila swivel castor with total lock features a rectangular plate fitting for secure mounting applications. The housing is constructed from medium steel sheet and incorporates two ball races for the swivel bearing mechanism, ensuring smooth directional movement and reliable locking functionality. The wheel comprises a polypropylene body with thermoplastic rubber tread material, providing excellent grip and floor protection, whilst utilising a plain bearing system for consistent rotation. The castor measures 135mm in overall height with a wheel diameter of 100mm. Load specifications include a dynamic capacity of 80kg at speeds up to 3km/h and a static load capacity of 160kg, making it suitable for care beds, catering carts and meal delivery systems, hospitals, nursing and retirement homes, professional cleaning carts, and store fixtures and display applications.

100 mm
135 mm
80 kg
Regular price: €32.40
net / per piece
100 mm
135 mm
80 kg
Variants
Fixed castor 100 mm
Fixed castor 100 mm
Agila
2478PJO100P50

The Agila fixed castor features a rectangular plate fitting for secure mounting applications. The housing is constructed from steel sheet, medium grade, providing robust structural support for demanding environments. The wheel incorporates a polypropylene body with thermoplastic rubber tread material, ensuring excellent grip and floor protection, whilst utilising a plain bearing system for smooth operation. With a wheel diameter of 100 mm, the castor achieves an overall height of 135 mm. Load specifications include a dynamic capacity of 80 kg at speeds up to 3 km/h and a static load capacity of 160 kg. This castor is specifically designed for applications including care beds, catering carts and meal delivery systems, hospitals, nursing and retirement homes, professional cleaning carts, and store fixtures and display units.

100 mm
135 mm
80 kg
Regular price: €50.65
net / per piece
100 mm
135 mm
80 kg
Variants
Swivel castor with directional lock 100 mm
Swivel castor with directional lock 100 mm
Agila
2471PJO100P50

The Agila swivel castor with directional lock features a rectangular plate fitting for secure mounting applications. The housing is constructed from medium steel sheet and incorporates two ball races for the swivel bearing mechanism, ensuring smooth directional movement and reliable locking functionality. The wheel comprises a polypropylene body with thermoplastic rubber tread material, providing excellent grip and floor protection, whilst utilising a plain bearing system for consistent rotation. The wheel diameter measures 100 mm with an overall height of 135 mm. Load specifications include a dynamic capacity of 80 kg at speeds up to 3 km/h and a static load capacity of 160 kg, making it suitable for care beds, catering carts and meal delivery systems, hospitals, nursing and retirement homes, professional cleaning carts, and store fixtures and display applications.

100 mm
135 mm
80 kg
100 mm
135 mm
80 kg
Skip product gallery

Matching Products

Variants
Swivel castor with total lock 100 mm
Swivel castor with total lock 100 mm
Agila
2477PJO100P50

The Agila swivel castor with total lock features a rectangular plate fitting for secure mounting applications. The housing is constructed from medium steel sheet and incorporates two ball races for the swivel bearing mechanism, ensuring smooth directional movement and reliable locking functionality. The wheel comprises a polypropylene body with thermoplastic rubber tread material, providing excellent grip and floor protection, whilst utilising a plain bearing system for consistent rotation. The castor measures 135mm in overall height with a wheel diameter of 100mm. Load specifications include a dynamic capacity of 80kg at speeds up to 3km/h and a static load capacity of 160kg, making it suitable for care beds, catering carts and meal delivery systems, hospitals, nursing and retirement homes, professional cleaning carts, and store fixtures and display applications.

100 mm
135 mm
80 kg
Regular price: €32.40
net / per piece
100 mm
135 mm
80 kg
Variants
Fixed castor 100 mm
Fixed castor 100 mm
Agila
2478PJO100P50

The Agila fixed castor features a rectangular plate fitting for secure mounting applications. The housing is constructed from steel sheet, medium grade, providing robust structural support for demanding environments. The wheel incorporates a polypropylene body with thermoplastic rubber tread material, ensuring excellent grip and floor protection, whilst utilising a plain bearing system for smooth operation. With a wheel diameter of 100 mm, the castor achieves an overall height of 135 mm. Load specifications include a dynamic capacity of 80 kg at speeds up to 3 km/h and a static load capacity of 160 kg. This castor is specifically designed for applications including care beds, catering carts and meal delivery systems, hospitals, nursing and retirement homes, professional cleaning carts, and store fixtures and display units.

100 mm
135 mm
80 kg
Regular price: €50.65
net / per piece
100 mm
135 mm
80 kg
Variants
Swivel castor with directional lock 100 mm
Swivel castor with directional lock 100 mm
Agila
2471PJO100P50

The Agila swivel castor with directional lock features a rectangular plate fitting for secure mounting applications. The housing is constructed from medium steel sheet and incorporates two ball races for the swivel bearing mechanism, ensuring smooth directional movement and reliable locking functionality. The wheel comprises a polypropylene body with thermoplastic rubber tread material, providing excellent grip and floor protection, whilst utilising a plain bearing system for consistent rotation. The wheel diameter measures 100 mm with an overall height of 135 mm. Load specifications include a dynamic capacity of 80 kg at speeds up to 3 km/h and a static load capacity of 160 kg, making it suitable for care beds, catering carts and meal delivery systems, hospitals, nursing and retirement homes, professional cleaning carts, and store fixtures and display applications.

100 mm
135 mm
80 kg
100 mm
135 mm
80 kg