Skip to main content Skip to search Skip to main navigation
Welcome to our newly redesigned website!
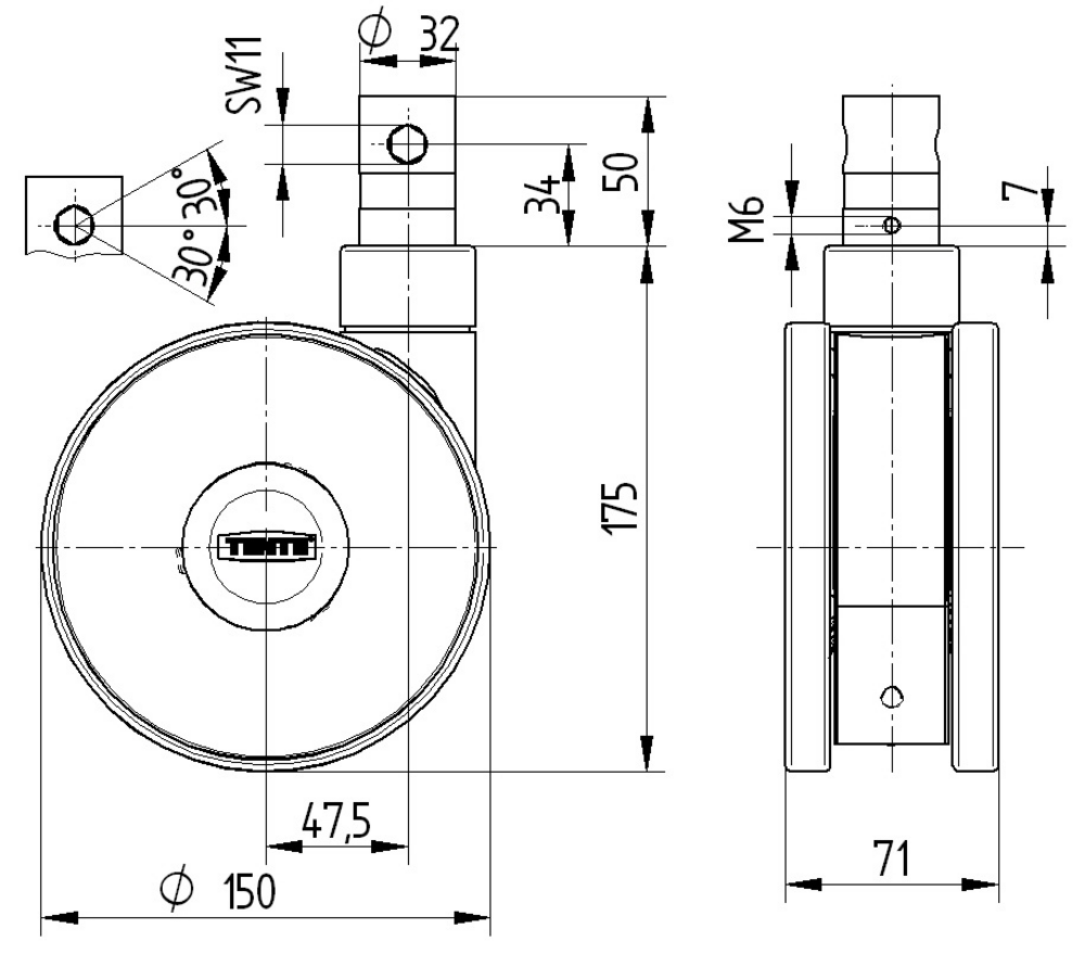
The Linea clinic swivel castor with central, total lock features a stem with cam hole for profile bars, short version fitting for secure attachment to medical equipment. The housing is constructed from durable polyamide material and incorporates a precision ball bearing swivel mechanism for smooth directional changes. The wheel assembly consists of a polyamide body with injected polyurethane tread material, mounted on precision ball bearings to ensure quiet operation and excellent manoeuvrability. With a wheel diameter of 150 mm, the castor provides an overall height of 175 mm. The load capacity specifications include dynamic loads of 150 kg at speeds of 3 km/h and 150 kg at 4 km/h, whilst supporting static loads up to 450 kg. This castor is specifically designed for demanding healthcare applications including anaesthesia carts, C-arms, CT scanners, MRI, X-ray equipment, computers on wheels, dialysis carts, hospital beds, medication carts, nursing carts, stretchers, ultrasound machines, and ventilators in hospitals and nursing facilities.
Roll performance
Movement noise
Attrition
Corrosion resistance
Awards
Awards
019bb808ca2f71ceba27dde73e12ee47,019bbbd5e2a570aeab9a38b862a764b9,019bbbd5f0bb737e8686f6994897a48d
Article numbers
Article Number
5946UAP150R36-32S30 D 9002 OH175
EAN
4031582371260
S4 Material Number
990034519
Core attributes
Certification
Tested and monitored by TÜV Süd
Type
Swivel castor with central, total lock
Overall width
71 mm
Load capacity at 3 km/h
150 kg
Load capacity at 4 km/h
150 kg
Load capacity Static
450 kg
Overall height
175 mm
Temperature range (Maximum)
40 °C
Temperature range (Minimum)
-10 °C
Overall weight
1.14 kg
Product name
Linea clinic
Standard
EN12531 - Hospital Bed Castors
Electric conductive
Stainless
Fitting
Bolt mounting holes quantity
2
Fitting type
Stem with cam hole for profile bars, short version
Bolt diameter
32 mm
Bolt length
50 mm
Bolt thread position
7 mm
Housing
Colour
Grey white (RAL9002)
Fork shape
Twin wheel housing
Material fork
Polyamide
Swivel bearing
Precision ball bearing
Dome diameter
45.5 mm
Swivel interference
254 mm
Offset
47.5 mm
Swivel radius
127 mm
Wheel
Hardness of tread (A)
92 Shore A
Hardness of tread (D)
42 Shore D
Body material
Polyamide
Tread material
Polyurethane, injected
Tread width
15 mm
Diameter
150 mm
Body width
15 mm
Threadguards
With threadguard
Bearing
Precision ball bearing
Wheel color
Grey white (RAL9002)

Deutscher Designer Club

Deutscher Designer Club

Interzum Award

Interzum Award

IF Design Award

IF Design Award

special-features-image
Special Features
Non-hazardous materials
Complies with RoHS and REACH regulations. Does not contain polycyclic aromatic carbons or chromium (VI).
Tested quality
Tested in our own laboratory for compliance with European standards.
Prevents unintended movement
Wheel lock for manual operation
User-friendly central lock
Simultaneous locking of more than one castor using a central actuation lever.
Colour matching
Colours can be adapted to match the product design
Award-winning design
Awarded with prestigious prizes by international juries.
Reduced risk of accidents
Extremely low height to reduce the risk of accidents when used under hospital beds.
Low-maintenance wheels
Thread guards for unobstructed operation with minimal cleaning effort.
Non-marking movement
Wheels with reduced abrasion and little cleaning requirement.
Ergonomically friendly use
Wheels with optimised roll resistance to lighten the load for the user.
Certified safety
TÜV Süd certified performance standard.
Optimised manoeuvrability
Twin wheel castor with high manoeuvrability due to differential effect.